概述:FT8891是一款电流模式升压DC-DC转换器(丝印AL856),其内置 0.25Ω功率MOSFET的PWM电路,使该稳压器具有高能效,同时其内部补偿网络还减少了多达6个外部组件的数量。FT8891采用SOT23-6L封装工艺。


一、FT8891功能和特性

* 可调输出高达 24V 

内部固定 PWM 频率:1.0MHz 

精密反馈参考电压:0.6V (±2%) 

内部 0.25Ω、2A、26V 功率 MOSFET

关断电流:0.1μA

过压保护

过温 保护

可调过流保护:0.5A ~ 2.5A

封装:SOT23-6L


二、FT8891引脚功能


三、FT8891内部方框图


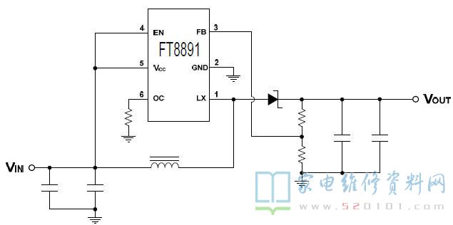
四、FT8891典型应用电路


五、FT8891极限电气参数