概述:BD9262EFV是一款液晶电视LED背光专用控制芯片,它是一款6通道LED控制芯片,其内部含升压驱动电路和均流控制电路两部分,设有稳压器、振荡器、逻辑控制,放大驱动、电流控制、过流/过压保护等电路。


一、BD9262EFV引脚功能与实测电压值


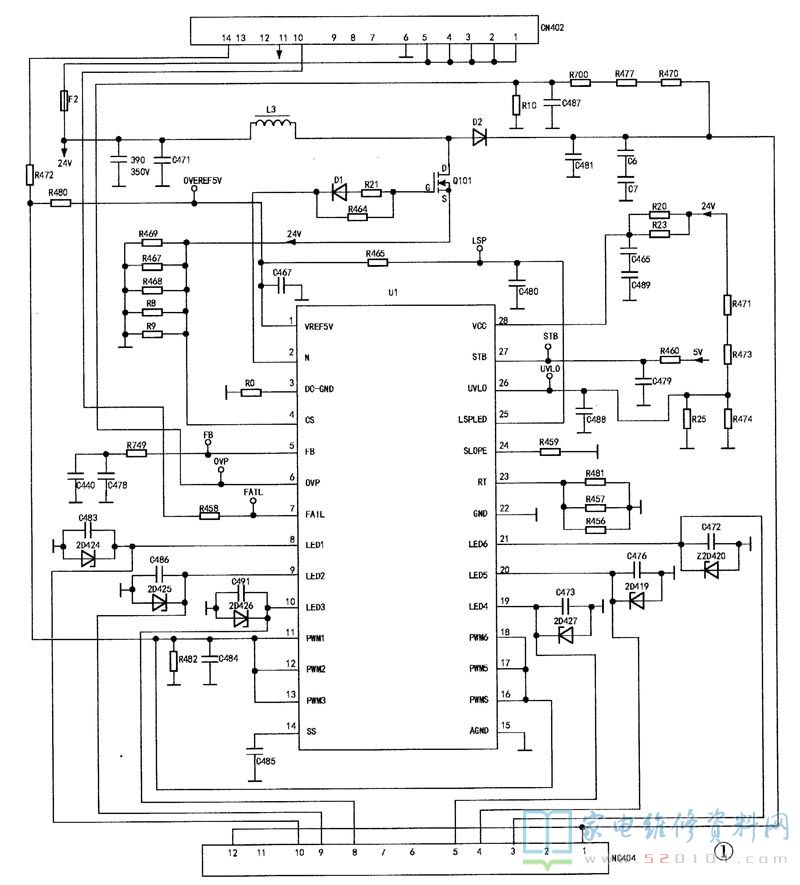
二、BD9262EFV典型应用电路和电路分析(在海信LED32T39AKG液晶电视上)

1、启动与升压
      二次开机后,主开关电源输出的24V电压分三路:

      第1路经储能电感L3加到开关管Q101的D极;

      第2路经续流二极管D2向升压电容C481充电;

      第3路经R20//R23送给U1的28脚(VCC)。主板送来的高电平点灯电压经接插件CN402的14脚(ON/OFF)及R472送到U1的11~13、16~18脚,U1内部振荡电路启动,从①脚输出5V参考电压为内外电路供电,并从②脚输出升压驱动脉冲,使Q101工作于开关状态。
      当Q101导通时,24V电压经L3及Q101的D-S极、R8//R9//R467-R469到地,在L3中产生感应电压并储能,此时D2因正极电压低于负极电压而截止,LED背光灯由升压滤波电容C481供电。当Q101截止时,24V电压和L3中产生的感应电压叠加,经D2向C481充电,并同时经连接器CN404为6路LED背光灯串供电。
2、恒流控制
      U1的⑧~⑩脚及19~21脚通过CN404的③~⑤脚及⑧~⑩脚接到6路LED灯串的负极。U1通过这几个引脚的电压来检测每路LED灯串的电流,并与内部的设定电流进行比较,然后对各路LED灯串电流进行控制,达到恒流控制的目的。
3、保护电路
   (1)升压开关管过流保护
     U1的④脚为升压管过流检测输入端,升压管Q101的S极外接5只并联的过流取样电阻,其两端电压反映了流过Q101电流的大小。当流过Q101的电流过大,使U1④脚电压达到保护闭值时,U1内部过流保护电路启动,关断U1②脚输出的升压启动脉冲,背光灯电路停止工作。
   (2)输出过压保护
     U1的⑥脚为过压保护(OVP)输入端。C481两端电压经R470、R477、R700与R10分压后得到OVP电压,送入U1的⑥脚。当升压电路输出电压过高,使⑥脚电压超过设定闭值时,内部过压保护电路启动,停止输出升压脉冲。另外,当升压输出电路负载短路,反馈到U1⑥脚电压小于设定闭值时,IC内部短路保护电路启动,停止输出升压脉冲。
   (3)LED背光灯异常保护
      6路灯串(LED 1~LED6)电流取样电压送到U1的⑧~⑩脚及19~21脚,U1根据反馈电压对LED灯串供电电压和灯串电流进行调整。当某路LED灯串开路或短路时,则U1对应引脚电压会超出预设范围,U1由此判断灯条有故障,于是停止输出升压脉冲。