概述:OB21085(OB21085ZCPP-T、OB21085ZCPPA-T)是昂宝电子出品的一款高效率的降压型DC-DC转换芯片。芯片采用自调节COT架构,在宽范围输入电压下,CCM工作频率基本不变。负载变化时,通过变频实现良好的动态响应。芯片内置模拟纹波电路,无需外部补偿网络,可在宽负载范围内提供稳定的输出。其芯片集成了高压开关,具有过流保护、过温保护,避免芯片在超负荷负载或者温度过高时受到损坏。提供了输入电压欠压保护,输出电压短路保护,保证各种电压情况下芯片安全。OB21085主要用作于通用DC-DC、电动车、平衡车等电路中。
一、OB21085功能和特性
* 100V最高工作电压
* ±2%的反馈电压精度
* 输入欠压保护
* 输出短路保护
* 过温保护
* 过流保护
* 输出电流能力通过外置电阻可调
* 使能端控制
二、OB21085引脚功能
|
脚号 |
引脚名称 |
I/O |
功能说明 |
|
1 |
ENA |
I |
使能信号输入 |
|
2 |
GND |
G |
芯片地 |
|
3 |
VCC |
I/O |
自举电容充电端 |
|
4 |
VFB |
I |
输出电压反馈 |
|
5 |
DRAIN |
O |
内部开关漏极 |
|
6 |
SW |
O |
内部开关源极 |
|
7 |
VB |
I/O |
自举电压端 |
|
8 |
VIN |
P |
芯片电压输入 |
|
底部裸露焊盘 |
O |
内部开关漏极 |
|
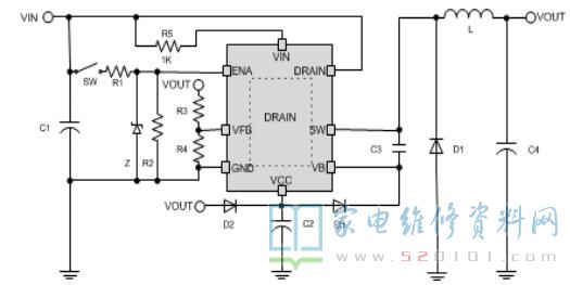
三、OB21085典型应用电路
四、OB21085电气参数
1、极限参数
|
参数 |
符号 |
参数范围 |
单位 |
|
输入工作电压范围 |
VIN |
+100 |
V |
|
开关端电压范围 |
VSW |
-0.3~VIN+0.3 |
V |
|
自举端电压范围 |
VBS |
VSW+12 |
V |
|
反馈端电压 |
VFB |
-0.3~+6 |
V |
|
使能端电压 |
VEN |
-0.3~+6 |
V |
|
最高工作结温 |
TJ |
150 |
℃ |
|
贮存温度范围 |
TSTG |
-55~+150 |
℃ |
备注: 芯片的实际应用条件超出规定的“应用极限值”将会对芯片造成永久性损伤。以上应用极限值标志了芯片可承受应力等级,但并不建议芯片在此极限条件或超出“推荐工作条件”下工作。芯片长时间处于最大额定工作条件,会影响芯片的可靠性。
五、OB21085封装标识
网友评论