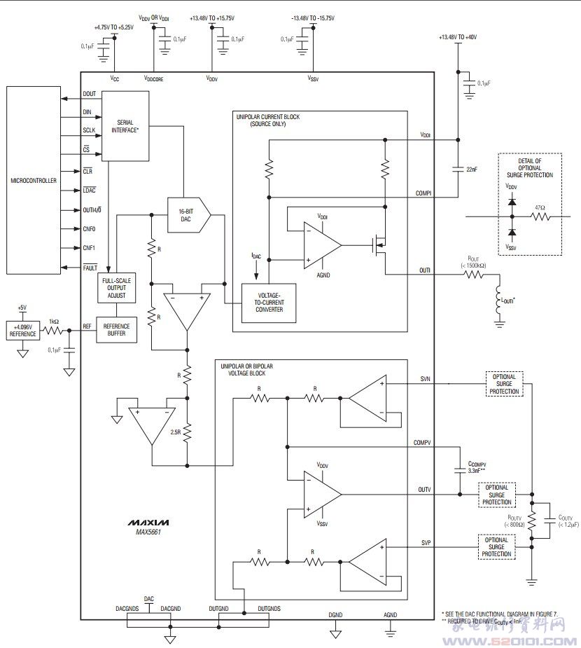
概述:MAX5661采用10mm×10mm、6?引脚LQFP封装,双输出范围电压输出放大器提供与DAC值成正比的电压,其范围为0至10V或-10V至+10V。电流输出放大器输出与DAC值成正比的电流,其范围为0至20mA或4至20mA。电压和电流输出均具有25%的额外超量程输出能力。

一、MAX5661功能和特性
10位可编程满幅输出能够调节到满量程的±25%以外
可编程的电压输出
单极性范围:0至+10.24V ±25%
双极性范围:±10.24V ±25%
可编程的电流输出
单极性低端范围:0至20.45mA
单极性高端范围:3.97mA至20.45mA
灵活的模拟电源(参见表16)
电压输出时±13.48V至±15.75V
电流输出时+13.48V至+40V
为差分电压输出远端检测提供加载-感应连接(电压输出)
电压输出限流
信号丢失检测器检测不可调整电流输出
/CLR和/LDAC输入用于异步DAC更新
/CLR输入将输出复位至编程值或零代码
/FAULT输出用于指示开路电流输出、短路电压输出或清除状态
温漂
电压输出:±0.4ppm FSR/°C
电流输出:±7.9ppm FSR/°C
小型64引脚LQFP封装(10mm x 10mm)

三、MAX5661引脚功能

四、MAX5661内部方框图