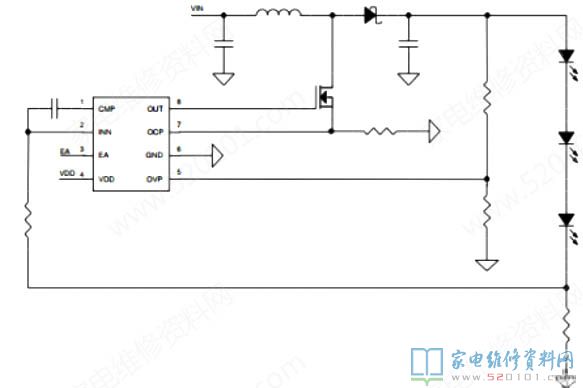
概述:BIT3368是一款具有电流模式控制和三个可选操作PWM芯片,其内部集成了升压转换所需的功能, 0.21V 低反馈电压、过压保护、过流保护、负载短路保护、内部软启动功能可以避免启动期间的浪涌电流、过温保护和UVLO。BIT3368采用SOP-8封装工艺。其背光开关引脚为3脚EA。


一、BIT3368功能和特性

* 电流模式控制和固定频率操作
* 8V~28V工作电压
* 内部最小关断时间
* 过流保护,OCP
* 过压保护,OVP
* 内部软启动
* 外部肖特基开路/短路保护
* 外部电感短路保护
* 过温保护,OTP
* 负载短路保护,LSP
* LED 阴极对地短路保护,LCSP
* 内部欠压锁定,UVLO
* SOP-8 封装


二、BIT3368引脚功能


三、BIT3368典型应用电路