发光二极管是我们经常用到的器件,这里我们介绍几种它的特殊用法,这对于条件有限的业余电子爱好者在电子制作中有时会很有帮助(见附图)。
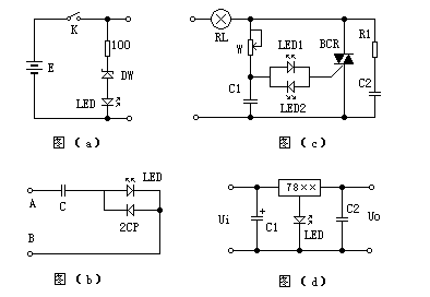
图(a)是用发光二极管LED监视电池电压的应用电路。电路中稳压管DW的稳压值应选电池额定电压的70%左右。
图(b)是LED用在220V、50Hz市电中,作为电器具工作指示或保险丝熔断指示。
图(c)是将两只LED反向并联,用在移相式可控硅调压电路中代替双向触发二极管。
图(d)是用在固定输出三端稳压电路中用以提升输出电压。并可兼作电源指示。

网友评论