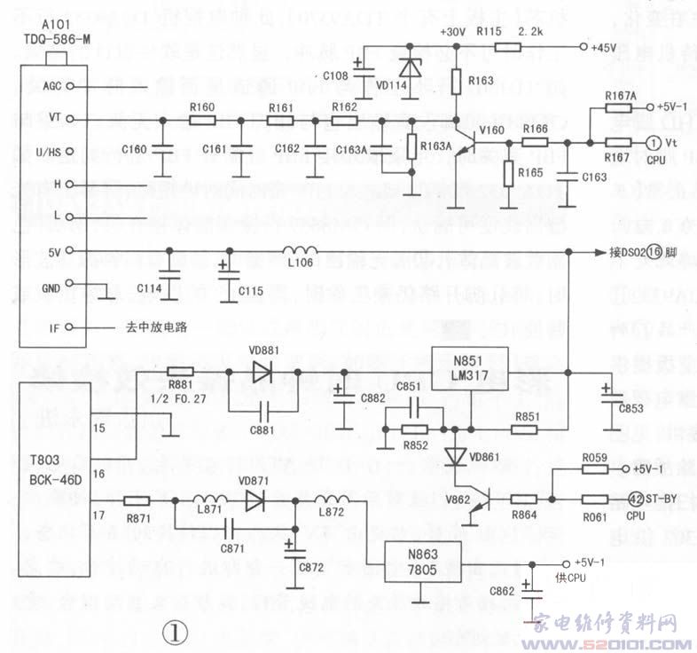
分析检修:该机的中频、视频与小信号处理集成电路N301采用OM8839块,Tv状态下,观察屏幕上噪点基本正常,说明由OM8839组成的电路正常,在OM8839工作基本正常情况下,为什么输入AV信号也无图像呢?仔细分析电路,原来该机有独立的视频切换开关DS02专门对AV信号进行切换,而Tv视频则没有通过DS02视频切换开关,而是通过V609、N602、V204直接进入了OM8839。看来该故障与高频头、Av切换开关DS02的工作状态均有关系。拆开机盖,先检查高频头所在部位的电路,如图1所示。用数字万用表测量高频头A101的5v供电脚电压只有0.8V。为了判断是该引脚内部电路还是外部5v电源的问题,焊开这只引脚,测焊盘电压仍然很低,说明是5V电源没有供给高频头,导致高频头无中频IF信号输出,后续电路也就无图像信号和伴音信号了。

依据电路,查到高频头5V电压来自集成稳压电路N851(LM317)。由电源开关变压器T803次级16脚输出的脉冲电压经限流保险电阻R881,再经VD881、c882整流滤波,N863稳压后输出5V电压,为高频头和AV切换开关D802供电。经查,N863输出端引脚焊盘出现一圈裂纹,已经脱焊,对其补焊后加电试机,5V电压恢复正常,无图像无伴音故障排除。
原来,该机有两组5V电源,5V-1专为CPU供电,因此在出现无图像无伴音情况下CPu工作正常,屏上有字符显示;5V-2为高频头和AV电路板的AV切换开关DS01(HEF4053)、DS02(HEF4053)供电,补焊后5V-2恢复了给高频头和AV切换开关的供电,所以两个故障现象就同时消除了。
例2:一台长虹PF29D18型彩电(CH-10机芯),屏幕上方场幅不满屏且有较多回扫线(见图2),而且能收到的电视频道数目也随之减少。

分析检修:此机也表现为两种故障现象,光栅上部出现回扫线,类似场输出泵电源电容失效,场逆程期间电压不足引起的故障。该机场输出电路如图3所示。其中,N401采用的是直流耦合场偏转兼东/西枕校输出集成电路TDA8350Q,外围没有泵电源电路,取而代之的是内有场扫描逆程开关,逆程期间由⑧脚输入的“45V”电压保证场幅,因此应重点检查⑧脚供电是否正常。
加电测量,发现N401⑧脚电压偏离正常值甚远,只有18.8V。追查其“45V”的来源,系由行输出变压器T402⑤脚输出的行频脉冲,经过R450限流,VD438、c448整流滤波后提供。顺着这一线索检查,查出R450开路,更换R450后试机,N401⑧脚电压达到50.4v,观察屏幕场幅已满屏,回扫线没了,光栅不正常故障排除。
同时,试机中切换频道,发现只能收到部分频道电视节目的故障也解决了。原来,T402输出的“45V’’电压不仅供给N401,还供给调谐电压产生电路的PWM脉冲倒相放大管V160(见图1)。图3电路中,N401⑧脚经过R404、VD402A与调谐30V稳压电路限流电阻R115是连通的,当R405开路后,“45v”虽然没有了,但是N401⑧脚输出的18.8V电压却供给了v160,所以高频头调谐电压变化最高只有18V左右,造成不能收到全部闭路信号的电视节目。当“45v”电压恢复后,这一故障就自然排除了。

两例长虹CH-10机芯彩电的故障特点都表现为“一机多故障”现象。检修中,不一定先要搞清各故障现象的内在联系,也不必为纷繁的故障现象所困惑,对故障采取“各个击破”法。如果多个故障现象是由某一局部“电源”出问题,引起相关电路工作不正常而产生,在排除其中一个故障后其他故障就会迎刃而解,达到“一石二鸟”之功效。
网友评论