一、贴片DC/DC变换(稳压)IC的分类
       贴片DC/DC变换(稳压)IC在电脑、平板电视及便携式家电产品中的电源系统中,应用十分广泛。这类贴片元件种类较多。从引脚上分,可分为三脚型与多脚型(比如常见的LM1117 LM1084/5就只有3只引脚,而TPS60101竟有20只引脚);从功能上分,可分为降压型、升压型及升/降压型( 比如常见的LM1117、LM1084/5、LV5980MC ITC3621、LTM8045、TPS54340/60等等均为降压型。TPS60101、TPS61200、S-43503/05/12、LM2623A、LT1615、ICL7660/7662、XC9128等等均为升压型。而LM9527C/30C/33/50C、AP3012、TPS54319/32等均为升/降压型);从输出电压类型上分,可分为输出电压固定型与输出电压可调型(比如LM1117-3.3、LM1117-5.0、RT9166-3.3等均为输出电压固定型,后面的两位数字为输出电压值。而LM111ADJ、LM1084-ADJ、XC6504等均为输出电压可调型,其输出电压值决定反馈端或电压调整端外接偏置电阻阻值,即反馈端或电压调整端电压高低);从输出电压路数上分,又可分为单路型与多路型(比如,上面举例的绝大多数IC型号均为单路型。TEA1210TS、TPS60101均为两路输出IC,而TPS54319则为三路输出IC);从引脚引出方式来分,又可分为嵌入型(比如LTC3863、TPS61200分别采用3mmx4mm、3mmx3mm的QFN封装,MP2127采用DFN封装, LTM8045采用BGA封装。上述三种封装均无供焊接的引脚,只能嵌入有引脚的插槽中才能与外界连通)与可焊接型。从稳压工作方式来分,可分为脉冲频率控制(PFM即脉冲电压幅度不变,但脉冲频率改变)与脉冲宽度控制(PWM即脉冲电压频率不变,但脉冲宽度改变)两种。
二、贴片DC/DC变换(稳压)IC主要故障与检修步骤
      贴片DC/DC变换(稳压)IC常见故障主要有:
   1.无输出
      (1)故障原因
       1)输入电压过低或过高。为了保证DC/DC变换IC(以下简称IC)内部的振荡器及相关电路正常工作,其IC输入电压(或工作电源)必须在正常工作电压范围内,故不少IC内设有输入电压过高,过低(欠压)保护电路,一旦输入电压(或工作电源)异常,IC输出端电压将会为零。因此,掌握常用IC的输入电压范围是十分必要的。表1给出了常用贴片IC主要特性及参数,供读者维修时参考。
     2)使能端或输出控制端电平异常。不少IC都有使能端或输出控制端,只有该端为高或低电平时,IC输出端才有输出。如果该端电平异常,将会使输出关闭。
     3)输出端(滤波电容或负载)存在短路故障。不少IC具有输出过流芯片过热、输出欠压等保护功能。所以,当输出端短路时,将会使IC内部的过流或过热保护电路动作,使之无输出。
     4)软启动端或频率控制外接电阻或电容元件损坏,使IC内的振荡器不能起振,从而导致无输出。
     5)输出电压调整电阻变质或开路。由于部分IC内还设有输出过压保护功能,当这样的IC输出电压调整电阻变质或开路时,会使输出电压过高,导致过压保护电路动作,从而使输出为零。
     6)IC本身已损坏。
    (2)故障检修
     1)观察IC引脚焊点是否有虚焊或热胀冷缩引起的裂纹(实践表明,由于贴片IC体积小,散热条件差,引脚焊点出现裂纹的现象时有发生),若有,应补焊。
     2)检测IC输入端电压,看是否在正常输入电压范围内。若无电压或电压偏高或偏低,应检查输入电压的提供电源。
     3)对于可调式多端可控输出IC,应检查输出控制端电平,看是否为满足输出条件的低电平或高电平(该电平一般是通过电阻或开关晶体管的导通/截止来提供)。若不是满足输出的电平,应检查电平提供电路。
     4)若上述第二步检测已确认IC输入端电压正常,可在输出端并接一只电压表,在输出回路串入一只电流表后开机,迅速观察电压表、电流表读数。若电压表读数.超出或低于正常值(注:此时尽管输出电压过低,但电流表读数却很小),则表明该IC有输出过压或欠压保护功能,应检查输出电压调整(反馈)端外接分压电阻。
      5)若上步检测,发现电压表读数瞬时偏低,且电流表同时超出IC的最大电流输出值,则表明无输出很可能是IC内过流保护电路动作所致,应检查输出端的电压滤波电容是否短路或严重漏电;若正常,说明该DC/DC变换IC的负载存在短路故障,应作进一步检查。
     6)若第四步检查中发现电流表读数为零,则表明故障在IC本身或其外围元件。对于不可调固定电压输出的三端IC,可基本确认IC已损坏,应予更换。对于多端输出可控、可调IC,可人为从电压输入端外接一只10k~20k电阻至输出电压调整端(反馈端),再查输出端电压。若有输出,则是外接上拉(接输出电压正极)分压电阻,存在开路或虚焊,应予检查更换[止定无输出是否因输出电压调整端(反馈端),外接分压电阻开路,而引起有输出过压或欠压保护功能的IC,由于保护电路动作而无输出};若仍无输出,应考虑更换IC。
      7)若上步查得输出端电压仍为零,对于有软启动端或振荡频率控制端外接电阻、电容的IC,应用替换法检查外接元件(尤其是电容),然后试机看输出端是否有输出。若恢复输出,表明是上述元件损坏。若无效,很可能是IC已损坏,应予更换。
2.输出电压偏高或偏低
      (1)排除空载或输出过流的前提下分析
       1)对于输出电压不可调的三端IC ,可能是接地不良或接地端电阻变值,通常引起输出电压过高(许多三端IC,通常是接地端不直接接地,而是串联一只电阻后再接地,依靠改变电阻阻值大小来改变输出电压,一般是所串电阻阻值越大,输出电压越高,反之亦然)。
       2) 对于输出电压可调的多端IC,可能是反馈端或基准电压端上拉或下拉电阻变值。若输出电压升高,可能是上拉电阻阻大或下拉电阻变小。反之,若电压降低,可能是,上拉电阻变小或下拉电阻变大。3)对于通过脉冲频率控制输出的IC,可能是频率控制端(比如ltC3646⑦脚、TPS54319⑧脚)外接定时电阻变值,使开关频率发生改变,从而导致输出电压改变。
       4)对于有自举端的IC,可能是自举端(比如MP1582⑧脚、TPS54332①脚)外接自举电容失效或漏电,致使IC内的功率放大级不能正常工作,导致输出端电压降低。
       5)对于通过外接功率管输出的IC(比如RT8100,ITC1147),当外接功率管内部压降过大,会引起电源内阻过大,导致输出电压过低,同时伴有输出电压不稳。
       6)Ic内部基准电压或脉宽控制电路损坏。
      (2)故障检修
       1)若输出电压偏低,可手摸IC外壳,若未感觉烫手,即可排除IC输出过流所引起的电压偏低的可能;反之,应检查输出电流是否过大,而导致输出电压偏低(指无输出过流保护功能的IC)。
      2)对于三端固定电压输出IC,在排除输出过流、接地不良或接地端电阻变质的前提下,说明IC内部基准电压或脉宽/频率控制电路损坏,应予更换。
      3)对于输出电压可调的多端IC,无论输出电压偏低还是偏高,应检查反馈端或基准电压端上拉或下拉电阻是否变质。若检查未见异常,可进入下步检查。
      4)若是通过改变脉冲频率控制输出的IC,应检查频率控制端外接元件是否正常。尤其是电容,最好用替换法检查。
     5)若是有自举电压端的IC,应用替换法检查该端外接自举电容是否变质。
     6)对于通过外接功率管扩流输出的IC,也可用替换法检查外接功率管是否变劣外接功率管不良,通常引起输出电压偏低及输出电压不稳现象。
     7)若上述检查均未发现异常,表明IC内部基准电压或脉宽/频率控制电路损坏,应考虑更换。
三、故障检修实例

      例1:一台联想ThinkPad x220型笔记本电脑黑屏。经查,故障是因一个DC/DC变换IC( MP1484 )输出端③脚无11V 输出电压所致。为了确定故障点,在接通市电时,首先测量MP1484的输入端②脚发现有20V输入电压,但③脚输出端电压却为0V。查资料可知,该IC有输出过压、输出过流、输入欠压锁定及芯片过热等保护功能。据此,可排除输入欠压锁定的可能。于是在输出端③脚对地并联一只电压表, 发现电压表指针在越过13V位置后,立即又退回0V。据此,表明IC可能因输出过压,引起过压保护电路动作而导致无输出。于是,首先检查IC输出电压调整端外接分压电阻R711、R712、R713(见图1),结果发现R712(39k)一端焊点好似有裂纹。经重焊后试机,MP1484输出端11V电压恢复正常,故障排除。

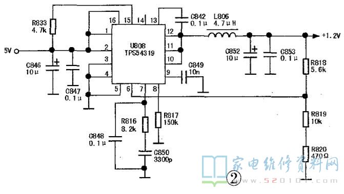
     例2:一台TCL王牌L32P7200A液晶彩电(SS61机芯)不能开机。经查,该故障系主控芯片U201(SS61)无+1.2V 内核供电所致。而该电压是由三路输出DC/DC变换IC (TPS54319 )输出端10、11、12脚(三脚合在一起共同输出,见图2)输出。查输出电压调整端⑥脚外接电阻R818~R820均未见异常。考虑到该IC⑨脚是IC内部振荡器外接软启动电容端,若该端外接软启动电容C849(10nF)变质损坏,将会导致IC内部振荡器无法起振,从而出现输出端无输出故障。于是,用同规格电容替换C849后开机,输出电压恢复,故障排除。

      例3:一台TCL王牌L40E77B液晶彩电(MS91A机芯)二个USB接口均不能使用。经查,该故障系USB接口无+5V供电所致。而该电压是由DC/DC变换IC( RT8110 )输出的两路+5V电压提供(见图3,另一路电压用于其他接口电路)。

      由图3可知,该IC的⑤、⑦脚轮流输出正脉冲电压,使U804外的两个场效应管轮流导通,在它们的连接中点(即U804的⑧脚)对外输出+5V电压供给USB设备。而⑤、⑦脚能否轮流输出正脉冲电压,取决其②脚(输出控制端)是否为高电平。②脚电平受控于主控芯片U300 205脚。当205脚输出低电平时->场效应开关管Q804(2N7002)截止->Q804漏极为高电平,即IC②脚为高电平->⑤、⑦脚轮流输出正脉冲电压->U804⑧脚输出+5V电压。经进一步检查 ,RT8110②脚电压不足+0.2V ,②脚对地电阻不足500Ω。看来不是RT8110②脚内部对地短路,就是Q804 S、D极已击穿。焊下Q804测量,发现Q804 S、D极果然已击穿,更换后试机,电压恢复正常,故障消失。

      表1为部分贴片DC/DC变换(稳压)IC主要特性及参数(注:输出控制端旁边的电平高或低,表示为该电平时,输出端才有输出)。