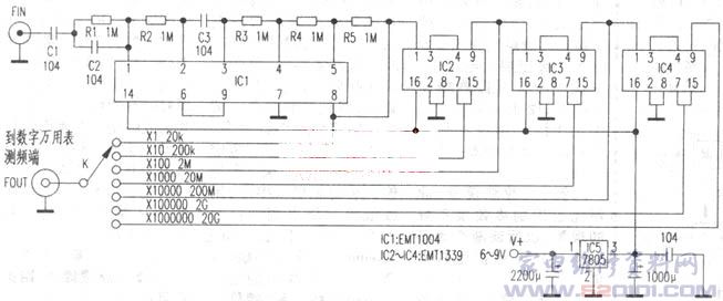
大部分电子爱好者和家电维修者都没有专用的数字频率计,而手中却有一块可以测10kHz~20kHz的音频信号数字万用表。笔者制作了一个整形分频器,将自己的数字万用表频率挡扩展到20GHz,且对原数字表无任何改动,精度较高,无须调试。分频器电路如下图所示。图中,C1、C2、C3、R1、R2、R3、R4、R5与IC1为放大整形电路,IC2、Ic3、Ic4为六级十分频电路。 
    使用方法本电路输入信号以50mV~1V为宜,且输入信号幅度不得大于5Vp—p,以免损坏电路。测频时引线耍短,超过100MHz时要使用75Ω阻抗的负载,Vp—p应大于75mW。读数时只要将数字表上的读数乘以每挡的系数即可读出被测频率。从本电路到数字表测频输入端应使用75Ω的同轴电缆,数字表可用3位半或4位半的。但测频精度后者要高一些。