一、开关电源
该电源主要由市电抗干扰、整流滤波电路和FA5641芯片构成主电源电路。变压器次级输出12V、24V电压。12V一路给伴音功放提供vcC,一路通过主板DC-DC模块降压成5V,再通过LDO线性稳压器稳压成3.3V、1.26V,5V、3.3V.1.26V分别给给主板各电路提供供电;24V-路是通过Q105、Q103、Q104组成的电子开关及单管稳压电路给Led激励芯片BD9393FP提供vcC,另一路是给LED升压电路提供电源。
1.市电抗干扰及整流滤波电路(见图1)
L1、L601是共模扼流圈,主要抑制共模千扰;CY1、CY2是共模电容,主要是抑制差模干扰(L和N分别与地之间产生的干扰);CX1、CX2是差模电容,主要是抑制共模干扰(L和N之间的干扰)。R171、R172、R173对抗干扰电容起泄放作用,关机后泄放掉CX1、CX2所存的电荷,防止损坏电路元件或者对人造成伤害。F1是3.15A保险、V1是负温度系数热敏电阻,即通常说的压敏电阻,220V交流电压超过其耐压值时击穿,保险先熔断,保护后级电路不受损坏。D1和C1组成桥式整流滤波电路,正常工作C1两端电压为311V左右。2.主电源电路工作流程
此电路主要由IC1芯片FA5641、场效应管Q1、电源变压器来组成。IC1 的⑧脚在得到启动电压的同时,该电压还通过IC1内部恒流电路给⑥脚外接电容C9充电。当C9达到12V左右时,如果IC1的②脚不欠压,IC1起振,⑤脚输出驱动脉冲,通过R111、D100加到Q1的G极。当脉冲信号正半周来的时候,Q1导通,311V电压通过初级③-①绕组、Q1的D和S极R2到地,在初级③-①绕组有变化的电流流过,形成上正下负的感生电势并储存能量。根据同名端,⑤-⑥绕组产生上负下正的感应电势,此时IC1的VCC由感应绕组⑥脚通过R117、D104整流,C10滤波,Q108导通,经Q108的c、e极加到IC1的⑥脚,IC1⑧脚和⑥脚内部的恒流电路断开。通过T1的互感作用,T1次级产生,上负下正的感应电势,D7.D8截止,电源无输出;当脉冲信号负半周到来时,Q1截止,其G极的电荷通过Q101的c、e极到地释放,T1各绕组感生电势方向反转,在T1的③-①绕组上产生上负下正的感生电势,T1的次级绕组产生上正下负的感应电势,D7、D8正偏导通,分别输出12V、24V电压。由此可以看出,该电源是反激式电源,即开关管导通,次级整流二极管截止,开关管截止,次级整流二极管导通,开关管和电源次级整流二极管是轮流导通的。
3.主电源电路组成分析
IC1开机启动供电电路:由D3、R108、R109、R110组成。开机瞬间给IC1的⑧脚供电,通过内部恒流源给⑥脚外电容C9充电。
VCC供电电路:IC1正常工作时的vcc供电电路由T1的⑤-⑥绕组通过R117、D104、C10、R119、Q108、ZD100、C9与IC1的⑥脚组成,当c9充电到12V左右时该电路启动工作,此时IC1的⑧、⑥脚内部恒流电路切断。
市电欠压保护电路:此部分电路由D9、D2整流,经过R100、R101、R102、R103、R104、R105电阻分压,加到Q100的b极。当市电电压正常时,Q100导通,Q102截止,此时对IC1的②脚无影响,芯片正常工作。当市电欠压时,Q100截止,(,Q102导通,IC1的②脚被短路到地,IC1内部电路停振,无驱动脉冲输出,起到欠压保护的作用。
灌流电路:IC1的⑤脚R111、D100、Q101、 R113、R114组成灌流电路。工作过程:⑥脚输出正脉冲时,该脉冲通过R111.D100加到Q1,使Q1导通;当⑤脚输出负脉冲时,Q1截止,Q1储存的电荷通过R114、Q101的c、e极到地释放。R113 的作用是关机后泄放掉Q1残余的电荷。
开关管电流检测电路:由R2、D106、R5和IC1的③脚内部完成。Q1过流时,流过R2的电流增大,R2两端的压降增大,使IC1的③脚电压上升,通过内部电路处理,使IC1停振,保护Q1的安全。2V取样稳压反馈电路:由R122、R123、R124、C21、R125、C23、c22、R121、R120、IC2、IC3、IC1的②脚内电路组成。当12V电压升高时,通过R122和R123分压后的电压升高,IC3的R端电压升高,K端电压下降,IC3导適,IC2的①、②脚导通电流增大, IC2的③、④脚内阻减小,IC1的②脚电压被拉低,经过IC1内部电路处理后调整PWM的占空比,使12V稳定输出。当12V电压下降时,稳压过程相反。
补偿电路: 由R133、R686、Q4、Q3、R11、R132、ZD102组成。当24V不变、12V负载加重时,电流增大,12V电压降低,当ZD102两端电压超过15V击穿,24V通过R686加到Q3的e极和Q4的b极,24V也通过R133加到Q3的b极,Q3导通,Q4也导通,24V经过Q4的c、e极加到R11,在R11两端产生压降,给12V分担一部分电流;当12V 不变、24V轻载时,24V电压会升高,当ZD102两端电压超过15V时,zD102击穿,Q3、Q4导通,在R11两端产生压降,不至于使24V电压大幅度上升。由此看出,这部分电路一般是不工作的,只有当12V负载加重.24V负载变轻上升时或12V负载变轻、24V负载变重时,这部分电路才起作用。
FA5641引脚功能:①脚为过零检测端;②脚为电压反馈及市电欠压检测端;③脚为开关管过流检测端;④脚接地;⑤脚为驱动脉冲输出端;⑥脚为vcC;⑦脚空;⑧脚为启动电源端。主电源电路图见图1。
4.恒流板电路
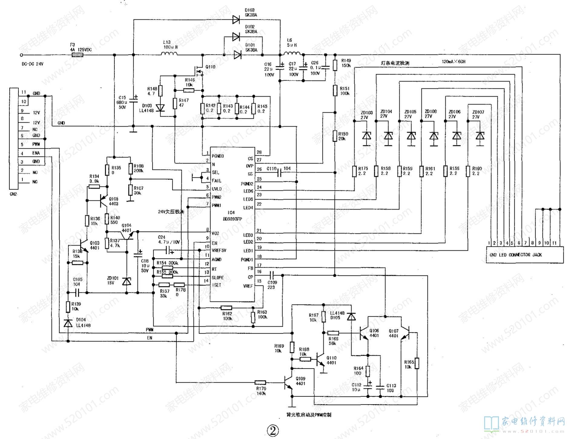
在LCD电视中背光板通常称为“高压板”,而LED电视,我们常把为灯条供电的板子称为“恒流板”。该款IED背光电路主要由BD9393FP和BOOST升压电路产生6通道LED电压输出,每个通道电流120mA,升压后输出40V~50V直流电压,用于点亮LED灯条,实现升压和恒流处理。
BD9393FP芯片工作条件:当机器二次开机后,CN2 的④脚过来的使能信号一路加入IC4的⑨脚(约3.2V), 一路通过D104、R139、R138为Q103提供偏置电压,Q103导通,Q105导通,24V通过F3保险电阻、Q105的c、e极给Q104提供偏置电压,Q104导通。Q104、R137 ZD101、C18组成单管稳压电路工作。因为ZD101是15V稳压管,所以IC4的⑧脚vCC大约是14.4V(不考虑IC4内阻),通常⑧脚正常电压会在12V~14.4V之间,这样8脚有正常的vCC,主板送往⑥、⑦脚PWM正常,10脚就会有5V基准电压产生,只要5脚外接的24V取样正常,12脚RT无元件损坏,2脚就会有正常的PWM驱动脉冲输出,驱动Q110开关管工乍,L13储能增加,在Q110截止时,L13对负载提供动力,并叠加上24V电压,这样在C16正端得到48V左右的电压为灯条供电。故Q110、L13、D101、D103、C16、C17、IC4与负载构成并联型开关电源,也叫“自举升压电路”。
灌流电路: 每个有MOS管作为开关管的开关电源,MOS管的b极都接有灌流电路,这是很重要的电路,这部分电路损坏,开关管就会遭遇不测,所以说MOS开关管击穿,必须要查灌流电路。这款板子的灌流电路由放电二极管D103、限流电阻R147、R148、关机放电电阻R146及IC4的②脚组成。工作过程在电源电路中已做分析不再赘述。在此介绍一下D103、R146的作用,D103在Q110截止时放掉Q110的G极电荷,R146在关机后泄放Q110的G极电荷,防止再次开机瞬间累积高电压击穿Q110。
背光亮度调整:这部分电路由CN3的①脚~⑥脚LED负极、IC4的19脚~24脚、CN2的⑤脚主板过来的PWM脉冲、Q109、Q110、Q107、Q106、IC4的17脚组成。其中,Q109、Q110、Q106组成主板反映画面亮度变化的PWM背光亮度调整电路,控制17脚电流,经IC内电路调整灯管电流的电路。当画面亮度升高时,主板反馈的PWM上升为高电平使Q109导通,Q110截止,Q106导通Q107截止,经内电路限制背光的亮度。当Q106的e 极电容C12、C113充满时,Q106截止,保证电视机光栅出现,当PWM下降,Q109退出导通状态时,Q107工作在放大状态,使叼脚电压下降,背光亮度上升。
LED灯工作电流检测:每根灯条负极电流检测电阻R156、R158、R159、R160、R161、R175 两端压降大小,反馈到IC4的19~24脚内部处理,使开关管工作在断续导通工作状态,让LED背光恒流、亮度恒定。
BD9393FP引脚功能见表1,相关电路见图2。
二、检修提示
不管是电源电路还是恒流板电路都可当作开关电源来维修,笔者一般都是空载维修,如果不行,在12V、24V接上电茶壶的加热管当假负载试机。1.首先是目测,如果发现烧黑或电容鼓包,可对其周围细查。
2.用万用表检测保险有没有烧断,烧断通常是市电抗干扰整流电路、开关管、激励芯片等有严重短路处,整流输出电路也需要检查一下。
3.当发现MOS开关管击穿时,首先查灌流电路,包括激励芯片;如果MOS管无二次击穿,通常是灌流电路损坏造成的,然后检查吸收电路的电容和二极管。
4.无明显短路的故障,通常可检测激励芯片的启动脚、VCC、电压取样检测电路(欠压、过压)。
5.背光不亮的故障。如果开机瞬间背光也不亮,可以测CN2的④脚和⑤脚电压,通常可以去掉与主板的连接,外接3.3V电压到④脚和⑤脚,检查IC4的⑧脚VCC是不是正常,不正常则检查Q103、Q104、Q105相关电路,正常则检查频率设定电路、基准电压、24V欠压检测电路。
6.开机瞬间背光亮下就灭故障。检查一下升压 电路过压检测电路,灯条有没有严重短路。图像正常,背光暗的故障,只要LED供电正常通常都是灯条上LED有损坏。


网友评论