• 长虹SG6800LN-CA06户户通机顶盒显示异常3的故障维修

    接修一台长虹SG680OLN-CAO6型户户通卫星接收机,用户称:观看几分钟后屏幕出现“异常3”提示。查看该机故障代码得知,“异常3”表示CA智能卡中储存的模块串号与机器定位模块串号不一致。询问用户是否更换过智能卡用户也不清楚。通电打开机顶盒...

    陈晓军   2022-06-01

  • 康佳SDC950数字电视机顶盒电源板电路原理与故障维修

    康佳SDC950型数字电视机顶盒开关电源实绘电路如图1所示(C969原板标注为电容,实际安装的是一只电阻)。开关电源电路N901(DM0265R)集成了PWM控制器、功率管及驱动、高压启动、稳压控制、保护等电路,①脚接地,②脚为工作电源输入端...

    任忠宝 徐方圆   2022-05-31

  • 用M3小板代换户户通机顶盒位置锁定模块

    接修一台博尚BS-ABS666N标清定位型户户通接收机,开机收看几分钟后便弹出“位置锁定模块异常1"对话框,无法正常收看。拆机,发现该机使用早期一代签名的IMEI码QW300模块,如图1所示。 &nbs...

    陈晓军   2022-05-30

  • 由机顶盒失常导致液晶电视图像花屏的故障一例

    接修一台三星LA37R71B液晶电视机出现花屏,机主称开始只有小部分花,一周后 变成现在这样(如图1所示),伴音正常。我开始以为是逻辑板或上屏线出问题,经一-位做售后服务的好朋友指点,改变信号源,用DVD视盘机放碟,果然图像正常,最后换一台机顶盒解决问题。...

    熊光幸   2022-05-30

  • ZgemmaH5接收机八切一和四切一开关的设置方法

    在卫视发烧圈内,多星接收很普遍。多星接收是指用一台接收机通过切换开关接收多颗卫星卫视节目。要实现多星接收,首先接收机要支持相应的切换开关,其次要合理选择切换开关并正确设置。用于多星接收的切换开关有13/18V 开关、22kHz开关...

    郑秀峰   2022-05-30

  • 巨鹰GE-8810B数字机顶盒无信号的故障维修4例

    例1:开机后红色电源指示灯亮,绿色信号锁定灯不亮,前面板数码管有显示,遥控及面板按键正常,屏上有正常的菜单显示,同时显示“没信号”,换用另一台机顶盒,能收到信号,这说明有线电视信号正常。 该机主芯片采用美国卓然公司生产的解码芯片Z...

    郑秀峰   2022-05-29

  • 中星高清HD-01地面波接收机不启动的故障维修

    接修一台中星HD-01地面波高清接收机,开机后一直显示LOGO界面,前面板显示“ON"字样。拆机测量,主板上C250两端电压为+5V,U7(AMS1117-3.3)输出端电压为+3.3V,C258两端电压为+1.8V ,C260两...

    陈晓军   2022-05-29

  • 奥歌卫星机顶盒开机三无的故障维修

    接修一台奧歌卫星接收机顶盒,上电后三无。拆机目测,发现保险管F1烧黑熔断。更换F1后,在路检测电源板,未发现不良元件。上电后只听"砰”一声响,F1再次损坏。再次测量,发现整流桥二极管D1、D3击穿。根据经验,300V滤波电容性能不良易导致整流...

    刘文锦   2022-05-12

  • 创佳TNL-3000数字有线电视机顶盒无信号的维修

    接修一台创佳TNL-3000型数字有线电视机顶盒,开机后绿色电源指示灯亮,前面板数码管显示;待系统启动后,遥控器及面板按键操作正常,黄色信号锁定灯不亮,电视屏幕上有正常的菜单显示,但接收不到信号。换用另一台机顶盒,能接收到信号,这说明原机顶盒...

    郑秀峰   2022-05-10

  • 益德兰GLD-799ABS-CA02户户通机顶盒通电无反应的维修

    接修一台益德兰GLD-799ABS-CA02型户户通接收机,通电后无反应。通电,测量电源板输出的5V、15V和20V电压均正常,但主板上的稳压块U7(1117-3.3 )输出电压仅0.86V,且发热严重,怀疑3.3V负载有短路现象。拆下U7后,将维...

    陈晓军   2022-05-10

  • 希典ABS-208-GC03型卫星接收机通电无反应的故障维修

    一台希典ABS-208-GC03型卫星接收机,上电开机后无任何反应。拆机检查,发现电源板无电压输出。断电,测量+300V滤波电容两端电压,发现消失很慢,由此判断电源没有起振。该电源板以厚膜块KA5M0365R为核心元件组成,如图所...

    陈晓军   2022-05-10

  • 神州SABS-28037TV 1-CA01型双模卫星接收机卡死在LO

    一台神州SABS-28037TV 1-CA01型双模卫星接收机,有时开机后卡在户户通LOGO界面上,有时能正常进入系统,但弹出“模块准备成功”对话框。拆机,测量电源板+5V输出电压为4.81V,更换滤波电容C13(1500uF)无...

    陈晓军   2022-05-10

  • 佰视达ABS-S GK001-CA01户户通反复自动重启的故障维修

    接修一台佰视达ABS-S GK001-CA01型户户通卫星接收机,开机后当电视画面出现“正在启动”字样时便自动重启,反复如此。上电,测主板上的3.3V供电为3.2V,2.5V和1.2V供电均在正常范围内。因3.3V供电稍低,笔者将维修电源调到...

    陈晓军   2022-05-10

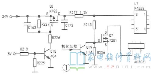
  • TCL TJS3052-K21-CA01-L户户通收不到左旋节目的维

    接修一台TCL TJS3052-K21-CA01-L型户户通卫星接收机,开机后无声音,且收不到左旋节目。该机极化电压切换电路如图1所示。在接收左旋信号时,测量Q19的c极电压仅为0.68V,无法使场效应管Q7导通,当然就不能接收...

    陈晓军   2022-05-10

  • 新大陆NL-71数字机顶盒电源指示灯不亮无反应的故障维修

    接修一台新大陆NL-71数字电视机机顶盒,故障表现为上电后电源指示灯不亮,面板数码管无显示,电视屏幕也无显示。检测电源板输出电压,5.8V降为3.4V,3.3V降为1V,且电压在小幅度范围内波动。根据以往对开关电源的检修经验,开关...

    郑秀峰   2022-05-06

  • 移动网络机顶盒通电无显示的故障维修一例

    接修一台移动网络机顶盒,上电后无任何显示。该机采用AMR H6架构,板载CPU、DDR3内存及eMMC芯片,支持HDMI高清接口,具有WIFI/BT功能。该机的供电系统主要有0.9V CPU处理器核心供电,0.9V VDD-GPU处理器集成显卡...

    周明武   2022-05-02

  • 新大陆NL-71数字电视机顶盒通电数秒后自动熄灭的维修

    接修一台新大陆NL-71型数字电视机顶盒,该电源上电后绿色电源指示灯亮,前面板数码管显示"boot",电视屏显“系统正在启动中,请稍候.." ,而后电源指示灯熄灭,前面板数码管无显示,电视黑屏,此时检测电源板输出电压,5.8V变为4.5V ,...

    郑秀峰   2022-05-02

  • 南星卫星机顶盒的电源电路和特点分析

    本人介绍一款新版南星卫星接收机,主要用于接收108.29°E SES9号卫星10981H 45000参数下的70套节目。该机电源由两部分构成:一是独立的电源板,二是制作在主板上的电源转换电路。电源板以SP7623HP(U1)为核心构成,输出2...

    郑秀峰   2022-04-26

  • 国科方案户户通机顶盒巧改成村村通(图)

    前一段时间,广电总局启动机卡配对校验机制,导致市场上大量配卡的户户通(即系统CA信息中“CWE"项值为“YNY",也就是机器CA ID与智能卡中保存CA ID不一致)出现"E14"错误指示,如图1所示。由于找不到当初的开卡工号,使...

    陈晓军   2022-04-23

  • 户户通卫星直播高清机顶盒型号和生产厂家列表(2022年)

    为了更好满足人民群众对美好生活的新期待,提升广播电视服务质量和水平,已通过国家广电总局入网认定并在有效期内卫星直播高清终端已达59款,如下图所示(数据截至2022年4月20日)。这些高清终端还可收看CCTV1、CCTV2、CCTV4、CCTV6...

    国家广电总局卫星直播中心公众号   2022-04-21