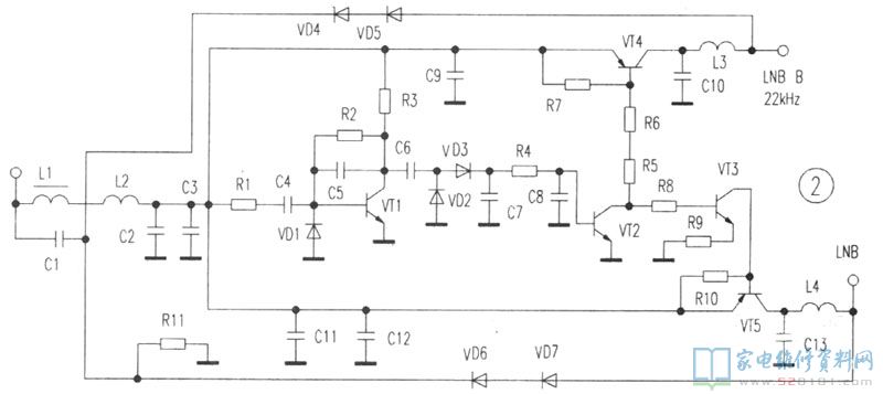
使用较多的22kHz开关是继电器式切换开关,致命缺点是随着使用时间的延长,继电器触点烧蚀后使开关切换不灵。虽有烧友试制无触点的电子切换开关,报刊上也有相关报道,但生产厂家投放市场的电子切换式开关并不多见。前不久,笔者邮购了一只22kHz的佳讯SW-03/Q无触点电子切换开关,并对其进行了剖析。下图1是佳讯SW-03/Q切换开关的外形图,下图2是根据实物绘制的电路原理图,元件顺序号为自行标注。 


一、电路原理

        佳讯SW-03/Q开关主要由谐振、放大、倍压整流和电子开关等电路组成,受控于数字卫星接收机,极化电源从开关的LNB A或LNB B端子输出,室外LNB得电工作后下传卫星中频信号,经LNB端子和已导通的VD4、VD5或VD6、VD7输送给数字卫星接收机,电源、控制信号与下行的中频信号在切换器中各行其道,相互干扰很小。数字卫星接收机工作时输出的22kHz信号经切换开关输入端子RX输送给由L1、L2、R1、C4等组成的谐振电路,再进入由VT1组成的放大电路,放大后的22kHz信号经C6耦合至由VD2、VD3、C7组成的倍压整流、滤波电路,转换成直流电压驱动电子开关电路实现LNB的切换。当数字卫星接收机输出22kHz信号时,VT2 b极为高电平,VT2导通,VT2 c极、VT4 b极为低电平,VT4饱合导通,LNB B端口输出极化电压。同时,VT2 c极,VT3 b极为低电平,VT3 c极、VT5 b极为高电平,VT3、VT5均截止,LNB A无输出电压。当数字卫星接收机无22kHz言号输出时,VT2 b极为低电平,VT2 c极、VT4 b极为高电平,VT4截止,LNB B端口无输出电压,同时,VT2 c极、VT3 b极为高电平,VT3导通,VT3 c极、VT5 b极为低电平,VT5饱合导通,LNB A端口输出极化电压。

         与同系列的佳讯SW-03/E继电器式22kHz切换开关相比,从数字卫星接收机显示的信号强度和信号品质看,二者差别不大,但此类开关可实现无声切换,避免了继电器式开关长时间使用使触点烧蚀而造成的切换不灵现象。