一台康佳T2979 D1彩电所有波段都极易跑台,并且没有规律。
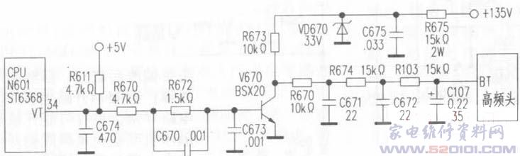
让电视机接收一个台节目,用万用表监测高频头BT端电压(注:刚触表笔的一瞬间有轻微跑台现象,是万用表内阻不是无穷大所致,微调调谐电压后,就正常了,这不属故障),发现跑台时该电压有时偏高,有时偏低。但VD670两端电压不论是否跑台,都很稳定(见附图),说明调谐电路的供电没问题。
怀疑高频头有问题,把R103通往高频头BT端的一端悬空,用10k可调电阻从整机+12V处引入一个合适的电压给BT端供电,结果此电压很稳定,也不逃台。这说明高频头没有问题,故障应该在调谐电压形成电路。用数字万用表测V670b极电压很稳定,难道是C671或C672时而漏电时而正常,使调谐电压忽高忽低而跑台,把C671和C672换新仍跑台,难道是V670(BSX20)不良,正欲拆下来,却发现V670c极周围有细小的裂纹,把V670引脚用断锯条刮干净,重新补焊,故障一扫而光。
V670为一带铁帽的三极管,还用热熔胶固定于印刷线路板的元件一面,但V670还是开焊了。修理时,最好把引脚留长点,刮干净,再补焊。
后来笔者遇到多台采用LA7688N解码芯片的彩电电(如T2977D1、T2518D、T2519D、T2587D1、T2530D1等),发生跑台现象都因V670虚焊所致。

网友评论