接修一台上菱BCD-180W型无霜冰箱,制冷效果差。用户反映,自从第一次因损坏风扇电机送修后,最近五个月时间连续烧坏三个风扇电机。每次都是修理后的十几天制冷正常,以后制冷效果越来越差,一个半月后就无法使用了。
        检查发现压缩机能正常运转,分析是自动化霜系统有故障。打开冷冻室前盖板,发现蒸发器已被冰霜堵满,密不透风,因此造成制冷效果差甚至不制冷。再查风扇电机,扇叶已被霜层牢牢卡住不能转动。接通电源,拨动化霜定时器手动旋钮至化霜位置,化霜加热器开始加热除霜,大约过4分钟左右,定时器内部凸轮机构使触点动作,化霜停止,压缩机启动又开始制冷,但蒸发器上的霜层还未化掉,可见是自动化霜电路有问题。断电后,试着将定时器内驱动电机引出线(PT④脚)拔掉,再拨动定时器手动旋钮至化霜位置,然后通电,这次化霜不受定时器时间限制,冰霜被完全化掉。断电后拆下风扇电机,检查绕组已损坏。由于此前已连续烧坏过三个风扇电机,不能又换个风机就了事,所以对照电路原理图仔细检查,发现上一维修者将化霜定时器换错了,误用802-2型定时器代换该冰箱使用的802-1型定时器。换上正确型号定时器和新风机后,冰箱制冷恢复正常,运行数月故障再未发生。

         故障原理分析:

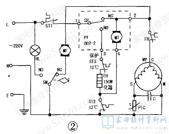
         1.上菱无霜电冰箱有两种自动化霜电路:一种使用802-1型定时器,电路原理如图1;另一种使用802-2型定时器,电路原理如图2。

         化霜原理简述如下:(1)图1电路加电后,定时器PT①、②脚接通,220V市电有三个并联用电支路,一是压缩机MY经过载保护器FR得电制冷;二是定时器内驱动电机MT、化霜超温保护器ST3(76°C)内部常闭触点及化霜加热器EH(220V/150W)分压,因制冷状态下ST3压降为0V(常闭触点阻值为零),EH(阻值为320Ω)压降为8.2V~9.6V,故市电基本上加在MT(阻值约7k~8k)两端,约为211.8V~210.4V,所以MT转动计时;三是经门控开关SM使风机MF转动散冷。经过8个小时制冷,MT驱动的凸轮的凸部使定时器触点发生转换,即PT的①、②脚断开,①、③脚接通,此时压缩机MY、风机MF失电停止工作,MT也因化霜温控器ST2(13°C)常闭触点将其短路而停止转动计时,EH则经ST2、ST3得电开始加热化霜。由于停止转动,其凸轮的凸部一直保持使①、②脚断开,①、③脚接通,所以化霜时间长短不受定时器限制,只有结霜全部化完并使ST2感测到13C温度时,ST2触点自动断开,MT短路解除后开始转动,大约经过2~10分钟,凸轮的凸部转过去后,PT触点叔切换成①、②接通,①、③断开的初始位置,化霜过程结束,新一轮8小时制冷开始。大约制冷温度下降到8C左右时,ST2触点自动复位闭合,为下一次化霜做好准备;

        (2)图2电路加电后,定时器PT 1、②脚接通,市电有三个并联用电支路,一是FR、MY支路开始制冷;二是MT经化霜温控器ST2得电转动计时;三是风机MF经门控开关SM得电转动。MT经8个小时运转,定时器凸轮控制PT①、②脚断开,压缩机MY、风机MF及驱动电机MT均因失电停止工作。与此同时Pt①、③脚接通,EH经ST2、ST3得电加热化霜。这时,MT、FR、MY串联在一起后被 ST2常闭触点短路,定时器PT停止计时,当霜层全部化完(不计时间)并使sT2感测到13°C温度时,ST2触点断开,220V市电经ST1 PT的①和③脚, ST3、EH、MT、FR及MY构成回路,由于EH(阻值320Ω)和MY(工作绕组C-M阻值约20Ω)与MT(7k~8k)阻值相比相差甚远,所以MT两端获210~211V电压开始转动,经2~10.分钟后,定时器凸轮转过后,①、②脚接通,①、③脚断开,开始新--轮8小时制冷、化霜循环。

        2.对两种定时器进行比较,发现其相同点为采用同型号的驱动电机MT、转换开关SP及凸轮结构,外形相似,都有4个引出脚,①、②脚接通时间为8小时,①、③脚接通时间为2~10分钟(MT驱动情况下), 电机MT绕组直流电阻为7~8kΩ;不同点为驱动电机MT内部接线点有区别,802-1型的MT与定时器①脚相连通,802-2型的MT与定时器②脚相连通。

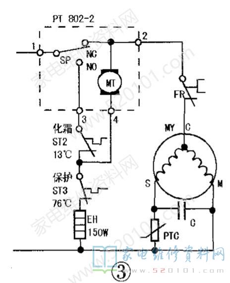
        3.错用802- 2代换802-1,见图3,在pT①、②脚接通的制冷状态,FR、MY支路有电使压缩机运转制冷,MT、ST3、EH支路因MT分得211.8V~210.4V市电,所以MT转动计时,此时图3工作状态与图1制冷状态一样,经8小时左右制冷工作后,PT的①、②脚断开,①、③脚接通,进入化霜状态,其等效电路如图4。

         此时市电经PT①和③脚、ST2后,一是EH获220V电压加热化霜;二是MT获219V以上电压转动计时,即化霜和定时器同时工作。由于①、③脚接通时间只有2~10分钟(受凸轮控制),此后①、③脚断开,①、②脚接通,又开始制冷,在EH通电加热的2~10分钟内,不可能将蒸发器上的冰霜化掉,若干天后就会产生制冷效果越来越差的故障,并将扇叶冻住而烧损风机。

        4.错用802-1代换802-2,见图5,在PT①、②脚接通的制冷状态,压缩机MY运转制冷,驱动电机MT转动计时,即制冷时图5和图2工作原理相同。经8小时后Pt①、②脚断开,①、③脚接通,进入化霜状态,其等效电路如图6。

         可以看出,此时MT、EH并联在-起接在220V电源上,两者同时工作,经2~10分钟化霜加热后,PT①、③脚断开,①、②脚接通,又开始制冷,霜层不可能在2~10分钟化掉,因此产生冰霜堆积和烧坏风机故障。

         结论:通过上述分析可见、无论错用802-2代换802-1,还是错用802-1代换802-2定时器,均因化霜加热器和定时器驱动电机同时工作,而化霜不尽,产生冰霜堆积,使制冷效果越来越差,最后不制冷,并将扇叶冻住烧损风机。