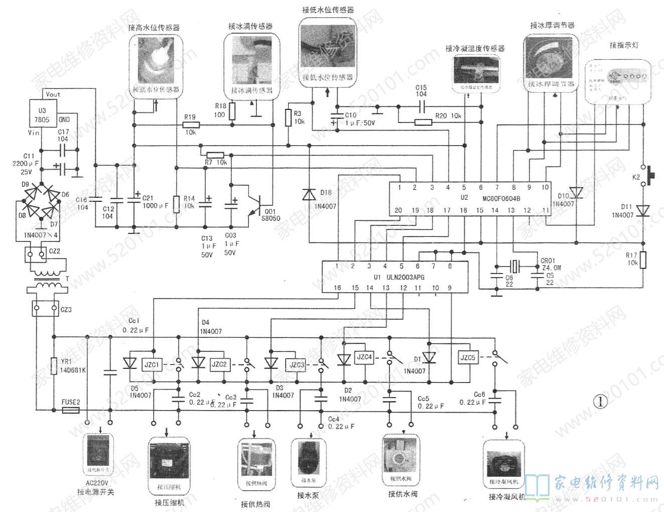
在本网上一篇《图解小型整体式制冰机工作原理与故障分析》一文中,该文以广州松菱电器厂生产的SL-30型制冰机为例,对其对工作原理及故障以图解形式进行了介绍,现笔者根据该机电路板实绘出其控制电路图,如图1所示,并对其进行简单分析,供实修时参考。
一、电路工作原理1.电源电路
市电AC220V从开关输人后分两路:一路去继电器JZC1~JZC5的常开触点,分别为压缩机、供热阀、水泵、供水阀、冷凝风机提供AC220V电源;另一路经插座CZ3到变压器T降压,整流二极管D6~D9桥式整流,电容C11滤波,三端稳压集成电路7805稳压后得到5V直流电,为单片机、传感器、指示灯提供电源。
该电路损坏后的常见故障现象是整机不能工作,常见损坏元件有保险管FU断路,压敏电阻NR击穿,变压器初级断路,7805损坏等。
2.晶振电路
该电路由C5、C6与晶振CR01内部电路组成,产生4MHz振荡信号,为单片机提供工作标准时钟。该电路损坏后的常见故障现象是整机不工作,常见损坏元件为晶振,正常时晶振两脚电压约为2.5V。
3.复位电路
D18、R17、D11、K2组成上电复位及手动复位电路,其作用是使电脑芯片中程序计数器指向起始地址,重新开始执行程序,以提高制冰机电控部分的稳定性和可靠性,防止单片机初次上电或受到强千扰信号出现死机。在电脑芯片复位时,向单片机15脚(复位脉冲输入端)加上低电平脉冲,当电路正常工作后,复位端的电压不低于4.6V(高电平)。该电路损坏后的常见故障现象是整机不工作或死机,常见损坏元件是电阻R17阻值变大或D18损坏。
4.检测及驱动电路
芯片根据检测到水位、冰满、冷凝温度、冰厚等各传感器及冰厚调节器量,自动运行相关程序,驱动相应指示灯,并通过反向器ULN2003驱动继电器JZC1~JZC5,从而达到控制压缩机、供热阀、水泵、供水阀及冷凝风机等负载的目的。
二、制冰机的工作过程
1.制冷系统启动
接通电源开关,进水阀通电,开始进水,并能自动控制水位。热气阀自动平衡系统压力,压缩机首次通电,延迟30s后启动。压缩机一旦启动,在整个制冰和脱冰过程中保持工作,冷凝风机受冷凝温度控制工作,压缩机启动后再延迟30s后水泵启动工作。
2.预冷制冰
在水泵启动工作前,压缩机先通电工作30s,对蒸发器(冰模架)进行预冷,经过30s预冷后,水泵工作,水流被导人冰模架,流经每-一冰格后被冷冻,当达到设定冰块厚度时,冰厚检测器接收到信息,或制冰时间超过45分钟,制冰机自动进人脱冰过程,热气电磁阀开始工作,水泵停工作,热气流过蒸发器加热,开始脱冰。但若制冰时间不到5分钟,制冰机将不会启动脱冰程序( 即制冰锁定时间最少为5分钟)。
3.脱冰
当热气电磁阀打开后,热的制冷剂气流对冰模架加热,使冰块成片滑落并掉入储冰箱,滑落的冰块掉下,推开滑冰板并迅速复位,结束脱冰,并重新开始制冰程序,如此反复循环。
4.冰满停机
当脱冰程序完成时,若储冰箱冰块已堆满,成片冰块不能掉下,压在滑冰板上,使其持续打开,不能复位,持续30s后,制冰机将自动停机(停机锁定时间为3分钟),直到取出足量的冰块,滑冰板复位后,并且停机时间已满3分钟,制冰机才重新启动工作。
三、主要IC介绍

本机电控板上主芯片采用MC80F0604B,其引脚排列如图2所示,引脚功能见表1。
ULN2003是一个7路反相器电路,引脚排列如图3所示①~⑦脚为输入端, 16~10脚为输出端,⑧脚电源负极,⑨脚接电源正极。当ULN2003输入端为高电平时,对应输出端为低电平;当输入端为低电平时,对应输出端为高电平。

网友评论