传统的开关电源采用无源功率因数校正技术,功率因数仅为0.75左右。输人电压和输人电流间存在较大相位差,输入电流呈脉冲状,非正弦,谐波分量很高,不仅给电力系统带来了严重污染,更重要的是造成了电网能源的浪费。在当前大力倡导绿色电源的背景下,提高开关电源的功率因数已经成为电源厂商的当务之急。以功率因数控制芯片为核心的有源功率因数校正电路体积小、重量轻、输入电压适应范围宽和效率高(功率因数接近于1)的优势正逐步取代无源功率补偿技术,在各个领域获得广泛应用。
一、功率因数补偿工作原理
MC33262功率因数补偿控制芯片电流控制方式是CCM中的峰值电流控制方式。内部含有自起动定时器、零电流检测器、电流检测比较器、误差放大器、乘法器、驱动输出以及欠压、过压等保护电路,具体内部结构见图1所示。
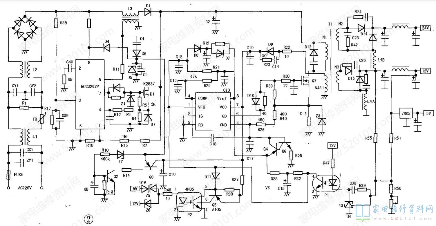
图2所示的功率因数补偿电路主要由功率因数控制芯片MC33262、功率管Q1升压电感器I3升压二极管D1、输出滤波电容C2及反馈环路组成。由于根据实物测绘,难免有错漏。芯片MC33262内的乘法器两个输人端和相关元件组成内外反馈控制电路。内环实现输人电流整形使之成为与电压同相位的标准正弦波。全波整流输出直流脉动电压通过R58和R17组成的电阻分压器取样,输送到MC33262第③脚,加到乘法器的一个输人端。因此,乘法器输出的电流基准为双半波正弦电压,作为零电流比较器的电流基准值,比较真实反应交流(AC)输入电压的波形。当AC输人电压从零按正弦规律变化到峰值时,达到乘法器的输出控制电流传感比较器的门限,迫使通过L3的电流时刻跟踪输人电压按正弦规律轨迹变化,通过的三角形高频电流的峰值包络线,正比于输,人交流电压,其平均电流则呈正弦波形,这就意味着电源输入电流也呈正弦波,从而达到功率因数补偿之目的。流过功率管Q1的电流在电阻R4上转换为电压信号,经R9、R12电阻输人到芯片第④脚,经过芯片内置阻容( RC)低通滤波器,输人到MC33262芯片内电流检测比较器的正向输人端,电感L3电流的波形呈高频锯齿三角波,在电流值从零增长到峰值的过程中, Q1是导通的,只要在R10上的传感电压超过电流检测比较器的门限电压,片内逻辑电路动作,输出功率管Q1关断;升压电感L3的副边绕组Ns用作L3的高灵敏度的电流传感器,将流过L3的电流检测后,经限流电阻R11输入到片内零电流检测器,只要电感电流一降至芯片所设置的“零”电平,则零电流检测器将通过置位门锁驱动Q1导通。在Q1导通期间,升压二极管D1截止,滤波电容C1通过负载放电,当Q1由导通跃变为关断时,L3产生的突变电势使D1正向偏置导通,L3中的储能经D1释放,对C2充电,由于Q1和D1交替导通,使整流桥输出电流经L3连续流动,这就意味着整流二极管在交流电源的半个周期内,导通角趋于180°,功率因数接近于1。升压电感L3的副边绕组Ns.上的感应电压经D6整流和C5滤波,作为MC33262芯片启动后的辅助工作电源和uC8342芯片的启动电压。

外环用作有源功率因数校正技术变换器输出直流电压的反馈稳压控制。滤波电容C2两端直流电压通过R18和R7、R15组成的电阻分压器取样,输送到芯片内部误差放大器的反相端,并与误差放大器同相端精密参考电压Vref比较,产生.一个直流(①C)误差电压,作为乘法器的另一路输 人,控制MC33262输出PWM驱动信号,调节功率管Q1的占空比,以使输出电压稳定。当输出电压上升时,误差放大器输出电
压下降,使乘法器输出的基数电流值下降,开关管的导通时间缩短,流过电感的电流下降,从而使输出电压下降,反之,使输出电压上升,以达到稳定输出电压的目的。
MC33262片内设有欠电压、过电压封锁保护电路;当输人电压下降至使第⑧脚电压低于内置8V参考电压时,封锁PWM脉冲输出;当输出电压升高导致第①脚电压超过1.08V参考电压时,禁止芯片⑦脚驱动脉冲输出,以保证功率因数补偿电路及主电源电路的安全。
二、主电源工作原理
1.主电源电路是典型的单管他激式开关电路,整个电路的核心是脉宽调制(PWM)控制芯片UC3842。图1中可以看出,UC3842的反馈输人端②脚接地,所以,误差放大器的输人误差电压总是恒定不变的,通过调节误差放大器的增益来改变放大器的输出,从而改变开关信号的占空比,使得输出电压在负载发生较大变化时,输出电压基本不变,具有很好的稳压效果。由C11、U4、光电耦合器P1等相关元件组成反馈稳压电路。当某种原因使输出电压升高时,输出电压经R50、R51、R55组成的电阻分压器取样,输人到U4控制极的电压也升高,流过光电耦合器的电流上升,uC3842第①脚电压下降,uC3842增益下降,第⑦脚输出的脉冲占空比减小,功率管Q7导通时间缩短,从而使输出电压下降,反之,使输出电压上升,以达到稳定输出电压的目的。变压器T1次级有三路输出,分别经整流滤波后获得12V、24V工作电压,N4绕组的电压经D9整流和C10滤波后获得的16V电压,作为UC3842启动后的工作电压。
2. 过流保护电路由电阻R26、R40、R41和晶体三极管Q4、Q6等相关元件组成。当某种原因使负载电流上升或短路时,开关管Q7的电流上升,电流取样电阻R41上的电压上升,送到UC3842保护端③脚的电压也上升,当脚电压上升到1V时,其内部保护电路动作,致使⑥脚输出驱动脉冲占空比减小,输出电压降低,UC3842的供电电压Vaux也跟着降低,当低到UC3842不能工作时,整个电路关闭。同时过流自锁保护三极管Q4.Q6导通,uC3842第⑧脚输出的5V基准电压通过Q4加到③脚保护端,实现过流自锁保护。
3.由D11 D16、Z5、Z6和光电耦合器等元件组成5V、12V过压自锁保护电路。如当某种原因使12V输出电压过压时,稳压管Z6击穿,光电耦合器P2(4N35)内的二极管导通发光,其三极管得光而导通,导致二极管D11也导通,UC3842的①脚电压被钳制在1V以下,其⑥脚输出脉冲占空比为0,主电源停止工作。同时,三极管Q5导通,从而实现过压保护自锁。
三、故障分析与排除
故障现象1:开机后主机无反应,电源风扇无瞬间转动现象,测量各路输出电压为0V。分析检修:开机瞬间电源风扇不转动,可以断定故障在电源部分,负载电路无关。排除方法:打开电源盒,清除内部灰尘后,发现保险丝FUSE已断开。从电源盒中取出电路板放到维修台.上,先用静态法检查,测得升压二极管D1负极对地电阻为0Q,说明故障在D1负极以后相关电路,开关管Q3或Q7可能击穿短路。焊下Q3,测量源漏极击穿,进一步检查发现二极管D7也击穿短路,更换Q3、D7后,再次仔细检查相关电路没有发现其他问题。更换保险丝后,加电开机,机器工作正常。
故障现象2:开机瞬间电源风扇一转即停,主机无反应,测各路输出电压为0V,连续关机开机操作,风扇再无任何反应,只有关机十几秒后,再开机瞬间风扇一转即停。分析检修:从上述故障现象可以看出,开机后电源立即进入保护自锁工作状态,说明输入电路、功率因数补偿电路部分工作正常,故障应在以UC3842为首的主电源电路,或负载部分。排除方法:断开负载,即断开与电源连接的连接器,然后接通市电开机,故障现象不变,说明负载无问题,故障在电源部分。应重点检查主电源的反馈稳压电路、保护电路和输出电路有无元件变质开路、击穿短路。打开电源盒,静态检查电路板上的元件没有发现有异常现象,用万用表电阻挡测量各路电压输出电路对地电阻,未发现有短路故障。加.电开机后,测量UC3842各脚工作电压,发现其①脚电压只有0.8V,可见过压保护电路已保护自锁。焊下隔离二极管D11断开过压保护电路,并将两块万用表的红笔分别接在12V、24V电压输出端,黑笔接地后,通电开机并注意观察电压表(如输出电压正常,故障在过压保护电路,否则应重点检查反馈稳压电路及其他相关电路),发现12V、24V输出电压均高出正常值3V以上,立即调整电位器VR1至最大值后,测得12V输出电压为13.2V,24V输出电压为25.5V。关机断电后,用万用表电阻挡仔细检查反馈稳压电路相关元件,未发现有元件异常,更换精密电流控制集成块431后,通电开机,测得12V和24V输出电压分别为10.1V和20.9V,调整VR1使各路输出电压达到正常值。关机断电后,焊好D11,接上过压保护电路,通电开机,一切正常。
故障现象3:故障现象同故障2。排除方法:判断分析方法同前。打开电源盒取出电路板置于维修台,然后通电开机,测量UC3842集成块各脚对地的工作电压,发现其③脚电压为2.1V,说明电源工作在过流保护自锁状态。断电静态检查过流保护自锁电路,分别焊下三极管Q4、Q6,用万用表测量,发现三极管Q6集电极与发射极漏电严重,更换Q6后,电源恢复正常工作。
网友评论