液晶电视本身不发光,而是通过其内设的CCFL灯管发光而提供背景光源的。液晶背光灯驱动电路、保护电路是故障多发部位,通过对背光灯管及驱动电路的特性、构造、组成、要求和电路原理分析,可以帮助我们更好地理解并维修液晶电视的背光板。
冷阴极液晶灯管要求高效率、长寿命,那么对其灯管的供电、激励部分要符合灯管的特性,供电电源必须是交流正弦波,频率为40Hz~60kHz左右,触发电压在1200V~1600V,维持电压约是触发电压的三分之一到二分之一(由灯管的长度和直径决定)。由于每一只灯管的电压/电流特性并不完全一样,灯管不能直接并联使用(串联应用虽然可以点亮,但由于特性的差异,会造成相串联的灯管亮度不同,会使得整个屏幕的亮度不均匀),所以在多灯管液晶屏中,每一只灯管均配有一只单独的高压变压器,图1是三星32英寸屏的背光灯高压驱动板,该屏有16只灯管,其驱动板上有16个高压输出变压器,图2是高压变压器,图3是三星32英寸液晶屏背光灯高压驱动电路的信号流程及简单框图。 
一、KLS-320VE背光板
目前冷阴极液晶灯管的亮度控制均采用脉冲调光,具体方法是:用30-200Hz的低频PWM脉冲波(PWM脉冲波的宽度受控于CPU)对加在灯管上的连续振荡正弦波进行调制,使连续振荡波变成断续振荡波,从而达到控制亮度的目的,其波形如图4、图5所示。 
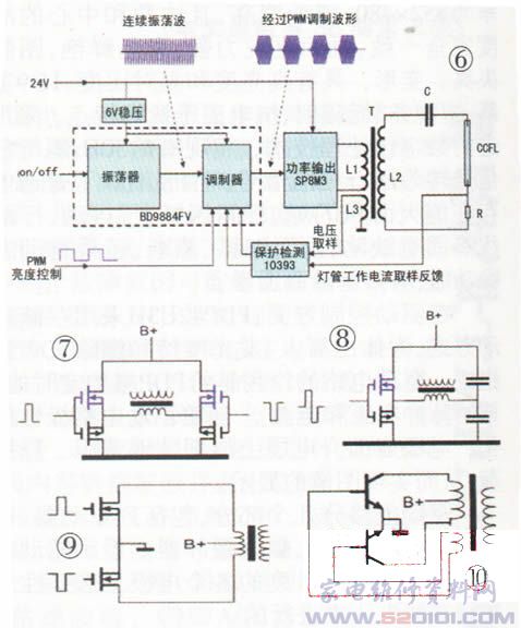
三星32英寸液晶屏有16根灯管,分为4组,每组4根灯管(24根灯管液晶屏的为每组6根灯管)。背光板原理图如图6所示。
二、功率放大器和输出电路
功率放大器的作用是把调制器调制的高频断续脉冲波经过放大到足够点亮灯管的功率。输出电路是利用变压器对功率放大后的激励信号进一步的升压,以达到激励并点亮灯管,输出电路还有一个重要的作用,就是把功率放大输出的方波转化为冷阴极荧光灯管工作所必需的正弦波。
在功率放大器中,目前各厂家生产的背光灯高压驱动电路均采用MOSFET组成的功率输出电路,电路形式有所不同,总的来说不外乎有以下四种形式:
1.全桥架构:全桥架构功率放大电路如图7所示,放大元件由4只MOSFET(两只N沟道及两只P沟道)组成,应用的供电电压范围宽(6V~24V),最适合在低电压的场合应用。适合低电压供电的设备,如笔记本电脑等。
2.半桥架构:半桥架构功率放大电路如图8所示,和全桥架构相比,节省了两只功率放大管(一只N沟道和一只P沟道的MOSFET)。在相同的输出功率和负载阻抗情况下,供电电压比全桥架构要提高一倍(电流为全桥架构的一半),用在供电电压较高的设备上(大于12V)。以上两种架构的功率输出电路中,每一个桥臂的放大元件是N沟道和P沟道MOSFET组成的串联推挽功率输出电路。
3.推挽架构:这种架构的功率放大电路如图9所示,只用两只廉价低导通电阻的N沟道MOSFET,使电路的效率更高(P沟道的MOSFET价格高、由于导通电阻大,电路的效率较低)。对于MOSFET的筛选要求也低,电路所用元件也少,有利于最大限度地降低成本。
该推挽架构对电源的稳定要求较高(如稳定的12V、24V供电的电路。
4.Royer架构(自激振荡):自激振荡器方式如图10所示,不需要激励控制电路,主要由两只功率管和变压器加反馈电路组成最简单的应用方式,主要用在不需要严格控制灯的频率和亮度的设计中。由于Royer架构是自激式设计,受元件参数偏差的影响,很难严格控制振荡频率和输出电压的稳定,而这两者都会直接影响到灯的亮度、使用寿命,并且无法对液晶屏进行亮度控制,一般应用在廉价的节能灯上。正因如此,Royer架构一般不被应用于液晶显示屏上,尽管它是本文所述四种架构中最简单、廉价的一种。
三、输出电路及正弦波的形成
背光板驱动电路中,前级(振荡器和调制器)和功率输出部分基本上是工作在开关状态的(开关状态工作效率高、输出功率大),输出基本也是开关信号。前面已经提到灯管的最佳供电电压波形是正弦波,为了保证背光灯管工作在最佳状态(对于发光亮度及寿命是非常重要的),还必须把功率输出级输出的信号变换为正弦波。
1.正弦波的转换:整个背光灯驱动电路可以把它看成是一个他激振荡器,作为一个振荡器输出什么波形,完全取决于振荡器的输出电路特性。输出电路如果是谐振电路,输出必然是正弦波。故只要把背光灯高压驱动输出电路做成一个谐振电路,就可以输出正弦波;如果谐振电路的谐振频率就是振荡器的振荡频率,那么该背光灯驱动电路就能做到最大限度地、高效地把能量传输给灯管。
2.输出电路的处理方式:在高压变压器的输出端(输入端也可以)和灯管连接处串联一只电容器C,如图11所示,电容器C和输出高压变压器输出端L及负载R(灯管)组成了一个低Q值的串联谐振电路,等效电路如图12所示。电感L和电容C串联成谐振电路,谐振时电流达到最大值,此最大电流即是流过灯管的电流。其谐振时达到最大值,也意味着功率输出的能量最大限度地输送给了灯管,由于灯管也是串联在电路中的一部分,便形成了串联谐振电路的电阻分量,所以该谐振电路是低Q值电路,即使是振荡频率略有偏差,也能保证能量的传输。 
在维修中,电感L是比较容易损坏的元件,如有损坏,一定要用和原来参数接近的电感代换,否则其性能会大幅下降,甚至不能使用。
该屏内置灯管16只,灯管驱动电路板随屏配套。该灯管驱动电路由两块BD9884及8组全桥架构功率输出电路组成,功率输出采用SP8M3 MOSFET N沟道、P沟道模块。两只SP8M3模块及输出高压变压器组成一个桥式输出架构,变压器有初级绕组X、X接功率输出模块;次级高压绕组X、X接冷阴极荧光灯管,次级低压绕组X、X作为取样电压送往BD9884的电压检测部分。
BD9884有两路激励输出,26、27脚输出一路,23、24脚输出一路。每一路激励输出向两个全桥功率电路提供激励信号,每一组全桥功率输出向两个高压变压器输出驱动电压(点亮两只冷阴极荧光灯管);这样,每一块BD9884可以驱动8只灯管,两只BD9884共驱动16只灯管。
SP8M3是N沟道+P沟道组合功率放大MOSFET模块,是具有体积小、功率大、导通电阻小、对称性好、无需散热器的贴片元件。Vds为30V,ID最大达到7A(参数如表1、表2)。 

四、BD9884FV基本电路介绍
三星32英寸液晶屏采用了两块BD9884FV完成对16灯管背光灯的激励驱动,电路比较复杂,为了便于对三星32英寸液晶屏16灯管背光灯高压驱动电路的理解,先介绍图14所示的采用一块BD9884FV构成的两灯管驱动电路的基本方案。
BD9884FV是具有两通道输出的驱动集成电路,其引脚功能见表3。图14方案是两个通道分别点亮各自一只背光灯管的激励驱动原理图,两个通道均同时受16脚输入的on/off启动信号及①脚输入的PWM亮度控制信号的控制。由26脚、27脚输出第一通道激励信号,23脚、24脚输出第二通道激励信号。 
1.第一通道高压激励驱动:BD9884FV的26脚、27脚输出激励信号,Q1、Q2、Tl、C1、CCFL1、R1组成第一通道激励驱动电路,18脚是该通道背光灯管工作状态取样反馈输入端,⑩脚是输出高压取样反馈输入端,起到输出电压异常和灯管,工作异常时即进入停止激励输出的保护作用。
2.电路特点:Q1、Q2为SP8M3功率输出模块,组成了全桥架构功率输出模式,等效电路如图15所示(BD9884FV的设计支持半桥架构功率输出模式,在本电路中增加了Q507、Q508电路,使其具有支持全桥架构功率输出的功能),输出电路由T1、C1、CCFL1及R1组成一个低Q值串联谐振电路。 
3.工作过程:在液晶电视开机后,24V电源即加于背光灯驱动电路板上,该电压直接加于Q1~Q4功率输出模块,并经过降压、稳压为6V后,加到BD9884FV的28脚作为VCC电压。此时CPU送来的开机on/off信号进入16脚,BD9884FV内部振荡器开始工作,产生100kHz方波信号送入调制器,并和CPU送来的经过BD9884FV①脚输入的PWM亮度控制信号进行调制、放大,由26脚、27脚输出激励信号,加到全桥架构功率输出电路Q1、Q2的两只N沟道MOS管的栅极(G1)上;从图15等效电路中可以看到,Q1、Q2中的四只MOS管组成了全桥架构的四个桥臂,由26脚、27脚输出激励信号,分别加到Q1和Q1功率模块的N沟道MOS管上,使其轮流导通。
放大后的激励信号则经过L1流通,经过T1升压后加到背光灯管并将其点亮;T1的L3、C1和CCFL1组成一个低Q值的串联谐振电路。谐振频率和激励振荡频率相同时,输出波形进行了正弦化的矫正;在CCFL1灯管点亮后,其T1的感抗和C1的容抗起到了灯管限流作用。R1为CCFL1灯管工作电流取样电阻,该电压反映了灯管的工作状态是否正常:当灯管工作异常时,灯管电流产生变化,在R1上产生的压降Ui也相应变化,该灯管工作电流取样电压Ui反馈到BD9884FV的18脚,控制振荡激励电路停止工作(在多灯管的液晶屏中,当某一只灯管出现故障或启动性能有差异时,即会出现屏不能启动点亮的故障)。
T1的L2为输出电压过压、欠压取样绕组,取样电压Uv反馈到振荡、控制集成电路BD9884FV的⑩脚,该取样电压uv的变化反映点亮灯管高压输出的正常与否。当电路出现故障引起该电压异常时,由⑩脚内部的比较控制电路控制振荡电路停止工作,高压变压器外形及接线图如图16、17所示。 
五、采用两块BD9884FV的16背光灯管驱动方案
三星32英寸液晶屏的高压驱动电路采用了两只BD9884FV,支持16只背光灯管,每只BD9884FV支持8只背光灯管,如图18所示。在图19中,可以看到BD9884FV的26、27脚输出通道同时激励两组全桥架构功率输出电路;其中,Q1、Q2为一组,Q3、Q4为一组,这两组的激励输入端并联后接于BD9884FV的26、27脚,一个BD9884FV输出激励通道支持两组功率输出电路。再看图中,由Q1、Q2组成的一路输出电路,在输出端连接两只高压输出变压器,并支持两只背光灯管,这样每一路通道即可以支持4只背光灯管,一块BD9884FV的两路通道即可以完成支持8只灯管。
16只背光灯管32英寸液晶屏采用如图18所示的方案,两块BD9884FV并联应用,采用一套控制信号控制,支持16只背光灯管点亮。在两块BD9884FV的16灯管支持方案中,要求两块BD9884FV的四通道输出激励信号的PWM调制脉冲,依次移相90°;这样四组灯管则达到轮流断电、供电,使亮度更均匀,干扰最小。为了达到此目的,两块BD9884FV的通讯连接移相控制在两块BD9884FV的②、③、④、⑤、⑥脚之间进行,使四通道输出的PWM调制信号的相位关系如图5所示。 
六、背光灯驱动保护电路工作原理
背光灯驱动电路向背光灯管供电,并点亮背光灯管;要求液晶屏整个屏幕亮度均匀、稳定。在实际应用中,由于电源、灯管特性、温度等原因的影响,会造成发光亮度不稳定。此时,要求背光灯高压驱动电路要有自动稳压、稳流功能;由于液晶屏是多灯管点亮,当某只背光灯管异常损坏或者性能不良时,该灯管不亮或亮度极低,液晶屏即出现亮度不均匀甚至出现暗区,这是不能允许的,此时要求背光灯高压驱动电路能进行保护性关机。
为了解决上述问题,在背光灯高压驱动电路上设置了自动检测输出电压、自动检测灯管电流,并稳定电压、电流的自动检测控制电路。当某只背光灯管异常损坏或者性能不良出现暗区时,有故障的灯管会无电流或电流极小,此时背光灯高压驱动电路设置检测控制电路,检测灯管异常电流,并控制整个背光灯高压驱动电路停止工作(黑屏),等待检修。
图20所示是该背光灯驱动电路的电压、电流稳定控制及自动检测保护电路的示意图。图中,高压变压器的L3是输出电压的取样绕组、电阻R是灯管电流取样电阻;L3的取样电压,经过电压反馈电路加到BD9884FV的电压反馈输入引脚⑩,R上的取样电压Ui(经D502、C1整流滤波,反映灯管工作电流大小),经过电流反馈电路加到BD9884FV的电流反馈输入引脚⑨脚,这两路反馈电压进入BD9884FV后,和①脚来的亮度工作PWM信号一起加到PWM亮度调制电路,完成亮度控制及亮度稳定的作用。
同时,R上的取样电压进入比较控制电路IC502和基准电压进行比较:当灯管衰老、损坏时,取样电压大幅变化,比较控制电路动作,输出控制电压进入BD9884FV的引脚17脚,使振荡器停止工作,整个电路停止工作。 

具体电路原理图如图21所示,下面以第一通道为例,详细介绍其工作原理。
(一)电压、电流反馈电路
1.电压反馈电路: T1的L2、R553、R554、D510、BD9884FV的⑩脚组成电压反馈电路。工作时,由于某些原因造成输出电压幅度变化不稳定时,L2输出的电压Uv也随之相应变化,该电压经过R553、R554分压取样后,经D510加到BD9884FV的⑩脚电压反馈控制输入端。
2.电流反馈电路:R1、D502、C1、R537、R538、BD9884FV的⑨脚组成电流反馈电路。当灯管在点亮后,由于温度变化等原因引起电流变化造成亮度不稳定时,变化的电流在取样电阻上的压降Ui也随之变化,经D502、C1整流滤波,该电压经过R537、R538分压取样后,经D502加到BD9884FV的⑨脚电流反馈输入端。
电压和电流反馈电路输入反馈信号后,进入BD9884FV内部的调制电路,和经由①脚送来的PWM亮度控制信号,在调制电路中共同作用完成亮度控制和对灯管的电压、电流稳定性控制。
(二)灯管电流异常保护控制电路
该电路由取样电路、基准比较电路及控制输出两部分组成。
1.取样电路:由Q105、R540、D530组成,取样电压仍取自Ui。灯管工作正常时,ui流入Q105的基极,Q105的集电极电流Ic上升并饱和导通,集电极电压Uc下降约为零,此时D530截止。当灯管损坏或衰老,Ui很小甚全无电压时,Q105的集电极电流Ic下降到很小甚至无电流,则集电极电压Uc上升:当上升电压大于IC502的②脚电压时,D530导通,此电压经过D530加于基准比较电路IC502的输入引脚②脚上。
2.基准比较电路:电路采用了一块比较器集成电路IC502(10393),控制精度高,且控制门槛可调,等效电路如图22所示。IC502的③脚是基准电压输入端,③脚是电流取样电压输入端,①脚是控制信号输出端,R571、R572的分压比决定了基准电压的设置(门槛)大小。 
3.比较器的工作条件:当③脚为高电平、②脚为低电平时,输出引脚①脚为高电平。当引脚③为低电平、引脚②为高电平时,输出引脚①为低电平。在正常工作时,由于取样电路送来的是低电平(电压小于1V),加于IC502的②脚,③脚的电压由R571、R572(10k)分压设置为3V,②脚电压小于③脚电压,此时①脚为高电平输出。在背光灯管损坏时,取样电路送来的是高电平(约6V),②脚电压大于③脚电压,此时①脚为低电平输出。
4.控制输出部分:IC501(BD9884FV)的17脚为保护控制输入端,连接受控于IC502的控制输出引脚①脚。BD9884FV正常工作时,17脚电压为1~1.5V(由R529、R530设定);当背光灯管出现故障时,IC502的①脚为低电平,把17脚的电压下拉为小于1V的低电平,经过IC501(BD9884FV)内部的控制,停止振荡及激励输出。由于大屏幕液晶屏是多灯管方式,所以在电路上每一个灯管均设一个取样电路,多个取样电路的输出端经过隔离二极管(D530、D830)接在一个基准比较电路的控制端(IC502的②脚)。多个灯管在工作时,只要有任意一个灯管工作异常,其升高的Uc即会通过隔离二极管加于基准比较电路上,保护电路即会动作,如图23所示。 

网友评论