刚开机有图像及伴音,约1秒钟左右即自动关机,转为待机状态;再按开机键,上述故障重现。
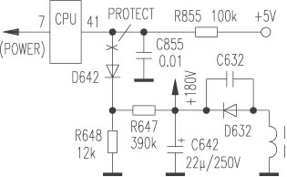
  自动关机时测行管c极电压为90V左右(正常值130V),据此判断CPU(LC864512)发出保护待机指令。待机时,开关电源工作在欠压状态下,各路输出电压均降低近1/3值。CPU电源由IC651三端稳压块稳压获得,测CPU{7}脚POWER端子电压,发现正常工作时有+5V电压输出,约1秒钟后降为0V,分析CPU发出待机指令有三种可能:(1)被保护电路有故障;(2)保护电路本身有故障;(3)CPU损坏。待机时,测CPU{41}脚保护电路输入端子(PROTECT端子)为0.7V左右,正常时应为4.9V左右。拆下附图中R855、C855检测正常,再查被保护负载电路。由该机原理图可知,该机保护电路较完善,包括开关电源输出的各路电压及行、场过载保护。分别断开各路保护电路,判断哪路负载出现故障,当断开180V支路PROTECT端子时(见附图“×”处),开关电源各路输出电压及声像均恢复正常。怀疑R647开路或R648变值(阻值变小或短路),拆下R647检测已开路,使D642导通,CPU PROTECT端子呈低电平而保护待机。将R647换新,恢复保护电路,开机一切正常。
  建议:将R647换成体积大些的1/2W同阻值电阻,因原装电阻体积小易损坏。笔者检修同故障机多台,均由R647开路引起。

                                    江西  张德群