一、0094001274B台达电源介绍:
1、规格: 台达32寸LIPS(DSP-151APA)
2、适用机型: 海尔L32F1、L32R3、L32R1、L32R3A下乡、L32M1下乡,L32A8A-A1下乡等。
3、实物正面视图:
4、接口定义:
二、0094001274B台达电源原理介绍:
1、电源工作原理框图:
2、输入电压参数:
3、电源上电时序:
4、0094001274B电源原理概述:
1)、OVP(Over Voltage Protection)过压保护: 当DC负载异常时,直流输出电压会冲高,造成如图一中A处电压也跟着冲高,ZD904导通使IC901的第12脚电压超过3V时,IC901发生Latch off保护。
IC901第12脚功能介绍:
2)、OPC(Over Current Protection)过流保护: DC负载异常或输出端短路时,次级侧流过比较大的电流,同时使初级侧也流过较大的电流,较大的电流在R903上产生较大的压降,当此电压超过IC901内部的0.8V准位时,IC901发生Latch保护。如图二所示:
3)、OTP(Over Temperature Protection)过温保护: NTC601用导热硅胶贴在Mos管的散热片上,当MOS管流过大电流导致发热且散热不良或者产品工作的环境温度过高时,IC901第3脚接的NTC601的阻值会不断下降,使第3脚的电压也跟着下降。当IC901第3脚的电压低于IC901内部保护准位VOTP=0.8V时,IC901发生Latches off保护。如图三所示:
5、0094001274B电源主要集成块功能介绍:
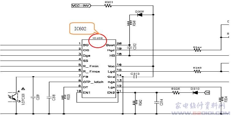
1)、IC901(DAP013)芯片引脚定义:
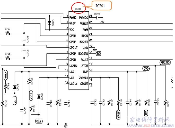
2)、IC701(引脚定义):
三、0094001274B台达电源维修介绍:
2、Standby-5V不良确认步骤:
3、主电压不良确认步骤
4、Inverter不良确认步骤
5、检修小技巧:
1)、判断IC901是否损坏 -.当怀疑IC901异常但又不是很确定时,可以拿一块良品对比量测各个引脚对地的阻抗是否一样,若不一样可以将此引脚翘起来再量测对地阻抗;若还是异常则证明IC901已经损坏。
2)、检修输出端短路 发现IC901 OPP保护动作并且又找不到不良位置在哪里,可以把二次侧Q905和Q909拿掉,用万用表量测5V和12V是否有电压,以缩小检修范围。
3)、IC602启动,保护检查 -.检查IC602的BO、CIG、SS电压是否正常,由此可以确认IC602是否可以正常启动; -.将OTP引脚断开,或将EN1/EN2对地短路,可以确认IC是否发生了OTP或OPP保护。
4)、IC701反馈、保护检查 -.将IC701的第12、13脚分别对地短路,看机器是否可以正常启动,由此可以确认机器是否发生OC/UV/OV保护; -.将第17脚对地短路,看机器是否可以开起来,由此可以确认初级侧是否可以开起来; -.量测第4脚电压是否可以上冲到第5脚电压,由此可以确认反馈电路是否正常。
5、Standby-5V不良维修实例: 故障现象:开机后5V无输出 检修方法:通电后5V无输出,VCC冲到15V启动电压后,量到IC901 Timer充电到5V发生的死机。根据不良现象初步判断是过流保护,可能的不良位置有5V/12V输出整流元件被击穿,5V/12V输出短路,T901短路,R928阻值变大,R903阻值变大。 故障原因:输出短路或OPP线路上阻值异常导致OPP保护。
6、Inverter不良维修实例: 故障现象:Inverter无输出 检修方法:通电后电源部分正常,给出BL_ON信号后Inverter无输出。首先测量IC602的BO脚和VCC脚正常(BO脚应大于1V,VCC应为15V),如果这两个电压值都正常,再去量ICG脚。检查通电后ICG脚是否能充电到7V,且ICG脚充电到7V后,SS脚会充电到2V,当发现哪个脚有异常,就检查外围电阻或电容是否有异常。 故障原因:IC602未启动 原理图分析:




















网友评论