接修一台海尔L32R1B型液晶电视,故障表现为通电后红灯亮,但二次不开机。开盖测量电源板与主板(板号是0091801439 )相连插座CN18中的5Vstb 电压正常,①脚(ON/OFF)电压为3.6V,⑥、⑦脚(+12V输出)电压为ov ,难道该电源采用低电平开机?试用镊子将①脚与5VS的电压端短接,⑥、⑦脚电压仍为0V,判断电源板(型号:HRPS32-184 )异常。

       目测电源板,发现高压瓷片电容C35( 100pF )、C36( 100pF )表面有裂纹。更换C35、C36后试机,发现二次开机困难(有时需多次按压开/待机键才能二次开机)。在二次开机后,测得电源板输出的24V供电竟高达+32V,12V输出电压约为13V。

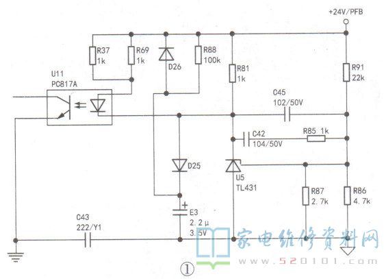
       此机电源板上的主电源只产生24V电压,12V输出电压由24V经U2 (LM34167 )DC-DC变换得到。根据上述实测电压分析,怀疑主电源的稳压电路有问题,引起24V输出电压过高,导致电路处于过压临界保护状态,从而出现二次开机困难现象。该稳压电路由U5(TL431)、U11(PC817A)等元件组成,如图1所示。

       经查,反馈取样电阻R91阻值已增至29k。更换R91后试机,24V电压恢复正常,故障排除。