• 易摄的MP3数据线政制技巧

    一般的MP3数据线,最常见的为-端是标准 USB插头,用于和电脑上的USB插口连接,另一端是Mini-B型插头,用于和MP3播放器连接。使用数据线可以给MP3充电,也可以从电脑中下载歌曲或其他文件到MP3播放器。但是在实际...

    郭长福 孙延铭   2023-08-13

  • 常见U盘主控加装写保护开关方法

    随着U盘大量普及,各种利用U盘传播的病毒也随之泛滥,若U盘有个写保护(Write Protect, 简写WP)开关必将提高其安全性,同时也能避免误操作带来某些重要数据的丢失。不过出于成本等因素方面的考虑,大多数厂家生产的U盘都没...

    陈晓军   2023-08-10

  • MP3(兼U盘)充电器电路剖析

    在本刊2008年合订本第193页上的文章《MP3(兼U盘)充电器的维修》一文中,有几个问题,笔者在这里指出来,仅供大家参考,原文章中电路图的错误地方主要有两处:第一处:D7应为稳压管而不是IN4148,如为1N4148,开关管Q...

    石成龙   2023-08-10

  • 瑞芯微ROCKCHIP RK2606方案MP4播放器电路原理图

    市面各种的品牌的MP4机器都采用相同芯片电路的方案,其电路大同小异,此图可供维修人员在修理MP4时参考。 ...

    贺学金   2023-07-07

  • MP3/MP4查找故障部位的基本方法

    检修其他家用电器的共用方法如直观检查法、电压、电流测量法等,都可应用在MP3/MP4播放器检修中,但由于MP3/MP4软件的复杂性和采用SMT(表面贴片工艺)的特殊性,又使得MP3/MP4维修有它自身的特点。在MP3/MP4维修中采用的...

    贺学金   2023-07-07

  • FOTON MP3车载屏不亮的故障维修

    接修一台FOTON车载24V收音/MP3播放机,接入电源,面板显示屏不亮,按键不起作用,,只有供按键照明用的背光灯亮。 测量为前面板和MP3电路板供电的7805输入端①脚...

    陈伟   2023-07-07

  • 尼康Coolpix S4数码相机镜头故障维修

    尼康S4数码相机有一个通病,就是使用一段时间后,拍摄状态显示屏只有菜单显示,没有图像,机器的拍摄程序能够完成,但是拍摄出来的画面是全黑的。根据经验,出现这种故障,大致有3个原因:一是数码相机的CCD损坏,无法生成图像;二是数码相...

    熊桂生   2023-07-04

  • 汽车播放器加装MP3解码板的方法

    车载MP3解码板(注:可网购,约30元,见图1)体积小巧,直流5V~12V供电,带显示、FM收音、遥控功能,不带功放,可以读取U盘、TF卡内的MP3歌曲,且具有播放记忆、多种音效等功能。  ...

    陈所林   2023-07-04

  • 昂达MP4充电器电路原理与故障维修

    接修一台型号为VX580R的昂达MP4,插入充电器后无充电指示,测充电器USB输出口无电压输出,判断充电器损坏。该机采用的是深圳某厂代工的USB接口的小型充电器,拆机直观检查发现:开关管Q1、调制三极管Q2爆裂;电阻R5烧焦,无法...

    任忠宝   2023-06-27

  • 柯达CX4230数码相机闪光灯电路原理分析与故障维修

    目前普遍使用的数码相机都装有电子闪光灯,以满足夜晚及暗背景拍摄的需求。和传统照相机闪光灯电路一样,数码相机闪光灯电路的功能也是完成从直流低压到交流高压再到直流高压的变换,电路结构和程式也基本相同,都是由振荡充电、充电检测、高压形...

    瞿贵荣 张凤娥   2023-06-24

  • 多端语音录放芯片ISD1760电路原理介绍

    ISD1760是Winbond(华邦)公司推出的- -款录放功能强大的语音芯片,内置自动增益控制、多信息管理.麦克风前置放大、扬声器驱动、振荡器与内存等电路,可录/放音十万次,存储内容可以断电保留一百年, 可处理255段信息,具有多种工...

    景曙光   2023-06-06

  • 汽车行车记录仪不开机的故障维修过程

    一台汽车行车记录仪,在使用过程中突然黑屏,不能开机。该机主板板号是XD301-7-MA1N-04,CPU使用杰理科技的AC1839DG5969,实绘开/关电路如图1所示(元件位号系笔者所加),内置锂电池接CPU 22脚,为待机电路...

    赵占营   2023-06-02

  • 佳能PowerShot A75数码相机照相慢的故障维修

    一台佳能PowerShot A75数码相机出现了照相慢的现象,拍照一张照片需要大约8秒钟左右的时间,且拍照时也不发出清脆的“咔嚓”声,而是只有很微弱的一声“咔”,但播放照片正常。查阅随机说明书,得知此故障与CF卡格式化类型不对有关,先...

    黄杨   2023-05-03

  • 奥林巴斯FE5020数码相机拍照呈负像的故障维修

    一台奥林巴斯FE5020数码相机,摄像正常, 照片模式下拍照出来的图像,全变成了“负像”,故障现象如图1所示,非常特殊。此机借朋友一用,回来就出现此故障,估计与快门有关,仔细观察拍照时,竟看不见镜头内部的快门在动作。拆机检修时,发现镜头组件内...

    黄杨   2023-05-03

  • 什么是热靴闪光灯

    现在主流的相机闪光灯主要分为三种:其中一种是相机内置闪光灯;另外还有一种是外置的专业闪光灯;而最后一种就是热靴闪光灯(如图1所示,它为索尼HVL-F32M闪光灯),热靴闪光灯就是连接在相机上方的准专业的相机闪光灯,特别对于佳能全画...

    何明瑞   2023-05-03

  • 三星ST5500数码相机的拆卸方法

    三星ST5500是三星公司2011年推出的高性能多功能时尚型卡片相机,配备了1420万像素CCD传感器和7倍光学变焦镜头(31~217mm ),显示屏是3.7英寸115.2万像素AMOLED屏,机身设计时尚小巧。拍摄模式有多种实用且充...

    熊桂生   2023-04-18

  • 教你学会摄影抓拍技巧

    日常生活中、外出旅行时几乎都离不开抓拍,但经常的抓拍效果都不尽如人意,而快速抓拍往往又让人望而怯步,其实抓拍并不难,通常情况下,抓拍可以分为两种类型:(1)人为抓拍,即人为地让某运动物体不断重复地做某种动作,从而可以在拍摄的众多照...

    苏红   2023-04-09

  • 尼康S8000数码相机更换显示屏的图解

    笔者的一台尼康S8000型数码相机,开机后显示屏右下角有一块指甲盖大小的黑斑,影响图像显示效果,通过在淘宝网上查阅,该机显示屏连同快递一-起仅报价40元,于是笔者网购了一块显示屏成品,决定自己更换。 &n...

    杨应泉   2023-04-04

  • 索尼DSC-RX100数码相机日景和夜景的拍摄技巧

    一、日景 1.逆光让照片更出彩 在光线的点缀下,平凡的事物都会焕发出神奇的光彩。发现逆光下的一枝新叶,透出金色的光芒。这就是抓拍人物的好景点,开始拍摄吧!摇曳透亮的树枝给人物照片增添了明朗愉悦的氛围。阳光打在模特的长发上,勾勒出一圈...

    苏红   2023-04-04

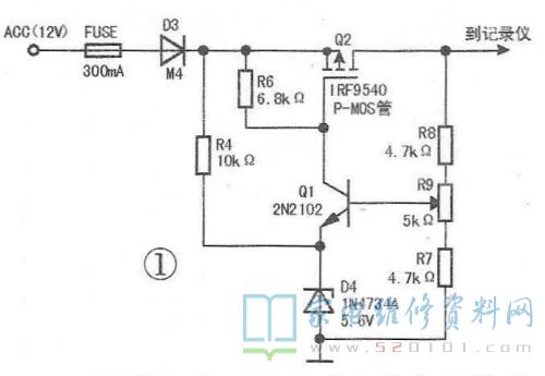
  • 贴片二极管M4的代换

    接修一台便携式行车记录仪,故障现象是开机后三无。根据故障现象分析,故障极可能系记录仪失电所致。该记录仪的供电通过一一个转换器与点烟器插口相连,即取自车内ACC电压(12V)。为了判断故障部分,通过USB连接线将记录仪与电脑主机相连...

    张晓勇   2023-04-01