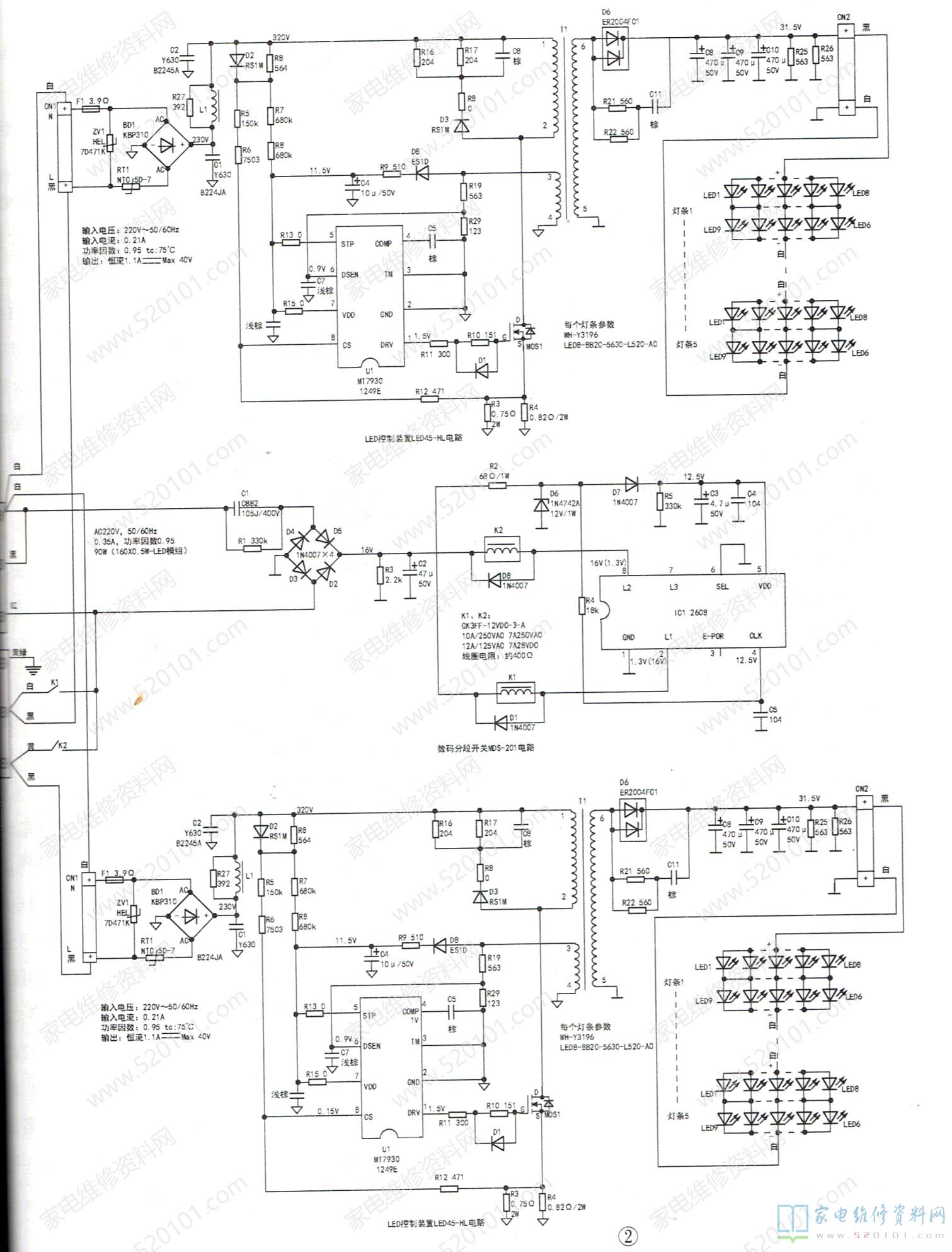
美的MX90-M/K-F11型LED吸顶灯由一个数码分段开关、两个LED控制装置、10根LED灯条等组成,如图1所示,其实绘电路如图2所示。说明:图2中数码分段开关MDS-201括弧外、内电压值为首次通电和在5s内断电再通电后测得的电压值,仅供参考。
一、数码分段开关工作过程
数码分段开关MDS-201由IC1(2608,估计为HM2608)、继电器K1、K2及降压电容C1等元件组成,功能是通过一个开关控制两组灯源,分段实现第一组灯亮、第 二组灯亮和两组全亮。2608采用CMOS工艺制造,具有低功耗和工作电压范围宽(VDD=3V~18V)等优点,并内置复位电路,具有模式选择端,可实现2或3路选择,其引脚功能和实测数据见表1。
本机中2608的⑥脚接地,②、⑧脚分别接继电器K1、K2,故为两路三态输出方式:第一次闭合开关后,K1吸合,图2中的上部LED45-HL控制装置得电工作,图1右侧的LED控制装置工作,从左至右第2.4、6.8.10灯条亮。断开开关再闭合后,K1释放,K2吸合,图2中的下部LED45-HL控制装置得电工作,第1、3、5、7、9灯条亮。再次断开开关,K1吸合,K2保持吸合状态不变,图2中的上、下部LED45-HL控制装置均得电工作,10个灯条全亮。三种状态下2608部分引脚及相关测试点电压见表2。
二、LED控制过程
此灯具由两个完全一致的LED控制装置LED45-HL组成,控制芯片采用MT7930,分别控制5只灯条的亮灭。
MT7930是一只高功率因数校正、源边控制交流转直流LED驱动芯片,精确调制LED电流,无需光耦及副边感应器件,并具有软启动、过流(OCP)、过压(OVP)、短路(SCP )和过热保护(OTP)等功能。该IC采用SOP8封装,其引脚功能与实测数据见表3。
电流控制:LED电流由开关变压器T1的①-②及⑥-⑤绕组匝数比,外部电流感应电阻R3、R4,以及芯片内部参考电平VFB( 400mV )决定。启动过程:整流后的市电电压通过启动电阻R7.R8对⑦脚外接电容C4充电。当⑦脚电压达到18V时,芯片工作,①脚输出脉冲。
功率因数校正:当外接MOS1管导通时,源边电流线性增加,该电流通过电阻R3、R4及R12送到MT7930的⑧脚。当源边电流达到阀值,芯片会立即关断MOS1管,经过恒定的关断时间(11us)后,MOS1管再次导通。通过芯片内部控制,峰值电流与来自R5、R6整流后的市电电压的正弦波形进行跟踪比较,实现电感电流正弦化,从而提高功率因数。
过电压保护:当MT7930的⑥脚电压连续高于3.2V,或者⑦脚电压连续三次超过19.2V时,芯片将关闭PWM开关信号,⑦脚电压降至UV-LO阀值,并进入重启模式。短路保护:MT7930的⑥脚电压在持续640us内均低于200mV,则启动短路保护功能,栅极驱动信号将停止。过流保护: -旦MT7930的⑧脚电压超过2.2V,芯片将立即关断功率MOS1管。LED控制装置LED45-HL的负载由5根LED灯条串联而成,每根灯条由两组各8颗LED串、并联而成。实测每颗LED管压降约3.15V,LED供电电压约31.5V。
三、故障检修
故障现象按下墙壁开关,吸顶灯亮度很低或根本不亮,有时还有“吱吱”声,再次断开闭合墙壁开关一次,吸顶灯才能正常点亮;连续两次断开闭合墙壁开关,吸顶灯亮度并没有增强。分析检修:从故障现象上看,显然只有一路LED控制装置在工作。因第一次通电时LED不亮,判断图2上部的控制器不工作。后发现,CN2引脚周围的铜箔已被烧毁变黑,同时发现下部的控制器的CN2的引脚也有虚焊现象,加固补焊后通电试机,两组灯均能独自点亮,但第三次通电,灯亮度有时增强,有时无变化,同时继电器有急促的吸合声,怀疑数码分段开关MDS-201有问题。开盖观察,两个继电器外观正常。通电测电容C2两端电压只有11.5V,因继电器线圈电压为12V,显然供电电压偏低。此电路采用电容降压供电,怀疑电容容量不足。检查降压电容C1,发现其容量只有0.54uF。找来一只1.5uF/400V的CBB21电容换上,通电试机,故障排除。

网友评论