接修一台奔腾C20-PH98T电磁炉,开机困难,仅偶尔能开机。初修该机时特意试验一下,机器居然顺利开机。根据故障现象,怀疑内部接触不良,于是把主板和控制板的排线清洗后插紧,上电试机,机器工作正常。第二天上电试机,按下开/关键后风扇转动,电源指示灯亮,但其他指示灯均不亮,其他按键均无效,也没有无锅提示音。测+5V、+18V电压均正常,主板上易损坏的多只大阻值电阻均无异常。该机主芯片采用DCL6907S,如图1所示。
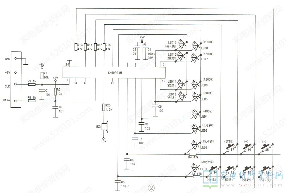
在检修中发现,待机时蜂鸣器发出较轻的“咔咔”声。正常时,蜂鸣器不应该出现杂音。根据经验,此故障原因可能是主芯片发送给按键显示芯片SH69P24M的数据有问题,或者供电有杂波。测量+5V供电电压正常且稳定,但DCL6907S⑨脚(DATA )电压波动。断开DCL6907S到SH69P24M的DATA和CLK连线试验,仍有杂音,此时测量DCL6907S侧的DATA和CLK信号电压稳定,而SH69P24M侧的DATA电压仍波动,由此判断按键板电路有问题。该机按键电路如图2所示。
代换C2无效,更换SH69P24M的15脚(供电端)外接滤波电容C4和C3后,故障不再出现。第二天开机,故障重现。因上次更换C3、C4后机器能正常工作,会不会是焊接加热使故障消失呢?怀疑SH69P24M引脚间漏电。用电子清洁剂清洗相关的电路后,用热风枪烘干。待线路板冷后多次试机,机器工作正常。


网友评论