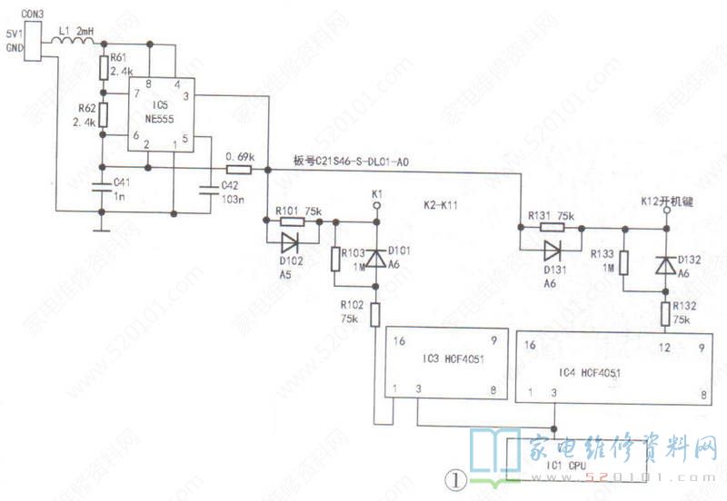
一台C21S46型电磁炉,上电后指示灯亮,但触摸键失灵,不能开机。该机灯板型号是c21546-S-DL01-A0o.上电测量灯板.上的5V供电正常。因使用年限较长(2009年产品),灯板脏污严重,怀疑线路漏电。清洗灯板后试机,故障依旧。该机在上电时数码管显示四条短横线,说明MCU基本正常。上电检查灯板,用示波器测量各触摸弹簧,发现无500kHz信号。该机500kHz信号由IC5(NE555)产生,如图1所示,测量IC5的③脚也无500kHz信号,怀疑以IC5为中心的振荡器有问题。

        测量IC5各脚电压:①脚为0V,②、⑥脚为3.27V,③脚为3.60V,④、⑧脚为4.97V,⑤脚为3.28V,⑦脚为4.10V。 正常时,②、⑥脚电压约为Vcc电压的一半。怀疑IC5损坏,但换新后故障不变。检查IC5外围元件,发现定时电容C41的漏电电阻约为3k。因C41采用贴片元件,其表面没有标示数值。多次试验,当用1nF电容更换C41后,IC5③脚输出约500kHz信号,其波形如图2所示。此时触摸各键均正常,故障排除。