接修一台美的MG80-1431WDXG滚筒洗衣机,上电后面板指示灯亮,按电源"开/关"键及“启动/暂停”键均无提示音,也无反应。试机,发现拔下插座CN2中的水位传感器连线后上电,几秒后主板发出“嘀嘀”声,且屏显故障代码“E33" ,此时按电源“开/关”、“启动/暂停”、“程序”等键,均有提示音,但机器不动作。该机故障代码“E33"表示水位传感器异常。换上新的水位传感器后,故障依旧,怀疑CPU的水位检测信号异常。该机水位检测电路由水位传感器和反向器CD4069等元件组成,如图1所示。因水位传感器线圈里面的磁芯位置随水位检测水管内的气压变化而移动,则线圈的电感量也随之变化,其与CD4069振荡产生的信号频率也就不同。
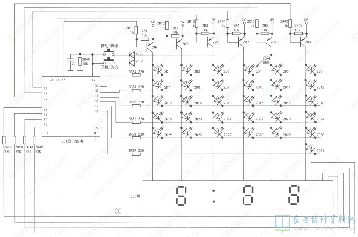
在最低水位时,实测CPU物脚的方波信号频率为26kHz,正常,怀疑CPU工作异常。检查CPU的5V供电、②脚复位均正常,测量CPU的晶振频率为8MHz,也正常。CPU外接EPROM存储器U5。实测U5⑤、⑥脚电压均为0V,怀疑U5损坏,但将其换新后故障依旧。与同行交流得知:LED指示灯异常易出现不开机故障。该机按键显示板上的LED指示灯较多,如图2所示。
笔者逐一检查,发现2D4正向电阻偏小,反向阻值约为1kΩ。更换2D4后试机,故障排除。
提示:2D4反向漏电后,2Q6~2Q8、2Q10、2Q3分时输出的信号经过2D1~2D3、2D5、2D6及反向漏电的2D4加到2Q9的c极,导致加到芯片ZU1⑦脚的信号异常,从而出现不开机故障。2Q9的c极信号异常,也使得机器面板指示灯2D28 、2D22及显示屏的小时后面的一个圆点异常点亮。

网友评论