一、电路原理简介
臭氧发生器是通过定时自动控制电路控制工作的。定时电路由间歇定时器和工作定时器组成(间歇定时器使臭氧发生器工作一段时间后停歇一段时间,如此反复进行)。工作定时器和间歇定时器由一个时基电路NE556分别组成A和B两个单稳态电路单元承担,两个定时器互相耦接在一起,且独自工作。电源经R1、C1降压,再由整流桥Q整流,并经C2滤波后获得直流电压供给两个定时器电路。当电源接通瞬间,使NE556(B)单稳态电路⑩脚电压接近0V,同时⑨脚输出低电平,发光二极管LED2不发光,与此同时,⑨脚输出的低电平使NE556(A)单稳态电路触发翻转,其输出端⑤脚为高电平,发光二极管LED3(绿色)点亮,继电器J得电吸合,其常开触点J1-1闭合,使臭氧发生器开始工作。NE566(A)的工作时间(即暂稳态时问)由R4和C3的乘积决定(即Ta=1.1 R4×C3)。随着电源Vc通过R4向C3充电,当c3两端电压(即②脚电压)逐渐上升到2/3Vc时,(A)单稳态电路暂稳态结束(发生翻转),使⑤脚输出低电平,D3熄灭.继电器J释放,其常开触点J1—1复位,臭氧发生器停止工作。而(A)单稳态电路⑤脚输出的低电平经C6送至(B)单稳态电路的⑧脚触发端(且此时C5已充足电).使(B)单稳态电路处于准备工作状态,故(B)单稳态电路触发翻转,其输出端⑨脚由低电平变为高电平,LED2被点亮(红色),臭氧发生器进入停歇阶段(停歇时间由Tb=1.1 R5×C4决定)。经过一段时间后,NE556(B)单稳电路暂稳态结束,其输出端⑨脚变为低电平,LED2熄灭,该脚的下降沿脉冲经C7、R8微分电路至(A)单稳态电路触发端⑥脚,再次触发(A)单稳态电路,其输出端⑤脚为高电平,臭氧发生器再次工作。如此周而复始地循环,从而达到保鲜的目的。若用于消毒,则臭氧发牛器第一次停止工作时,便要关掉电源。
图2是新益DSX-60B型高温电子消毒柜电原理图,其中FU是超温保险器,SB是电源按钮,ST是温度控制器,J是交流继电器,EH1、EH2是两根石英电热管。接入电源并按一下SB,消毒指示灯VD2(红色)亮,220V交流电经FU、SB、ST和J构成回路.J得电动作,其常开触点J1-1闭合(保持J闭合,电路自锁)。EH1、EH2发热,当消毒室中温度室的温度达到125℃时,ST自动断开电源,VD2熄灭,J失电释放,常开触点J1—1复位,HE1、HE2停止发热,至此一次消毒完毕。若需再次消毒,待消毒柜冷至常温,再按电源开关即可。电路中,FU是消毒柜的保护装置,当温升超高或出现短路故障时,FU立即熔断,起到保护作用,防止事故发生。
二、故障检修实例
例1、一台振宁XSX-BⅣ型电子消毒柜,开关开启后臭氧发生器不工作。
检修:根据故障现象分析,可能是臭氧发生器电路有问题。分别检查继电器J、保险丝BX、二极管D3、D4、R12与BG12、C9、T等元器件,发现BX烧断,BG12的阴极与阳极间击穿,造成电源不能对C9充电,因无电流流过L1,导致M不能工作。更换BX和BG12后,接通电源试机,消毒柜工作正常,故障排除。
例2、机型同上,有臭氧溢出、
检修:低温型电子消毒柜有臭氧溢出的现象主要是柜门密封不严造成的其中,横开门式电子消毒柜门密封不严的原因是磁封门框橡皮有油垢或橡皮条老化变形。若有油垢,可用毛巾蘸肥皂水清洗封条;若是封条老化变形,应更换封条;还可能是门轴磨损变形,应重新调整门轴和柜门或更换门轴。卷帘门式电子消毒柜柜门密封不严的原因主要是门封条变形,导轨变形或门封条、导轨中有油垢。若门封条变形,应修理或更换门封条;若导轨变形,应进行整修;若门封条、导轨中有污垢,应用毛巾蘸肥皂水清洗
例3、机型同上,电源开启后有继电器吸合声,发光二极管亮,但无臭氧产生。
检修:根据故障现象分析,可能是M、T或C9损坏。断电后分别检查上述元器件,发现C9断路(由于C9不能充放电,使L1中无电流流过,升压变压器次级L2无高压产生,导致M不能电离而无臭氧产生)。更换C9后,故障排除。
例4、机型同上,间歇定时器不工作。
检修:根据故障分析,可能是定时器电源电路或NE556时基集成电路有故障。测量滤波电容C2两端电压为0V,测量整流桥Q的输入交流电压止常,由此判断整流滤波电路有问题。断电后,分别检查Q和C2,发现滤波电容C2已击穿(造成时基集成电路无电源,导致该故障发生)。更换C2,故障排除。
例5、机型同上,臭氧发生器工作不停。
检修:分忻认为是定时器电路工作不良。断电后,分别检查(A1、(B)单稳态电路的外围元件,发现电容C5已击穿,造成(B)单稳态电路⑩脚始终为低电平,导致其输出端⑨脚也为低电平.(A)单稳态电路输出端⑤唧为高电平,继电器J始终得电,导致上述故障产生。更换C5后,接通电源试机,故障排除。
例6、一台劲松牌电子消毒柜,臭氧发生器不工作、
检修:该机臭氧气发生器主要由激发器和臭氧管组成。图3是该电子消毒柜电原理图。
低温型电子消毒柜工作时,激发器将220V交流电压转变成峰值为300V以上的脉冲高压,通过高压击穿臭氧管M内的气体,使玻壳金属网表面的空气发生电离而产生臭氧。 如工作时听不到电击声且闻不到臭氧的气味,则应检查臭氧发生器及相关电路。检查臭氧发生器输入电压正常,则切断电源,卸下臭氧发生器,取出臭氯管两根电极引线,发现两铜芯相距太大,于是将两铜芯相距调整在2mm左右,装回臭氧管,再通电,两根铜芯间产生高压放电火花,发出“哒哒”声,且闻到臭氧气味,故障排除。
例7、一台万宝牌高温电子消毒柜,柜内温度偏低。
检修:将温度计置于柜内,长时间工作后柜内温度仍在110℃以下(正常时为125℃),即可判断柜内工作温度偏低。产生该故障的原因主要有:
1.远红外线电热管烧坏。
2.温控器尚未达到温度控制值就提前动作。
3.继电器或温控器不良。先观察石英玻璃电热管工作时颜色不是呈红色,估计可能是电热管损坏。待消毒柜内部冷却后卸下电热管,测量其直流电阻阻值为无穷大,说明电热管已损坏(正常时300W电热管的阻值约为160Ω~170Ω)。换用相同功率和尺寸的石英电热管后,故障排除、
例8、机型同上,柜内温度过高。
检修:消毒柜连续工作时间太长甚至不能自动停机,多为柜内温度过高昕致;柜内温度虽然偏高,但仍可自动停机,多为温控器不良所效,而本故障是温度过高且不能自动断电,估计是温控器损坏。此时拔下电源插头,再立即插回,发现红灯熄灭,可判断温控器已损坏。更换温控器后故障排除。
例9、一台康宝SDX-61B型电子消毒柜,柜内温度低于110℃。
检修:远红外高温消毒柜标称温嚏为125℃。若柜内温度长时间低于100℃,表明柜内温度不够,引起该故障原因有:
1.远红外电热管烧坏。
2.电热管接线柱处接触不良。
3.控温器触点未调好或接触不良。
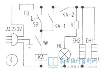
4.继电器触头氧化或线圈烧坏。图4是该消毒柜电原理图。

检查电热管、温度控制器均无异常,打开消毒柜底板检查,发现继电器KA线圈损坏。更换继电器(SQX-10F)后,故障排除。
例10、机型同上,柜内温度超过125℃,加热管加热不停。
检修:引起该故障的原因有:
1.双金属片温度控制器WK失效,触点不能分开。
2.继电器KA的触点KA-2粘连。分别检查WK和KA,发现WK控制失效,双金属片是由两种热膨胀系数不同的金属片紧靠在一起制成的。消毒柜正是利用两种金属膨胀系数不同产生的形变,通过触点来控制柜内温度或使柜内温度保持在一定的范围内。更换双金属片温度控制器WK后,开机试验,消毒柜温度控制正常,故障排除。
例11、一台康宝SDX-52A型电子消毒柜,柜内温度过高,外壳发烫。
检修:电路如图5所示。查测温热敏电阻BT良好。由此判断,电脑温度控制器WKY损坏。将其更换后试机,消毒柜工作正常,故障排除。
网友评论