接修一台飞利浦HD4744电饭煲,故障表现为不通电。首先拆机检查热保护元件完好,拆开电源板发现烧坏元件有一只1mH电感,一只4.7u/400V电容,一只13002,还有一个微形贴片6脚集成块。损坏的元件中,6脚贴片微型元件表面炸飞,不知型号。
     决定改装电路,找出一个电磁炉用电源模块(只需改动一只元件,就可使其输出变为12V),但转念一想,电磁炉模块是热地,而原机电源设计为冷地。何不用常用的Vip12A改电路代替!可能有些师傅会采用更简单的方案,就是用10V的小变压器来改,我之所以不用这种方法,是觉得变压器体积较大,要另找地方安装固定。

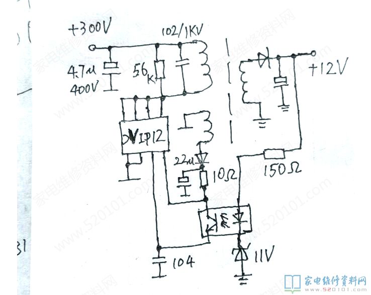
     于是画出Vip12A的电路图,拆除原电源部分的电阻,保留变压器及整流部分,将Vip12A焊在拆了电阻的焊点上,划开不用的电路,焊线到相应电路板的焊点,817反向放在Vip12A旁边,连接好线路(没有找到11V的稳压管,用1N4742),通电测输出为12.8V,完全达到改装要求。接上灯板,按键功能正常,装机烧水试锅约30分钟保温。