接修一台九阳DJ12B-A10豆浆机,加水上电后蜂鸣器鸣叫(没有按任何按键),鸣叫6声后停3s再叫6声,如此反复。该豆浆机电源板采用变压器降压供电,检查电源板输出的12V和5V都正常,防溢电极没有漏电现象,线路板也很干燥(由于豆浆机的结构原因,水蒸气渗到内部引起线路板或插座漏电现象较多),怀疑电路板上有接触不良处,补焊一遍后试机,工作正常,但三天后故障再现。

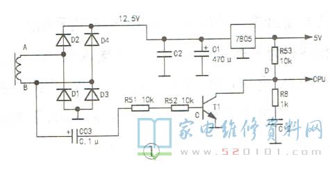
      该机缺水保护由加热盘上的超温开关担任,没有采用温度传感器检测水温来控制动作流程,而是由CPU内部设置的时间来控制加热和粉碎电机的工作。因该豆浆机的重量较轻,在电机全压启动时桶体有翻倒的危险,所以电机需在交流电源电压为oV时通电,以减少冲击。为此,本机设有交流电源过零检测电路,如图1所示。

      变压器次级的交流信号经C03取样,R51、R52降压后送到T1的b极。当B点交流电压从零点开始正向升高时,C03充电电流使T1的b极得到偏置电压而导通,其c极输出低电平;当B点交流电压在达到峰值后开始下降时,由于C03两端电压为左+右-,T1截止,c极输出高电平,在交流电压回到零点继续向负向变化时,T1-直保持截止状态,随后交流电压又回到零点正向升高时,T1又开始导通,重复上述过程。由此可见,T1仅在一个周期的四分之一一时间导通,其余时间截止,在c极形成交流电源过零检测脉冲(如图2所示)。

      测量D点波形如图3所示,没有反映过零信号的脉冲。

       检查T1及外围元件正常,但测量变压器次级绕组A.B端对地电压时发现不正常,经查D1变质。拆下D1测量又正常,这应该是电烙铁加热使之恢复正常,上次补焊后故障消失也应是这个原因。当变压器次级绕组电压为A+B-时,D2、D3导通;当绕组电压为A-B+时,D1、D4导通,这样在输出端得到一个100Hz的脉动直流电压。由于有滤波电容C1的充放电作用,正常时A.B端对地波形如图4所示。

       D1变质开路后,当绕组A端电压为+时,D2导通;而A端电压为-时,D2截止,桥式整流变成了半波整流,输出脉动电压的频率只有50Hz,此时B端的波形畸变且幅度大幅降低,如图5所示。

      此时过零检测电路工作异常,CPU据此发出蜂鸣器鸣叫指令。实测A~D点的直流电压见表1,供参考。需说明的是,虽然D1变质后桥式整流变成半波整流,直流输出电压有所下降,但由于后面负载没有工作,加上稳压器7805的作用,所以输出直流电压基本没有变化,CPU工作也未受到影响。