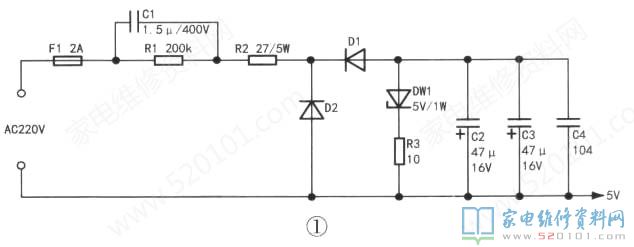
一台钻石FS-40K-7型遥控落地风扇,通电后面板上字符闪烁,按“风速”键开启后,可听到电机启动声,但扇叶略转动一下后停止。根据经验,此故障原因可能是CPU供电下降。电风扇、电饭煲、电高压煲等小家电的CPU供电电路多采用低成本的阻容降压方式。

      该电路与市电无隔离,安全性较差。另外,使用一段时间后,阻容降压电路中的降压电容容量易减小,导致输出电流感小。实绘该机CPU的5V供电电路如图1所示,实测C1(1.5uF)容量为0.09uF,已明显减小。用一只105/630V电容与一只474/630V电容并联后代替C1,上电试机,故障排除。