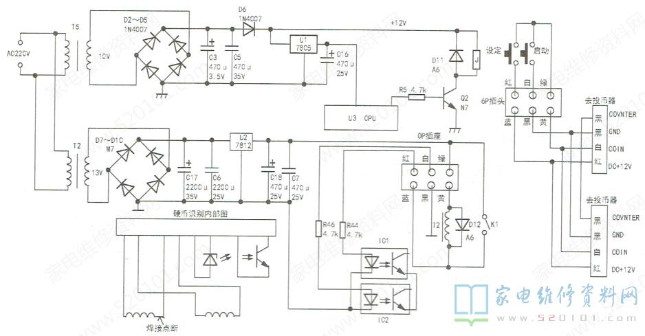
接修一台海尔丫XQB60-918型投币洗衣机,投入硬币时均从退币口退出,洗衣机不工作。分析检修:上电试机,洗衣机“滴"一声响后面板数码管显示"00";投入硬币后洗衣机面板数码管不显示,硬币从退币口退出。该投币器为一元专用投币器,根据其上的标示,测量DC+12V与GND端间电压为0.3V,明显异常。拔下投币器的插头,测其插头处亦无+12V。顺线路查找,该供电受继电器K1控制,实绘局部电路如图1所示。
上电后,CPU复位,随后输出高电平到Q2基极,Q2导通,变压器T1输出整流+12V使继电器K1吸合,变压器T2整流后经U2稳压后通过继电器K1触点到投币器,投币器得电工作。在完成投币按动启动按钮后,CPU输出低电平信号到Q2基极,Q2截止,继电器K1断开,切断投币器的+12V供电,同时洗衣机按照投币的数量启动相应的程序开始工作。此时若再投入硬币,投币器贝不会工作,刚投入的硬币从退币口退出。上电测量Q2基极为高电平,且Q2导通,K1处于吸合状态,但测其触点处的电压为0.3V,明显异常。继续顺线路查找,U2(7812)的输出端电压仅为0.3V输入端电压约为7V。断电测量U2在路阻值,不正常,拆除7812后测其输出端与地已经击穿短路。更换U2后测量,输出电压正常;投入硬币试机,故障排除。

网友评论