平板电视易损部分的原理及故障特点;
无论是CRT电视机,还是液晶和等离子电视机,最易发生故障的部位是电压高,电流大的部分,CRT电视机电压高、电流大的部分是开关电源和行输出部分,所以CRT电视出故障最多的也是这两部分,同样等离子电视和液晶电视的开关电源也是故障率较高的部分。
平板电视除了开关电源以外;液晶电视液晶显示屏背光灯高压供电板(一般是生产屏的厂家随屏配套,俗称;逆变器),因为电压也很高(输出,800~1600V的交流正弦电压)、电流也很大(供电电流6~10A),也是故障高发区域。等离子电视机屏驱动电路的Y驱动板和X驱动板相对功耗比较大,故障率相对较小信号电路高,一般是X、Y驱动集成电路及电解电容易损坏。
液晶电视和等离子电视的前端小信号部分(高频头、中频、解码、倍频、视频处理等),和CRT倍频电视基本相同没有什么特殊的地方,只要能把CRT高清电视倍频板的维修技术掌握(其它杂志书刊有相关文章可以学习),此部分的维修是没有问题的。
逻辑板电路;平板电视显示屏,包括等离子屏和液晶屏,其显示方式属于数字矩阵显示,完全不同于CRT扫描显示方式,它的显示原理是把有扫描概念的电视信号通过时序控制电路(俗称逻辑板)转换成液晶屏需要的行、列驱动信号和等离子屏需要的X、Y驱动信号及地址信号,属于小信号处理范畴,供电电压不高(5V),电流相对也较小,一般很少有故障,逻辑板对于液晶屏一般是装在液晶显示屏体内,等离子显示屏则装在屏体外面,这块逻辑板上面有一个FLASH程序存储器,内部存储有结合不同屏设置的程序,逻辑板的硬件或程序损坏,一般社会维修人员是无法维修(由于是屏进口生产厂配套,我们的平板电视组装厂维修也困难)。
图1A是液晶屏的原理框图,液晶显示屏的逻辑板电路是装在屏体的内部,它包括时序控制电路、行驱动电路、列驱动电路、灰阶控制等。
虚线内是显示屏屏体内部。小信号数字电路送来的数字图像信号,经过接口引入屏体内部的逻辑控制电路(时序控制器),经过运算处理,转换为平板矩阵显示需要的行、列驱动信号,当由行、列施加电压,行和列在屏上的交点就会发光(矩阵显示的原理,请参见图2所示,不必解释,一看就明白),数字的图像驱动信号加到液晶屏的行和列驱动电极上,图像就产生了。由于图像必须有层次,列驱动控制引入灰阶控制电压,以控制发光点的亮度,获得图像的灰度(层次)。由于液晶显示器是属于被动发光器件,所以还要给背光灯提供一个点亮背光灯管的高压供电变换器(逆变器),其驱动及亮度控制,均由CPU控制。
对于液晶显示屏的液晶片损坏是不能维修的,内置的(虚线框内)时序控制器、行列驱动电路等损坏(故障率极低),社会维修人员也是无法维修的,高压背光板完全可以维修的,高压背光板也是比较容易出现故障的部分。
图1B是等离子显示屏的原理框图,小信号数字电路送来的数字图像信号,进入逻辑板,经过运算处理,转换为等离子屏需要的 Y驱动、X驱动和地址脉冲(现在的等离子屏为三电极放电腔体),Y、X脉冲给等离子屏的放电腔体提供放电的条件(每一个放电腔体,就是一个像素,彩色等离子屏是三个R G B腔体组成一个像素),地址脉冲控制腔体放电,以形成图像。对于等离子显示屏及逻辑板都放置在屏体的外面,上面也有一个FLASH程序存储器,内部存储有结合不同屏设置的不同程序,等离子屏的逻辑板一般也是随屏配套出厂,因为供电电压低5V,功率也很小,所以故障率也极低,一般很少损坏。
图2
平板电视开关电源和普通CRT电视开关电源的区别;
虽然都是开关电源,但是平板电视的开关电源和过去普通CRT及高清CRT电视的开关电源相比,其电路组成、技术含量、电路原理已经复杂的多。
由于平板电视信号电路,屏驱动电路比较复杂,需要多路供电,这就要求平板电视的开关电源必须输出多路电压,这样其开关电源供电均由多个开关电源组合而成。
传统的开关电源由于整流后大容量滤波电容的作用,其输入电路电流波形产生严重畸变(脉冲形的电流波形),又因为供电线路的内阻等因素,导致电压波形的非正弦畸变从而引起电磁兼容(EMC)和电磁干扰(EMI)问题日趋严重,所以现代平板电视,特别是30寸以上的平板电视,均采用了PFC技术(功率因数校正或称电流波形矫正技术),就是在开关电源的整流元件后面不允许直接用滤波电容(引起畸变的原因及PFC的工作原理以后陆续撰文介绍),而采取在整流元件和滤波电容之间增加一个并联型开关电源,起到对滤波电容隔离的效果,使滤波电容的充电作用不影响供电线路电流的变化。
由于增加了一个并联开关电源,现在的平板电视开关电源是由一个并联的开关电源加上原来的PWM开关电源组成,如图3所示。从图3中可以看出,增加的并联开关电源位置在整流元件和滤波电容之间,并联开关电源的输出电压经过滤波后,就是PWM开关电源的+B电源,整流桥堆把220V交流整流后是不经过滤波就供给并联开关电源用。国家规定以后大功率(大于85W)的开关电源,220V交流经过整流后不准直接采用滤波电容滤波。
图3
由于是一个并联开关电源和一个PWM开关电源组成一个具有PFC功能的开关电源,那么这两个开关电源就必须有各自的激励、稳压控制系统,目前均把这两个各自的激励、稳压控制系统集成在一块集成电路内,成为一块复合集成电路,有各自的稳压控制和激励输出,VCC供电和振荡器共用一个,如图4所示,是三星V2屏,等离子显示屏开关电源的PFC和PWM部分框图。图5所示,是国产某品牌大屏幕液晶电视开关电源的PFC和PWM部分框图。
图4中,有PFC并联开关电源和PWM开关电源,集成电路ML4824是两个开关电源共用一块激励控制复合集成电路,有各自的稳压控制和激励输出,图中;集成电路的ML4824的12脚是PFC并联开关电源的激励输出端,接开关管Q1、Q2栅极,15脚是稳压控制输入端,外接R24和R29组成的输出电压取样电路,该并联开关电源输出电压为 380V(为了和其它的+B电压区别,这个电压称为B+PFC)。
图4
集成电路ML4824的11脚是后面PWM开关电源的激励输出端,经过IC30分相后,把幅度相同、相位反相的两个激励信号接到PWM开关管Q5、Q6的栅极,ML4824的6脚是稳压控制输入端,外接稳压控制光耦PC1S。(PFC原理及ML4824比较详细的介绍,请参阅;“家电维修”06年合订本上册附录中 “高清、平板常用资料/郝铭”409P~411P)
同样在图5中,复合集成电路MSA-E1017的15脚是PFC并联开关电源的激励输出端,9脚是PFC并联开关电源的稳压控制输入端,外接稳压取样电阻RE017和RE019。集成电路MSA-E1017的2脚是后面PWM开关电源的激励输出端,接PWM开关管QE003栅极,集成电路MSA-E1017的3脚是稳压控制输入端,外接稳压控制光耦NE002。
图5
等离子电视开关电源特点;
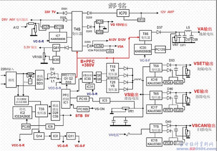
由于等离子显示屏的特点及技术要求,等离子屏在正常工作时驱动电路必须提供5种基本电压,经过X、Y驱动电路转换成规定的波形、规定的幅度的驱动电压,所以开关电源必须按要求提供等离子屏放电、维持、熄灭等的基准电压(VS维持电压、VA地址电压、VE擦除电压、VSET初始电压、VSCAN扫描电压),并且开关电源还要提供信号处理、伴音电路需要的供电压,而且电压的产生必须有一定的时序关系。例如三星等离子V2屏的开关电源就是由8个不同的开关电源组成,共同完成等离子屏正常工作的供电任务,图6所示是三星V2屏开关电源的框图。
图6
图4中 T3S是待机开关电源变压器,输出STB 5V是CPU系统供电,VCC-S-R、VC-S-R、VC-S-F是开关电源振荡、控制集成电路及外围电路的VCC供电,TS4是前端电路、信号处理电路、伴音电路、逻辑板电路等小信号处理电路的供电开关电源变压器,L1是PFC并联开关电源的储能电感,T1S、T2S是VS电压开关电源变压器,T8S是VA电压开关电源变压器,T5S是VSET电压开关电源变压器,T6S是VE电压开关电源变压器,T7S是VSCAN电压开关电源变压器。以上众多的开关电源,共同的完成为等离子屏发光,图像重现和伴音部分工作提供电源,缺一不可,并且对于不同尺寸的等离子屏,各电压不同,电压误差要小、精度要高,还有一定的时序关系,从图4中可以看到VS是VSET开关电源、VE开关电源的供电压,没有VS就没有VSET、VE,同样VA是VSCSN开关电源的供电压,没有VA就没有VSCAN,保证了屏需求的上电时序,电路设计严谨、巧妙。
液晶电视开关电源特点;
大屏幕液晶电视的开关电源,如图7所示,图中可以看出该开关电源由三个主要部分组成,最上部分的主电源就是;由PFC并联开关电源和PWM开关电源组成的整机高中频部分、信号处理部分、显示控制部分、伴音部分供电源,输出12V、5V、14V,图5就是其电原理框图。中间部分是向点亮背光灯管的高压逆变器供电的背光灯逆变器供电源,可以输出24V/6~10A(功率达到200W)的高功率电源,该电源的+B电压为PFC部分输出的+380V,

图7
电源的启动由PFC储能电感TE001的付线圈L1、L2的感生电势提供,该背光灯供电的启动和整机信号部分有联动效应,当小信号电路不工作,电流达不到要求,流过储能电感的电流较小,此时储能电感付线圈的感生电势也较小,不足以启动背光灯电源,背光灯管也不会亮。最下面的部分是待机开关电源,输出CPU等系统控制的5V供电源,以完成ON/OFF作用(该液晶电视开关电源的工作原理与维修及电原理图请参阅“家电维修”08年6期“海信Genesis机芯液晶电视机电源原理及故障实例/李永辉”一文)。
编者注:关于此等离子电视培训视频请参阅本网视频讲座栏目:/html/video/cdwx/5334/
网友评论