一、IGBT的基本结构
IGBT本质是一只场效应晶体管,在结构上类似于MOSFET管,其不同点在于IGBT是在N沟道功率型MOSFET管的N+基极(漏极)上增加了一个P叶基极(IGBT 的集电极),形成PN结,如图1所示。从内部结构看,可以将IGBT等效为一只以N沟道MOSFET型管为输入极,以两只三极管组成的达林顿管为输出极的复合器件,如图2所示。按照引出线位置及电流方向,IGBT的三极命名分别为G(栅极或门极)c(集电极)、e(发射极)。
IGBT是一种以达林顿管为主导件、MOSFET管为驱动件的一种电压型控制器件,它所需要的驱动电流跟驱动功率都非常小,其导通和关断是由G、E极之间的电压(常称栅极电压)来控制的。当给栅极加上一定的正电压时,MOSFET管内形成沟道,为PNP三极管提供基极电流通路,则PNP三极管导通,即IGBT导通。当给栅极上加负电压时,MOSFET管内的沟道消失, PNP三极管的基极电流通路被切断,则IGBT关断。
二、IGBT的工作特性
IGBT和普通三极管一样,可工作在线性放大区、饱和区和截止区。在实际应用中,IGBT主要是作为开关器件。因此,需特别关注其饱和导通和截止这两个状态,要求其导通上升沿和关断下降沿应尽可能陡峭,尤其是用在高频电路中时,因为这样才能有效地降低IGBT的开关损耗。
1.静态特性
IGBT的伏安特性是以栅射极电压UGe为参变量,集电极电流ic和集射极电压Uce之间的关系曲线,如图3所示,分为饱和区、放大区和击穿区三部分。

在正向导通的大部分区域内,ic与Uce呈线性关系,此时IGBT工作于放大区内。在伏安特性明显弯曲部分,ic与Uce呈非线性关系,此时IGBT工作于饱和区。在实际电路中, IGBT多工作在饱和或关断状态。若IGBT工作于放大状态,则IGBT的损耗将会大幅上升。
IGBT的转移特性是指集电极电流Ic与栅射电压UGe之间的关系曲线,如图4所示,它与MOSFET的转移特性相同,当栅极电压小于开启电压UGe(th)时,IGBT处于关断状态;当UGe>UGe(th)时,IGBT导通,在IGBT导通后的较大ic电流范围内,ic与UGe呈线性关系。

2.动态特性
由于IGBT的G、e极和G、c极间存在着分布电容Cge和Cgc,且e极外围电路中存在分布电感Le,如图5所示,所以IGBT的导通与关断均需要一定时间, 即存在导通时间ton与关断时间toff。

当给IGBT的G极加上高电平时,电压给Rg及Cge充电,IGBT的G极电压有一个上升过程。当G极电压达到UGe(th)时,才会产生集电极电流ic。随着ic的上升,Le上的感应电压也随之增大,UGe也会有所上升,这样就减缓了ic的增长。同样,当栅极驱动电压开始下降时,IGBT立即进人线性工作区,Uce开始_上升,此时由于Cgc的充电作用,使得IGBT的UGe及ic并不能立即降为0,而是过一段时间后才降为0,关断结束。

IGBT的波形如图6所示。导通时,驱动电压UGe的前沿从幅值的10%升至其90%所用时间称为导通延时时间td,集电极电流ic从0上升到其幅值(Icm)的90%所用时间为tr,则导通时间ton=td +tr。同样,在截止时,UGe与ic均有一个下降过程,其对应的时间为ts和tf,则tof=ts+tf。
另外在IGBT管饱和导通过程中,IGBT的集射极间的电压Uce的下降时间由tfu1和tfu2两部分组成,前者为MOSFET管单独工作的电压下降时间,后者为MOSFET管与三极管同时工作的电压下降时间,由于三极管由放大状态转人饱和状态需要一定时间,因此,tfu2段电压下降过程变缓。只有在tfu2段结束后,IGBT才完全进人饱和状态。提示:为了获得较好的开关特性,除应选用Cge、Cgc和Le较小的IGBT外,还要求其栅极驱动电路的内阻尽量小。
3.栅极特性
IGBT是一种高阻抗电压控制型器件,其栅极通过一层氧化膜与发射极实现电隔离。正常工作时栅极与发射极间只有微安级的漏电流。由于氧化膜很薄,其击穿电压一般为20V~30V。因此,栅极击穿是IGBT损坏的常见原因之一。
在实际应用中,虽然栅极驱动电压没有超过栅极最大额定电压,但栅极连线的寄生电感和G 、c极间的寄生电容会产生振荡电压,易损坏氧化层。为减小这种现象的发生,通常采用双绞线来传送驱动信号,以碱小寄生振荡,同时在栅极连串联电阻RG,在G、e极间连接RC阻尼滤波器,以抑制振荡,如图7所示。

值得一提的是,栅极串联电阻RG对IGBT的驱动有较大影响:若RG较小,G、e极之间的充放电时间常数较小,会使导通瞬间电流较大,从而损坏IGBT;若RG较大,虽有利于抑制寄生振荡,但会使脉冲波形的前后沿变缓,增加IGBT的开关时间和开关损耗。
三、IGBT驱动电路
从上面的分析可知:IGBT是MOSFET管与双极晶体管的复合器件,既有MOSFET易驱动的优点,又具有功率晶体管电压、电流容量大等优点,其频率特性介于MOSFET管与功率晶体管之间,可正常工作于数十千赫兹的频率范围内。为了让IGBT安全、可靠地工作,其栅极应连接与之匹配的驱动电路。
1.驱动电路的要求简介
(1)合适的栅极驱动电压
栅极正向驱动电压的大小将对电路性能影响重大,必须正确选择。当正向驱动电压增大时,IGBT的导通电阻下降,则导通损耗减小。如果正向驱动电压过大,易造成IGBT损坏;若正向驱动电压过小,易使IGBT退出饱和导通区而进人线性放大区,IGBT易过热损坏。通常,UGe取值为12V~18V ,典型值为15V。
另外,为了防止由于关断时浪涌电流过大而使IGBT误导通,在IGBT关断时,可给栅极加上一定的负偏压,以提高IGBT的抗干扰能力,该负压通常取-10V~-5V。
(2)足够的驱动电流
由于IGBT的三极间存在着较大的寄生电容(数千皮法),在驱动脉冲电压的上升及下降沿期间,存在较大的充放电电流。为了满足其导通和关断的动态要求,则要求其栅极驱动电路要具有-定的峰值电流输出能力,使IGBT在正常工作及过载情况下不致于退出饱和导通区而损坏。
(3)合适的开关频率
虽然IGBT的快速导通与关断有利于提高工作频率,减小开关损耗,但在大电感负载下(如电磁炉、大功率电机等),IGBT的开关频率不宜过大,因为大电感会在快速导通和关断期间产生很高的尖峰电压,极有可能造成IGBT或其他元器件损坏。
2.常见的IGBT驱动电路
(1)推挽式
该类驱动电路的输出级采用互补推挽输出方式,如图8所示。该方式能有效地降低驱动电路的输出阻抗,提高其驱动能力,从而达到加速IGBT的导通与关断的目的。

(2)脉冲变压器式
该方式是利用变压器的工作原理,由次级感应电压直接驱动IGBT,如图9所示。由于变压器具有阻抗变换与隔离作用,所以这种驱动方式不仅简化了驱动电路,还解决了驱动电路的供电与IGBT不共地的连接问题。

四、IGBT保护电路
由于IGBT多工作在高电压、大电流状态,一且损坏(通常表现为三极间击穿),极易导致前级驱动电路件多元件连帶损坏,因此对IGBT的保护显得尤为重要。目前,普遍使用的IGBT模块,就是将IGBT驱动电路与保护电路合为一体。
1.栅极保护
如果加在IGBT的G、e极间电压超出其额定值,或者驱动电路出现高压尖峰,这时易损坏IGBT,因此在IGBT的栅极应当设置栅压限幅电路,通常采用在G、e极间接上一只稳压二极管 D1(稳压值通常为18V~20V),或接上两只反向串联的稳压二极管D1、D2,如图10所示,D1、D2的稳压值应分别略高于驱动电路输出的正负栅压。

另外,若IGBT的G极悬空,在其c极与e极之间加上电压,由于G极与c、e极之间寄生电容的存在,使得G极电位升高,c、e极间有电流流过,可能会使IGBT发热甚至损坏。再者,在IGBT关断期间,G极电压易受电路寄生元件的干扰,使IGBT误导通。为防止此类情况发生,应在IGBT的G、e极间接一只数十千欧姆的电阻R,且R应尽量靠近G极与e极安装。
2.过流保护
IGBT因其饱和压降低和工作频率高等优点而成为大功率开关管的首选,但IGBT和晶闸管-样,其抗过载能力不强,因此需给IGBT安装过流保护电路。
过流保护方式有软关断和降栅压两种。软关断是指在过流和短路时,直接关断IGBT。由于这一方式的抗干扰能力差(因为电路一旦检测到过流信号就关断,很容易发生.误动作),故在实际中很少采用。
在降栅压方式中,通常会设有固定延时电路,是指在检测到IGBT过流时,立即降低栅压, IGBT仍维持导通,但导通电流会被限制在一个较小范围内,避免IGBT过流损坏。-旦降栅压保护启动,若延时后过流故障依然存在,则关断IGBT;若故障消失,则IGBT栅压自动恢复为正常值,这样可大大增强IGBT的抗干扰能力。

图11是采用降栅压方式的过流保护电路。正常工作时,因故障检测二极管VD1的导通,将a点的电压钳位在稳压二极管VZ1的击穿电压以下,三极管VT1截止。当电路发生过流和短路故障时,IGBT的ce极间电压(Uce)上升,a点电压随之上升,升到一定值时,VZ1击穿,VT1导通,b点电压下降,电容C1通过电阻R1充电,当电容两端电压升到约1.4V时,三极管VT2导通,IGBT的G极电压随电容两端电压的_上升而下降。通过调节C1的容量,可控制电容的充电速度,进而控制UGe的下降速度。当电容两端电压上升到稳压二极管VZ2的击穿电压时,VZ2击穿,UGe被钳位在一固定值上,降栅压过程结束。同时,光耦导通,输出过流信号。
如果在延时过程中,故障现象消失了,则a点电压降低,VT1恢复截止,C1通过R2放电,d点电压升高,VT2也恢复截止,UGe上升,电路恢复正常工作状态。
值得一提的是,在IGBT导通时,由于电容C2有一定的延时时间,IGBT管的Uce从高电压降为导通压降,过流保护电路不动作。
在实际应用中,由于过流保护电路与IGBT直接连接,且多为热地供电系统(这部分电路常称为主电路),而驱动信号形成电路多处于冷地供电系统,这两部分电路常采用高速光耦进行隔离,如图12所示。

正常工作时Q3、Q4均处于截止状态。当驱动信号为高电平时,光耦截业,A点电位为高电平,Q5导通,B点电位为高电平,Q2导通,Q1截止,IGBT的G、e极电压被Q2、R1、D1、D2、D3钳位在+15V,IGBT能够快.速导通。在此期间,由R8、C2组成的延时电路使Q4保持截止状态。虽然C2的两端电压按充电规律上升,但由于IGBT已饱和导通,且导通压降很低,在D9的钳位作用下,C点电位为低电平,所以在IGBT正常导通时,Q3、Q4均处于截止状态。当驱动信号为低电平时,光耦导通,A点电位为低电平,Q5截止;B点电位为低电平,Q2截止,Q1导通,IGBT的G、e极电压经Q1、R1、D1钳位在-5V,可使IGBT快速关断,此时D9反向关断,阻止主电路高压窜人控制回路。在IGBT关断期间,C2两端电压通过R6放电,使C点电平更低,所以在IGBT关断期间,Q3 Q4总处于截止状态。
当发生过流时,IGBT的G、e极间电压升高,此时D9反向关断,于是C点电压随C1充电电压的上升而增加,当过流现象持续约15us时,C点电压使稳压管D6导通,Q3随之导通,经Q3、D4、D1将IGBT的G、e极间电压降至10V左右。若C点电压在10us之内又恢复到低电平,则Q3截止,电路恢复为正常工作状态。若过电流现象持续10us以上,则C点电压继续上升,从而使稳压管D5导通,Q4立即导通,D点电位为低电平,Q1导通,由于C1的放电作用,则IGBT慢速关断。同时,E点电位经由两个与非门组成的RS锁存器锁定在高电平,高速光耦一直处于导通状态。此时,IGBT的G、e极间电压将被锁定为-5V,IGBT处于可靠地关断状态。在过流保护启动后,只有将故障排除,再通过闭合复位开关,才能重新解除过流保护状态。
3.过压保护
在IGBT关断过程中,由于其c极电流下降较快,在电路杂散电感与负载电感的作用下,会在IGBT的c,e极间产生很高的浪涌尖峰电压,尤其是在IGBT工作电压本就很高的电路中,这样极易击穿IGBT。因此,对IGBT进行过压保护也十分必要。
为了避免尖峰电压损坏IGBT,一是要优化主电路结构(采用分层布线、尽量缩短连线等),减少杂散电感;二是在线路上多加装一些退耦电容,以减少线路电感;三是安装脉冲吸收回路。
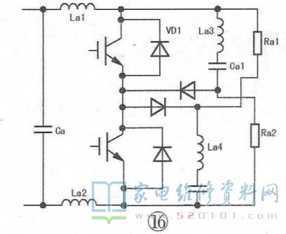
吸收回路的作用是吸收电感释放的能量,其电路形式主要分为充放电型和放电阻止型两类。充放电型又分有RC吸收与RCD吸收两种,分别如图13、14所示。RC吸收电路因电容C的充电电流在电阻R上产生压降,还会造成过冲电压。

RCD电路因用二极管旁路了电阻上的充电电流,从而消除了过冲电压。
电容Ca1、Ca2应选用高频低感圈绕聚乙烯或聚丙烯电容,也可选用陶瓷电容,容量为2nF左右。虽容量选大一些,有利于浪涌尖峰电压的抑制,但过大会受到放电时间的限制。电阻Ra1、Ra2应选用氧化膜无感电阻,其阻值的确定要满足放电时间明.显小于主电路开关周期的要求,可按R≤T/6C计算,T为主电路的开关周期。二极管VD1、VD2应选用正向过渡电压低、逆向恢复时间短的二极管。
常见的放电阻止型吸收电路如图15~17所示,电容Cs的放电电压为电源电压。在每次IGBT关断时,CS将上次关断电压的过冲部分能量回馈到电源,减小了吸收电路的功耗,但这类电路的电压吸收能力不如.上述RCD充放电型。

4.过热保护
由于IGBT是大功率器件,通常工作在大电流状态,自身发热也较快(尤其是RG偏大时),加之IGBT的结温不能超过125°C,且不宜长期工作在较高温度下,因此要进行过热保护在实际应用中,IGBT的过热保护通常采用强制散热与保护电路相结合的方式。
例如:在电磁炉中,将IGBT安装在一块面积较大的金属片上,并采用风扇对IGBT进行风冷散热,如图18所示;同时,在IGBT表面或其散热器上安装温度传感器,当检测到温度超过设定值时,单片机会发出IGBT关断指令,这时驱动电路停止输出IGBT驱动脉冲,从而达到保护的目的。

五、IGBT在变频家电中的应用
变频家电分交流变频和直流变频两类,前者指采用三相交流感应电机的机种,后者指采用三相直流无刷电机的产品。相比之下,直流无刷电机能效比高,尺寸也较小,但价格却高出很多。目前,我国的变频家电绝大部分是交流变频产品。
主流变频家电的硬件主要由电机、电机控制器以及功率变换模块组成。其中,功率变换模块是电子控制系统中最关键和成本最高的部件,目前大多使用智能功率模块(IPM)。
IPM将IGBT、驱动电路以及保护电路集中在一一个模块中,其输出电流与耐压由IGBT决定。目前,IPM的输出电流可达600A,耐压可达1200V,能够控制数千瓦的电机。IPM的出现,加快了变频家电市场的发展,变频空调、变频冰箱、变频洗衣机等产品正快速进人千家万户。以变频空调为例,近几年的变频空调全采用了IPM方式,并且主要采用日本三菱IPM方案和三洋IPM方案,其外形如图19所示。
变频压缩机运转的频率由IPM输出的交流电压控制,IPM输出的电压越高,压缩机运转频率及输出功率就越大;反之,压缩机运转频率及输出功率就越低。
提示:IPM一般有P (或+).N(或-)、U、V、W五个连接端点,连线时一定要一一对应,若将某端点的连线接错,上电开机便会导致IPM损坏。“P”或“+”端连接直流电正极,“N”或“一”端连接直流电负极,“U"、“V"、"W”端为压缩机的连接线,需对照外机接线图进行连接。另外,板上还有两个插座,插针数较多的通常是模块的控制信号连线插座,另一个则是模块驱动电源连接插座。
变频空调的IPM的后级电路主要由6只大功率IGBT组成,如图20所示。Q1~Q3为上臂,Q4~Q6为下臂,在驱动电路的作用下,每一个时刻,上臂中的一只IGBT与下臂中的一只IGBT同时导通(Q1、Q4,Q2、Q5,Q3、Q6不能同时导通),这6只IGBT按照表1的顺序循环通断,从而将输人模块的直流电压(一般为260V~310V )转变为驱动变频压缩机(CM)的三相交流电压(电压值一般低于AC220V)。

当出现过流、过热欠压等现象时,IPM内部保护电路启动,驱动电路停止输出脉冲,会拉低IGBT的栅极电压,使之可靠地关断,并将故障信号送给主板CPU,让CPU启动保护程序,并作出声光报警提示。
网友评论