在开关电源、逆变、电机驱动等电路中,随处可见到MOSFET管的身影,如图1所示。由于这些MOSFET管多作为功率管使用,其工作电压高,工作电流大,属于电路的易损元件。为便于检测与代换,有必要对MOSFET管的工作原理与特性进行全面了解。

一、MOSFET管的种类和结构
         MOSFET管是金属一氧化层半导体场效晶体管(Metal -Oxide -Semiconductor     Field    -EffectTransistor、MOSFET)的简称,是FET管中的一种(另一种是JFET)。常说的功率MOSFET(PowerMOSFET)管是指能输出较大的工作电流(几安到几十安),用于功率输出级的场效应管。

         MOSFET管分为增强型或耗尽型两类,每一类型又有P沟道与N沟道之分。在实际应用中,只有增强型的N沟道MOS管(常简称为NMOS管)和增强型的P沟道MOS管(常简称为PMOS管),常见的电路符号如图2所示。在这两种增强型MOS管中,用得最多的是NMOS管,如开关电源中的开关管、电机驱动电路中的驱动管等,究其原因,是因为NMOS管的导通电阻小(可低至1mΩ),耐压高(可高达1000v),且制造成本低。

    N沟道增强型MOSFET的结构剖面图如图3所示,用一块P型硅半导体材料作衬底,在其面上扩散了两个N型区,再在上面覆盖一层二氧化硅(Si02)绝缘层,最后在N区上方用腐蚀的方法做成两个孔,并用金属化的方法分别在绝缘层上及两个孔内做成三个电极:G(栅极)、S(源极)及D(漏极)。

         从图3中可以看出:衬底与S极在内部连接在一起,G极与D极、S极之间是绝缘的。另外,D极与S极之间有一个PN结,即D极和S极之间有一只寄生二极管。这只二极管常称作体二极管,在驱动感性负载(如电机)时,这只二极管就显得很重要。
         为了改善MOS管的某些参数特性,如提高工作电流,提高工作电压,降低导通电阻,或提高开关特性等,这时会在结构与制造工艺上有所变化,从而得到所谓VMOS、DMOS、TMOS等结构。
         值得一提的是,由于制造工艺的问题,MOs管的三个管脚之间存在寄生电容。MOs管的驱动,实际上就是对寄生电容的充放电。对电容的充电需要一个电流,因此在选择或设计MOs管的驱动时,要确保其能提供较大的瞬间充电电流。
二、MOSFET管的工作原理

         要使增强型N沟道MOSFET管工作,要在G、S之间加正电压VGS及在D、S之间加正电压VDS、才会产生正向工作电流ID,如图4所示。

         若先不接VGS电压,即VGS=0V,在D、S极间加一正电压VDS、漏极D与衬底之间的PN结处于反向,因此D、S极不导通。如果在栅极G与源极S之间加一电压VGS,此时可以将G极与衬底看作电容器的两个极板,而氧化物绝缘层作为电容器的介质。当加上VGS时,在绝缘层和栅极界面上感应出正电荷,而在绝缘层和P型衬底界面上感应出负电荷。感应的负电荷和P型衬底中的多数载流子(空穴)的极性相反,此时的P型衬底常称作反型层。

          当VGS电压太低时,感应出来的负电荷较少,它将被P型衬底中的空穴中和,这时D、S极间仍然无电流ID。当VGS增加到一定值时,其感应的负电荷把两个分离的N区沟通,从而形成N沟道。这个临界电压称为开启电压(又称阈值电压、门限电压),用符号“VT”表示(一般规定在ID=10VA时的VGS为VT)。若VGS继续增大,负电荷增加,导电沟道扩大,导通电阻降低,ID也随之增加,并且呈较好线性关系,如图5所示。因此在一定范围内,改变VGS可控制D、s极间的导通电阻,达到控制ID的目的。

          从上面分析可知,由于这种结构在VGS=0V时,ID=0,因此称这种MOSFET管为增强型。对于耗尽型另一类MOSFET管而言,在VGS=0时,ID并不为。。
          对于增强型P沟道MOSFET管工作,要在G、S之间加上负电压,即VGS小于0V,并在S、D极之间加正电压,才会产生正向工作电流。
          提示:不管是NMOS管还是PMOS管,导通后都存在导通电阻,这样电流就会在导通电阻上消耗能量,这部分能量叫做导通损耗。选择导通电阻小的MOs管会减小导通损耗。现在的功率率MOSFET管导通电阻均很小,一般为几毫欧姆或几十毫欧姆。
三、MOSFET管的开关特性
           对于MOSFET管而言,由于其导通电阻很小,因此其工作状态可近似等效于开关状态,其导通就相当于开关闭合,截止就相当于开关断开。对于常见的NMOS管,只要VGS电压达到4V或10V就会导通,非常适合于S极接地的驱动电路(低端驱动);对于PMOS管,只要VGS低于一定的值就会导通,适用于S极接VCC时的电路(高端驱动)。虽然PMOS管可以很方便地用作高端驱动,但由于其导通电阻大、价格高、替换种类少等原因,所以在很多高端驱动中还是使用NMOS管。下面以NMOS管为例说明其开关特性。
提示:上述4V或10V是常用NMOS管的导通电压。在12V供电系统中,一般为4V;在高于12V的供电系统中,一般为10V。
1.静态特性

           当VGS<开启电压VT时,MOs管工作在截止区,MOs管处于“断开”状态,IDS约为0,输出电压UDS约等于VCC,如图6所示。当VGS>开启电压VT时,MOs管工作在导通区,漏源电流IDS=VCC/(RD+rDS)。其中,rDS为MOs管导通时的漏源电阻。输出电压UDS =VCC xrDS/(RD +rDS),如果。S远小于RD,则UDS接近0V,相当于MOs管处于“接通”状态。

2.动态特性

           MOS管在导通与截止两种状态发生转换时同样存在过渡过程,但其动态特性主要取决于与电路有关的杂散电容充、放电所需的时间,而管子本身导通和截止时电荷积累和消散的时间是很短的。

           当输入电压Ui由高变低,MOs管由导通状态转换为截止状态时,电源VCC通过RD向杂散电容CL充电,如图7所示,充电时间常数π1=RDCL,即输出电压Uo要经过一定延时才由低电平变为高电平,如图8所示。当输入电压u1由低变高,MOs管由截止状态转换为导通状态时,杂散电容CL上的电荷通过rDS进行放电,其放电时间常数T2 ≈ rDSCL,即输出电压U。也要经过一定延时才能转变成低电平。由于rDS比RD小得多,所以由截止到导通的转换时间比由导通到截止的转换时间要短。

          从图8可以看出,MOs管在导通和截止的时候,不是在瞬间完成的,在从截止变为导通时,其两端电压有一个下降的过程,流过的电流有一个上升的过程;在从导通变为截止时,其两端电压有一个上升的过程,流过的电流有一个下降的过程。在这个过程中,其电压与电流的乘积称作MOS管的开关损失。开关频率越高,损失也越大。缩短开关时间,可以减小每次导通时的损失;降低开关频率,可以减小单位时间内的开关次数。这两种办法都可以减小开关损失。
         提示:用于高端驱动的NMOS管在导通时需栅极电压大于源极电压。在常见的电路中,由于NMOS管导通后,源极电压约等于漏极上所加的供电电压VCC,即这时栅极电压要比VCC高4V或10V,这就需要设计专门的升压电路。因此,很多功率MOSFET管驱动集成块中都内置有电荷泵,并外接合适的电容,以得到符合要求的VGS电压。
四、功率MOSFET管的特点
         功率MOSFET管与三极管相比具有如下特点:
         1.MOSFET管是电压控制型器件(三极管是电流控制型器件),因此在驱动时无需推动级,电路较简单;
         2.输入阻抗高,可达100MΩ ;
         3.工作频率范围宽,开关速度高(开关时间为几十纳秒到几百纳秒),开关损耗小;
         4.有较优良的线性区,并且MOSFET管的输入电容比三极管的输入电容小得多,所以它的交流输入阻抗极高,噪声也小,最合适制作Hl-Fl音响;
         5.若要增加输出电流,功率MOSFET管可以多只并联使用,且无需均流电阻。
五、MOSFET管的典型应用电路
        1.电池反接保护电路

        为防止电池接反损坏电路,最简单的方法是在供电电路中串联二极管,当电池接反时,因二极管反偏而不导通,但在电池未接反时,该二极管两端有0.6V左右的压降,二极管要损耗一部分能量。为了节能,许多便携式电子产品的电池反接保护电路采用MOSFET管,如一款平板电脑中的电池反接保护电路如图9所示。V1是一只导通电阻RDS(ON)约为0.04Ω的增强型N沟道MOSFET管。

        当电池装反时,V1截止,电路得以保护。在电池正确安装,且VGS ≥ 5V时,V1导通,电流是从D极流向S极。
         2.触摸调光电路

         一种简单的触摸调光电路如图10所示。当手指触摸上触头时,+12V电压经手指电阻及R(100kΩ)给电容C充电,V1的 VGS电压逐渐增大,灯渐亮;当触摸下触头时,C中的电荷经R及手指电阻放电,V1的VGS电压逐渐减小,灯渐暗到灭。

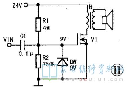
        3.甲类功率放大电路

         一种简单的甲类功率放大电路如图11所示。偏置电阻R1、R2对24V电压进行分压,得到静态的VGS电压,此时V1的G、S极间有一定的电流流过。当音频信号经过C1藕合到V1的G极时,VGS电压会随音频信号的变化而变化,虽然幅度很小,但这时D、S极间电流(ID)却会发生较大的变化,经输出变压器阻抗匹配,使喇叭中发出较大的声音。DW为9V稳压二极管,以防止VGS电压过高而击穿V1。