电容和电感都是基本的滤波元件。
滤波原理理解①:它们在二极管导通时储存一部分能量,然后再逐渐释放出来,从而得到比较平滑的直流电波形。
滤波原理理解②:电容和电感对交流成分和直流成分反应出来的阻抗不同,把它们合理的安排在电路中,可以达到降低交流成分,保留直流成分的目的。
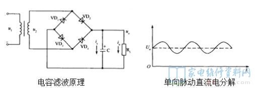
电容滤波电路
电容具有“阻直流,通交流”的作用,它对于直流电相等于开路,对交流电却只有较小的阻抗,交流电压经过整流输出的单向脉动直流电,这一个电压可以分解为一个直流电和一组频率不同的正弦交流电,如图所示:
电路中,电容C对直流电相等于开路,这样整流电路输出的直流电压不能通过C导通到地,只能加到负载RL上。对于整流电路输出的交流成分,由于C容量较大,其容抗较小,交流成分通过C流到地端,而不能加到负载RL上。这样,通过电容C的滤波,从单向脉动性直流电中提取了所需要的直流电压Uo,滤波电容C的容量越大,对交流成分的容抗越小,使残留在负载RL上的交流纹波越小,滤波效果就越好。
网友评论