子曰:“温故而知新,可以为师矣。”意思是温习旧知识从而得知新的理解与体会,凭借这一点就可以成为老师了”。向往着这一目标,我也努力地在学、在做。每每修上一台故障机都喜欢对故障的成因和维修的过程做细致入微的总结通过这个过程来温 习和巩固原来所学的基础知识,同时也可以应对新电路的变化做变通思维。如何做到准确分析、快速排除故障,这就要求我们对基础知识掌握和对单元电路的应用做到融会贯通。基础知识在手,分析故障无忧!
      维修一台长虹LT4288型液晶彩电,有声音,黑屏。故障分析:二次开机后指示灯由红灯变为绿灯,有声音,但背光不亮黑屏。那么背光不亮的原因主要有哪些呢?一是背光驱动板供电问题,二是主板没有输出BL-ON、PWM信号(背光开启信号)和背光亮度信号PWM,三是背光驱动板自身故障。那么针对以上原因逐一排查,如果是电源故障就需要对背光驱动电压形成电路进行检查。对于BL-ON信号而言,可以通过测量其电压来判断。根据电视的开机时序,开机后先进行系统引导程序的加载,然后再进入系统内核的加载,最后系统发出开机指令,输出BL-ON背光开启信号和PWM亮度,点亮背光灯。因本机声音正常,即完成了整机的启动过程,所以认定主板没有问题,怀疑背光驱动板损坏。

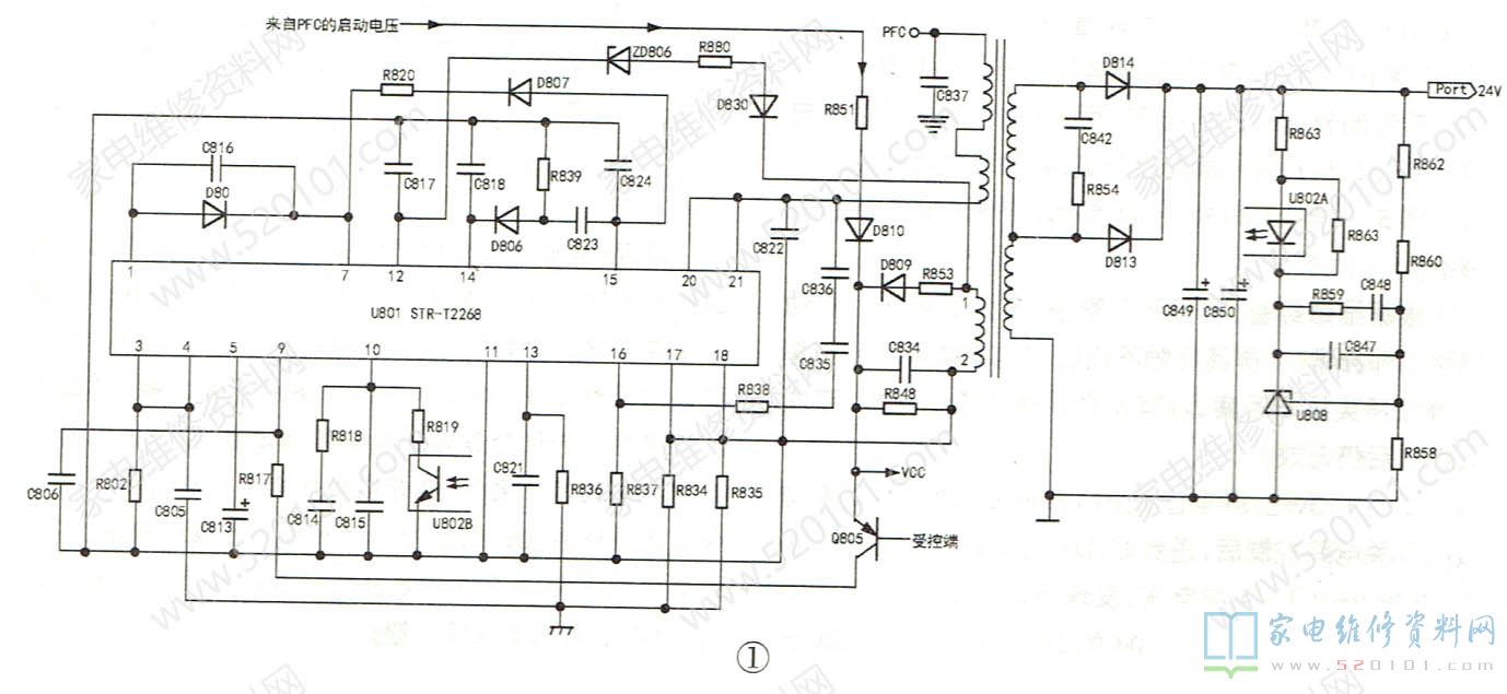
      首先对背光驱动板的工作电压进行检查,实测该电压为0V。该机24V电压形成电路如图1所示。

      此机配用电源为长虹公司自产的GP03电源,背光驱动芯片采用的是STR-T2268芯片。首先从这个集成电路vCC着手,实测电压为0V,正常值为18V。那么这个VCC电压是如何来的呢?为便于分析,重新绘制了VCC电压的形成部分的电路,如图2所示。

      主板输出的STB信号通过JP804的①脚及电阻R866送到开/关控制三极管Q809的b极,Q809导通,U803内部发光管发光,此时的U803次级等效电阻很小,T804的④-⑥绕组产生的自感电压通过R851限流及D810、C834整流滤波得到电压,一路加到Q805的e极,另一路经光耦U803加到Q806 b极,Q806导通,随即Q805导通, U801的⑨脚得电,U801工作,次级产生24V背光驱动板工作电压。当背光驱动电路正常启动后,T803的初级端自感线圈①-②绕组产生感应电压,并通过R853、D809、C834整流滤波后为U801持续工作供电。测量Q805 e极电压为31V,如此高的电压但测量U801⑨脚却无电压,使D801反偏,同时测得Q805的b、e极电压为31V,显然处在截止状态。接下来测量Q806的b极电压为0V,显然问题就出在R849和U803这两个元件上,如图3所示。测得R849已经开路,换新后测量Q806的b极电压为0.9V,U801的⑨脚得电工作,故障排除。此时再测量Q805的c极电压为正常值18.53V。

        总结:这个实例其实并无什么难度可言,但在整个电路的分析过程中,既涉及到了基础知识,如三极管的工作状态、光电耦合器的工作原理,又有电路控制状态的分析。在液晶电视的图纸中,这种控制电路还有很多,只是形式及电路有着不同的变化。只要我们掌握了元件的基本特性和基础知识,就不难分析电路。只有对理论和基础知识的全面掌握才能应对电路的千变万化,才能在维修行业中立于不败之地!