一、实物图解、电路组成
1、实物图解
创维168P-P37ALK-00/11型电源板实物与主要元器件位置、常见故障现象的标示如图2-48所示。
2.电路构成
创维168P-P37ALK-00/11型电源板主要由市电线路滤波器、市电整流滤波电路、PFC电路、待机电源(副电源)、电路、主电源电路和高压逆变电路、待机控制电路、保护电路等构成,如图2-49所示。

二、市电整流滤波电路
创维32L10HR型液晶彩电电源电路参见图2-50,220V左右的市电电压经熔断器F1输人到LIPS板,首先通过由共模滤波器L6、L7和高频滤波电容C1、C4、C6、C7组成的高频滤波电路滤除市电中的高频干扰脉冲,再经整流堆BD1桥式整流后,利用CI7滤波产生310V (与市电高低成正比)左右的直流电压。

V1为压敏电阻,市电正常时,V1相当于开路,不影响电源电路正常工作;一且市电升高使它的峰值电压超过470V后,V1击穿短路,使F1过流熔断,切断市电输人回路,以免市电滤波、待机电源等负载的元件过压损坏。
三、待机电源电路
该机的待机电源电路以电源模块STR A6259H (IC5)、 开关变压器T2为核心构成。该电源不仅将市电电压变换为5V稳定的直流电压,而且为主电源模块、PFC芯片供电。
1. STR-A6259H的实用资料
STR-A6259H是由开关管和控制电路构成的二次厚膜电路,控制部分由启动电路(高压恒流源)、振荡器、PWM电路、过压保护、过流保护、软启动等电路构成,如图2-51所示,它的引脚功能和维修参考数据如表2-20所示。
表中的电阻值由MF47型指针万用表测量,电压值由DT890型数字万用表测得。

2.功率变换
C17两端的310V左右直流电压经D33输入到待机电源,利用C11滤波后,通过开关变压器T2的初级绕组(4-5绕组)加到IC5 (STR-A6259H)的7、8脚,不仅为它内部的开关管供电,而且经它内部的高压恒流源为5脚外接的C19充电,在它两端建立启动电压。当启动电压达到13.4V后,IC5 内的稳压电源开始工作,为100kHz时钟电路(振荡器)、PWM等电路供电,时钟电路和PWM电路开始工作,由它们产生用于驱动开关管工作在开关状态的激励脉冲。开关管导通期间,T2开始存储能量;开关管截止后,T2开始释放能量。此时,T2的7-9绕组输出的脉冲电压通过D4整流,再经C54、L3、C59组成的t形滤波器滤波后产生5V直流电压,为主板的操作控制系统供电;1-2绕组输出的脉冲电压经R63限流、D13整流、C46滤波,产生17V左右的直流电压,该电压不仅送到由R58、Q8、ZD2、R57和PC7构成的受控电压形成电路,而且经R59限流、C19滤波,取代启动电路为IC5供电。
T2的初级绕组两端并联的D9和D15组成尖峰脉冲吸收回路,以免IC5内的开关管在截止瞬间被过高的尖峰脉冲电压击穿。
3. 稳压控制
该电源的稳压控制电路由电源模块IC5、光耦合器PC4 (发光二极管PC4A、光敏三极管PC4B)、三端误差放大器IC8和取样电阻构成。
当市电升高或负载变轻引起待机电源输出电压升高时,C54两端升高的电压不仅通过R66为PC4A的正极提供的电压升高,而且经R72和R68取样后的电压超过2.5V,经IC8内的误差放大器放大后,使PC4A的负极电位下降,PC4A因导通电压增大而发光加强,促使PC4B导通加强,将IC5的4脚的电位拉低,被IC5内的误差放大器和PWM调制器处理后,使开关管导通时间缩短,待机电源输出的电压下降到设置值。待机电源输出电压下降时,稳压控制过程相反。
4.欠压保护
为了防止IC5内的开关管因激励不足而损坏,该电源设置了欠压保护电路。该保护电路由IC5的5脚内外电路构成。
当IC5内部的恒流源异常或CI9、C16、C13漏电,导致C19两端电压在IC5启动期间不能达到13.4V时,IC5不能启动; IC5 启动后,若D13导通电阻大或稳压控制电路等异常,导致D13整流后的电压低于10V时,IC5内的欠压保护电路动作,使IC5停止工作,实现欠压保护。
5.过压保护
为了防止电源模块IC5内的开关管和负载元件过压损坏,该电源设置了过压保护电路。该保护电路由IC5的5脚内外电路构成。当该电源的稳压控制电路异常,导致输出电压升高时,也会导致C46两端的电压升高。
当C46两端电压达到32V时,IC5 内部的过压保护电路OVP动作,输出控制信号使PWM电路不再输出激励信号,开关管截止,以免开关管和负载过压损坏,实现过压保护。
6. 过流保护
为了防止IC5内的开关管过流损坏,该电源设置了过流保护电路。该保护电路由IC5的1脚内外电路构成。
当负载异常引起IC5内的开关管过流,在取样电阻R7两端产生的电压增大,并被IC5内的过流保护电路OCP检测后,过流保护电路输出控制信号使PWM电路不再输出激励信号,开关管停止工作,实现过流保护。
7.过热保护
当开关管因过流、散热效果差等原因引起IC5的基板温度升高,并使温度达到125"C时,IC5 内的过热保护电路TSD动作,输出控制信号使PWM电路不再输出激励信号,开关管停止工作,实现过热保护。
8.软启动控制
通电瞬间,IC5的2脚外接的软启动电容C48两端电压为0V,IC5 内部电路对其充电,使2脚电压逐渐升高。2脚逐渐升高的电压被IC5检测后,使PWM电路输出的激励脉冲的占空比逐渐增大到正常,避免了开关管在通电瞬间可能过激励损坏,实现软启动控制。
四、功率因数校正(PFC)电路
参见图2-50,该机的功率因数校正电路以专用芯片IC1 (NCP1653A)、 开关管Q1、储能电感L2为核心构成。
1. NCP1653A的实用资料
NCP1653A是美国安森美半导体公司推出的新型PFC芯片,不仅适应市电输入范围宽,而且是一个开关频率固定、采用平均电流型控制环的脉宽调制器,能精确地设定输人功率和输出电流的极限值。它内部构成如图2-52所示,它的引脚功能和维修参考数据如表2-21所示。

2. 校正过程
受控15V供电电压Vcc经R19限流,由C79、C50滤波后,加到芯片IC1(NCP1653A)的供电端8脚,使它内部的启动电路开始工作,进而使振荡器等电路开始工作。同时C17两端电压经R17、 R32、R33、R16、R12限流, C2滤波,再经R10限流对C14充电,加到IC1的3脚内的镜像电流源,由该电路产生的检测信号通过乘法器对输出电路进行控制,确保IC1的7脚在市电过零处输出高电平激励脉冲。该脉冲电压通过R9、JP31使开关管Q1导通,C17 存储的电压通过L2、Q1的D/S极、RI1和RI5构成导通回路,在L2两端产生左正、右负的电动势。当IC1的7脚输出低电平激励信号时,通过JP31、DI使Q1迅速截止。Q1截止后,I2通过自感产生左负、右正的电动势,该电动势通过D2、C52、RI1、R15构成的整流滤波回路,在C52两端产生约400V的直流电压,为主电源、高压逆变器供电。这样,经过该电路的控制,不仅提高了该机利用市电的效率,而且降低了对市电电网的污染。IC1的8脚外接的稳压管ZD8用于过压保护。
3.稳压控制
稳压控制电路由取样电阻和IC1(NCP1653A)等元件构成。当市电下降、负载变重等原因引起PFC电路输出电压下降后,C52两端下降的电压通过RI14、R13、R22限流,C15滤波后,为ICI的1脚提供的取样电压降低,经它内部的误差放大器放大后,使IC1的7脚输出的激励脉冲的占空比增大,开关管Q1导通时间延长,L2存储能量增大,输出电压升高到设置值。反之,稳压控制过程相反。
4. 欠压保护
当Q8输出的电压低或R19阻值增大,或C79、ZD8漏电,为IC1提供的启动电压低于13.25V时,IC1不能启动; IC1 启动后,若8脚的电压低于8.7V后,IC1内的欠压保护电路会动作,以免开关管Q1因激励不足损坏,实现欠压保护功能。
5. 过流保护
当负载异常引起开关管Q1过流,在取样电阻R11、RI5 两端产生的电压增大,通过R1为ICI提供的负压达到设置值后,IC1 内的过流保护电路动作,使IC1不再输出激励信号,Q1停止工作,避免Q1过流损坏,实现过流保护。
6.软启动控制
PFC工作初期,IC1 的2脚外接的软启动电容C13两端电压为0V, ICI 内部电路对其充电,使2脚电压逐渐升高,被IC1内部电路处理后,使ICI的7脚输出的激励脉冲的占空比逐渐增大到正常,避免了Q1在开机瞬间可能过激励损坏,实现软启动控制。另外,ICI 内部也设置了过热保护电路。过热保护的温度值为120C或150C。
五、主电源
参见图2-50,该电源以电源模块FSQO565R (CQ0565R)、 开关变压器T2为核心构成。
1. FSQ0565R的简介
FSQ565R是一种新型的电源厚膜电路,它内部的开关管采用的是新型大功率场效应管,而控制芯片采用了电流模式调制器,在电源负载空载的情况下具有最小的控制漏极开/关切换的驱动能力,还设有过压锁定保护、自动恢复短路保护、过热保护等电路。它的引脚功能和维修参考数据如表2-22所示。

2.功率变换
PFC电路产生约400V直流电压通过开关变压器T3的初级绕组(1-3绕组)加到IC301(FSQ0565R)的1脚,为它内部的开关管供电,同时受控15V电压Vcc经R60、R309 输入到主电源,利用C301和C302滤波后,加到IC301的3脚,使IC301内的电源开始工作,为时钟电路(振荡器)、 PWM等电路供电。时钟电路和PWM电路工作后,由它产生的激励脉冲使开关管工作在开关状态。主电源工作后,T3的7-10绕组输出的脉冲电压通过D20整流,利用C22、L5、C23组成的Π形滤波器滤波后产生24V电压,为伴音功放供电: T3的7-8绕组输出的脉冲电压通过D19整流,利用C21、L4、C24组成的t形滤波器滤波后产生12V电压,不仅为逆变器的控制芯片供电,而且通过稳压器降压后为电视信号处理电路供电; 5-6 绕组输出的脉冲电压经R305、R304、 R303取样后,从IC301 的5脚输入,IC301对5脚输入的脉冲信号检测后,就可以在T3初级绕组的反峰电压释放完毕后,才让开关管再次导通,以免开关管因导通损耗大而损坏,实现开关管低功耗导通的控制功能,也就是人们俗称的开关管延迟导通控制。
3. 稳压控制
当负载变轻引起主电源输出电压升高时,滤波电容C21两端升高的电压不仅通过R78为光耦合器PC8的Q2脚(1脚)提供的电压升高,而且电压通过R79、R77和R74取样后,为误差放大器IC9提供的电压超过2.5V,经IC9内部的误差放大器放大,使PC8的Q1脚(2脚》电位下降,PC8内的发光二极管因导通电流增大而发光加强,促使它内部的光敏三极管导通加强,将IC301的4脚电位拉低,被IC301内的误差放大器和PWM调制器处理后,使开关管导通时间缩短,T3存储的能量下降,主电源输出的电压下降到设置值。输出电压下降时,稳压控制过程相反。
4. 欠压保护
当IC301内部异常或R309阻值增大,C301、C302 漏电,导致C301两端电压在IC301启动期间低于12V 时,IC301 不能启动; IC301 启动后,若C301两端的电压低于8V,IC301内的欠压保护电路动作,使IC301停止工作,以免开关管因激励不足损坏,实现欠压保护功能。
5. 过流保护
当负载异常引起IC301内的开关管过流,在它内部产生的取样电压超过1.1V后,过流保护电路OCP动作,输出控制信号使PWM电路不再输出激励信号,开关管停止工作,以免它过流损坏,实现过流保护。另外,IC301 内部还设置了软启动电路和过热保护电路。
6. 过压保护电路
为了确保开关电源和负载正常工作,该机还设置了由Q9、Q10、ZD5、ZD9 等构成的过压保护电路。其中,Q9、Q10构成的是模拟单向晶闸管(俗称单向可控硅》电路。
当主电源的稳压控制电路异常,导致主电源输出的电压超过正常值的1.15倍左右时,稳压管ZD5或ZD9击穿导通,通过D18或D34和R64触发Q9、Q10 导通。Q10 导通后,切断PCTA的供电,PC7A、 PC7B 相继停止工作,无受控15V电压输出,该机进入保护性待机状态,不仅可以避免高压逆变器、伴音功放等负载元件过压损坏,而且可以避免主电源的开关管等元件过压损坏。
六、开机/待机控制电路
参见图2-50,该机的开机/待机控制电路以微控制器MCU、光耦合器PC7 (发光二极管PCTA、光敏三极管PC7B)为核心构成,待机/开机功能主要是通过控制主电源模块和PFC芯片有无供电来实现的。
遥控开机时,连接器CN2的11脚输人的电源控制信号ON/OFF为高电平,该控制电压经R8I、R80分压限流后使Q5导通。Q5导通后,接通PC7A的供电回路,PC7A开始发光,PC7B受光照后开始导通。PC7B导通后,ZD2就可以为Q8的b极提供16V基准电压,于是Q8的e极输出15.3V电压。该电压经CI8滤波后,一路通过R6限流,为Q7供电,由Q7的e极输出的电压H7224VCC经D27为高压逆变控制芯片IC3 供电:另一路为PFC芯片IC1和主电源模块IC301供电,使PFC电路和主电源电路相继进人工作状态。主电源工作后,不仅为高压逆变器、伴音功放供电,而且经低压电源输出2.5V、3.3V 等电压,为电视小信号处理等电路供电。以上电路获得供电后开始工作,于是该机进入开机(收看)状态。
当控制信号ON/OFF为低电平时,Q5 截止,使PC7A/B、Q8、Q7相继截止,受控电压Vcc和H7224VCC变为0V,PFC电路、主电源、逆变器、电视小信号处理等电路停止工作,该机进人低功耗的待机状态。
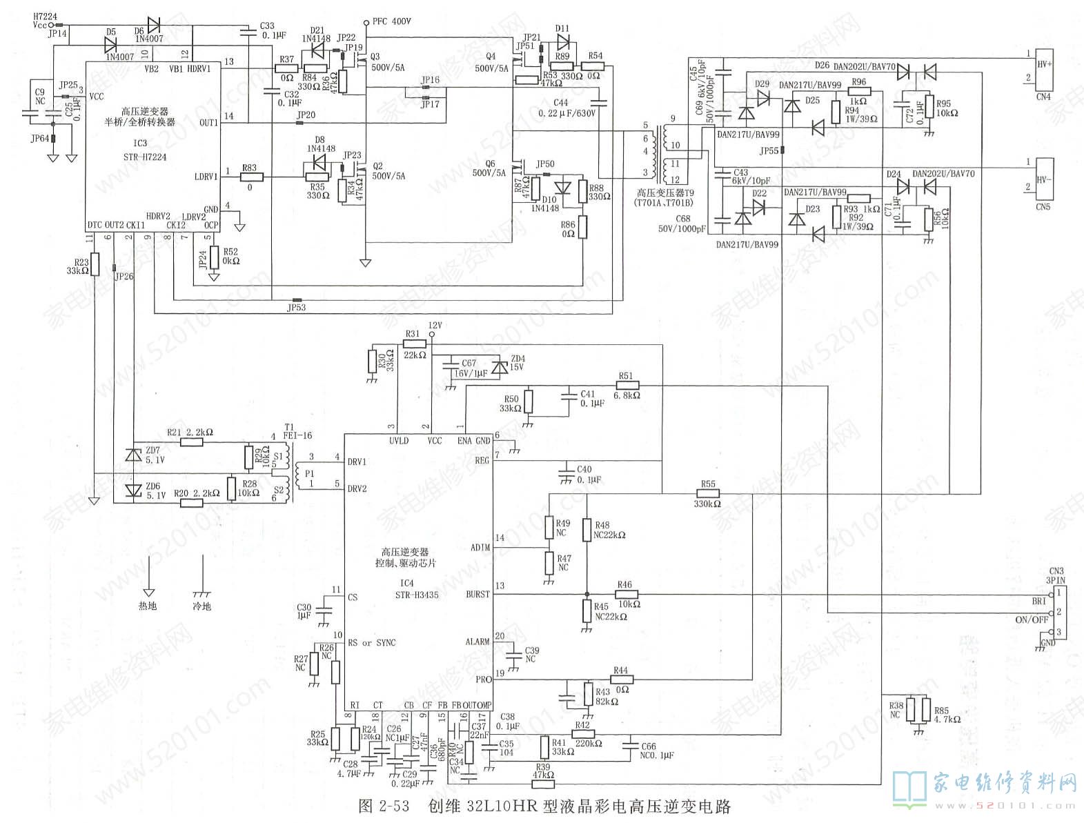
七、高压逆变电路
该机的高压逆变电路以芯片STR-H3435 (IC4)、 STR-H7224 (IC3) 和高压逆变管、高压变压器T9 (电路板上标注为T701A、T701B) 为核心构成,如图2-53所示。
STR-H3435是一种新型的CCFL背光灯控制器。它内部设有振荡器、PWM电路、灯管开路保护、过流保护、过压保护电路等电路。STR H3435的引脚功能和维修参考数据如表2-23所示。

(2) STR-H7224
STR-H7224是一种新型的半桥激励信号转全桥激励信号驱动器。它由转换电路、放大器、保护电路等构成。STR-H7224 的引脚功能和维修参考数据如表2-24所示。
2.半桥激励信号形成
半桥激励信号形成电路以芯片STR-H3435 (IC4)为核心构成。
(1)供电
主电源输出的12V电压经C67滤波后,加到激励脉冲形成电路IC4 (STR-H3435)的2脚,为它供电。IC4的2脚,外接的16V稳压管ZD4用于过压保护。
(2) 半桥激励信号形成
IC4工作后,它内部的振荡器与9脚外接的C36和8脚外接的R24、R25 通过振荡,产生振荡脉冲信号。该信号控制PWM电路输出一组对称的半桥激励信号,这两个对称的信号经放大后从IC4的4、5脚输出,利用激励变压器Tl耦合给半桥信号转全桥信号处理电路。
(3)软启动控制
为了防止IC4工作初期,它的4、5脚输出的激励脉冲的占空比过大,可能会导致高压逆变管过激励损坏,IC4的内部电路和11脚外接的C30构成软启动电路。IC4工作初期,因c30两端电压为0Ω,所以IC4的内部电路对C30充电,使IC4的11脚电位由低逐渐升高,被IC4内部电路检测后,控制4、5脚输出的激励脉冲占空比由小到大变化,实现软启动控制。
3.半桥信号转全桥信号、高压逆变
半桥激励信号转全桥激励信号、高压逆变电路以芯片IC3 (STR-H7224),逆变管(开关管) Q2~Q4、Q6, 高压变压器T9 (电路板上为T701A、T701B)、谐振电容C44为核心构成。Q2~Q4、Q6采用内置阻尼二极管的场效应管,阻尼二极管在图2-53中未画出。
(1) 供电
PFC电路输出的400V电压加到逆变管Q3、Q4的D极,为两个半桥功率变换器供电,同时受控电压H7224Vcc经C25滤波后,加到全桥驱动器IC3的3脚,为它供电。IC3获得供电后,开始工作。
(2) 信号转换
激励变压器 T1次级绕组耦合输出的一组半桥激励信号利用R20、R21输入到IC3的2、6脚,经其内部电路处理后,将1组半桥驱动信号转换为2组极性相反的半桥驱动信号,即全桥驱动信号。全桥激励信号从1、7、9、13脚输出。
(3)全桥逆变电路
当IC3的1、9脚输出的激励信号为低电平,7、13脚输出的激励信号为高电平时,1脚输出的低电平信号通过D8、R83使Q2截止,9脚输出的低电平信号通过D11、R54使Q4截止; 7脚输出的高电平激励信号经R86、R88 使Q6导通,13 脚输出的高电平信号经R37、R84使Q3导通。Q3、Q6导通后,400V 电压经Q3的D/S极、C44、T9的初级绕组、Q6的D/S极到地构成导通回路,回路中的电流不仅在T9的初级绕组上产生3脚正、5 脚负的电动势,使T9的次级绕组输出上正、下负的脉冲电压,而且对C44充电。随后IC3的1、7、9、13脚都为低电平,C44 存储的电压经Q3内的阻尼二极管、PFC电源、Q6内的二极管、T9的初级绕组构成的回路放电,不仅为PFC电源补充能量,还使T9的次级绕组输出反向(相) 电压。当IC3的1、9脚输出的激励信号为高电平,7、13脚输出激励信号为低电平时,13 脚为低电平后,通过R37、D21 使Q3截止,7脚为低电平后,通过R86、D10使Q6截止; 1脚输出的高电平信号经R83、R35使Q2导通,9脚输出的高电平信号经R54、R89 使Q4导通。Q4、Q2导通后,400V 电压经Q4的D/S极、T9的初级绕组、C44、Q2的D/S极到地构成导通回路,回路中的电流不仅在T9的初级绕组上产生5脚正、3脚负的电动势,使T9的次级绕组输出下正、上负的脉冲电压,而且对C44充电。当IC3的1、7、9、13脚都为低电平时,C44 存储的电压经Q4内的二极管、PFC电源、Q2内的二极管、T9的初级绕组构成的回路放电,为PFC电源补充能量,还使T9的次级绕组输出反向电压。这样,不管是在逆变管导通期间,还是在C44、T9 的初级绕组发生谐振期间,T9的次级绕组都会输出脉冲电压,确保该逆变器有足够高的效率和足够大的输出功率。T9输出的脉冲电压经连接器CN4、CN5为背光灯供电,背光灯获得供电后就会发光。
IC3的1、7、9、13脚同时输出低电平时间的长短受IC3的11脚电位控制。改变R23阻值的大小,可以改变IC3的11脚电位的高低,就可以改变IC3同时输出低电平激励电压的时间,也就是它们的静止时间(也称死区时间)。但静止时间必须要长于谐振电容C44的放电时间,否则,若逆变管在C44放电未结束前导通,会导致逆变管因导通损耗大而损坏。
(4)自举升压电路
为了确保高端逆变管Q3、 Q4可靠地工作,要求驱动电路为它们Q3、Q4的G极提供的电压超过它的S极电压,这就要求Q3、Q4的驱动电路必须采用单独的供电电路。该供电电路采用自举升压方式,由IC3的10、12脚内电路和外接的二极管D5、D6,以及电容C32、C33构成。由于两路自举升压电路一样,下面以10脚内外元件构成的自举升压电路为例进行介绍。
开关管Q4截止、Q6导通期间,供电电压H7224Vcc (14.5V左右)通过D5、C32和Q6构成回路为C32充电,使C32两端建立上正、下负的13.9V电压。Q6截止、Q4导通后,Q4 的S极输出的电压加到C32的下端,与C32上端的13.9V电压叠加后,通过10脚为Q4的驱动电路供电,确保驱动电路的供电比Q4的S极电压高出13.9V左右,从而实现自举升压的供电功能。
4.背光灯开/关控制电路
该机的背光灯能否点亮,受芯片IC4 (STR-H3435) 的1脚输人的电压控制。遥控开机时,微控制器MCU输出的背光灯开/关控制信号ON/OFF为高电平,该控制电压经CN3的2脚输入后,利用R51和R50分压限流,由C41滤波后加到IC4的1脚,使IC4内相关电路开始工作,它的4、5脚才能输出激励脉冲,通过IC3转换后,才能驱动全桥变换器工作在开关状态,高压变压器T9才能输出高压脉冲,背光灯才能发光。待机时,控制信号背光灯开/关控制信号变为低电平,使IC4的1脚输人的电压为低电平后,IC4 无激励脉冲输出,T9不能输出高压脉冲电压,背光灯熄灭。
5. 调光电路
调光电路由IC4的13脚内外电路构成。当微控制器输出的背光灯调光控制信号BRI经CN3的1脚输入后,再经R46限流,就可以改变IC4的13脚输入电压的大小,也就可以改变IC4的4、5脚输出激励脉冲占空比的大小,进而改变IC3的1、7、9、13脚输出的激励信号占空比。当IC3的1、7、9、13脚输出的激励信号占空比大时,逆变管Q2~Q4、Q6导通时间延长,高压变压器T9 (T701A、 T701B)输出脉冲电压增大,背光灯发光变强,屏幕变亮。反之,若逆变管导通时间缩短,T9 输出的电压下降,背光灯发光变弱,屏幕变暗。
6. 保护电路
(1)背光灯断路/短路保护电路
背光灯断路/短路保护电路由IC4的15脚内外部电路构成。当背光灯正常时,高压变压器T9输出的电压经D23、D25 整流,R96、 R93 和R85分压限流,再利用R39限流,使老化/断路使高压电流减小/消失,背光灯过流使IC4的15脚输入电压过低;或背光灯过流使IC4的15脚输入的电压过高时,IC4 内的保护电路动作,关闭4、5脚输出的激励信号,高压逆变器停止工作,实现背光灯断路/短路保护。
(2)高压过压保护
高压过压保护电路由IC4的17脚内部电路及电压取样电路构成。当T9输出电压增大时,利用C69、C45和C68、C43取样,再经D29和D22整流产生的取样电压升高。该电压利用R42和R41取样,为IC4的17脚提供的电压达到过压保护动作阈值后,IC4内的OVP电路动作,关闭4、5脚输出的激励信号,高压逆变器停止工作,以免背光灯、逆变管过压损坏,实现过压保护。
(3) 高压欠压保护
高压欠压保护电路由 IC4的19脚内部电路、高压变压器T9及电压取样电路构成。当T9输出电压减小时,经C69、C45和C68、C43取样,再经D26和D24内左侧的整流管整流产生的取样电压减小。该电压利用C72、C71滤波产生的电压较低,使D26、D24内右侧的二极管导通,为IC4的19脚提供的电压减小,被IC4检测后,它内部的欠压保护电路动作,关闭4、5脚输出的激励信号,高压逆变器停止工作,实现高压欠压保护。
八、常见故障检修
1. 待机电源不工作
待机电源不工作,说明待机电源电路没有市电电压输人或其未工作。该故障的检修流程如图2-54所示。

2. 待机电源能启动,但不能正常工作
待机电源能启动,但不能正常工作,说明待机电源电路或其负载异常。该故障的检修流程如图2-55所示。

3. 不能形成受控15V电压
不能形成受控15V电压,说明待机控制电路、保护电路或15V受控电压形成电路异常。该故障的检修流程如图2-56所示。

4.PFC电路不工作
PFC电路不工作,说明PFC电路异常。该故障的检修流程如图2-57所示。

5.PFC电路输出电压异常
PFC电路输出电压异常的故障原因:一是滤波电容C52异常;二是IC1的1脚外接的R14、R13、 R22阻值增大;三是C15、C2、C13异常;四是3脚外接元件异常;五是ICI异常。该故障的检修流程如图2-58所示。

[提示] IC1 的3脚外接电阻、电容异常,以及整流管D2异常也会导致PFC电路输出电压异常。 对于它们的检查可参照图2-57进行。
6.主电源不启动
主电源不启动的故障,说明主电源电路的供电电路异常或主电源电路未工作。该故障的检修流程如图2-59所示。

7. 主电源能启动,但不能正常工作
主电源能启动,但不能正常工作,说明主电源或其负载异常。该故障的检修流程如图2-60所示。

8.遥控开机后不久就返回待机状态
遥控开机后不久就返回待机状态,说明主电源的稳压控制电路异常或保护电路误动作。该故障的检修流程如图2-61所示。
9.高压逆变器不启动
高压逆变器不启动,说明背光灯供电控制电路、逆变器电路异常。该故障检修流程如图2-62所示。
10.热机后高压逆变器停止工作
该故障说明高压逆变器异常或背光灯异常。该故障的检修流程如图2-63所示。

九、检修实例
例1、创维32L05HR型液晶彩电三无,指示灯不亮
分析与检修:通过故障现象分析,初步判断该机没有市电输人或待机电源异常。首先,在路检查发现市电输入回路的熔断器F1熔断,说明电源电路、高压逆变器有元件击穿短路,导致F1过流熔断,在路检测C17正常,在路检测BD1正常,在路检查C52、C11也正常,初步判断电源部分正常,怀疑高压逆变器异常。在路测量时,发现四个高压逆变管Q2~Q4、Q6击穿,检查它们G极所接电阻正常,但在测量芯片IC3各个输出端的对地阻值时,发现IC3击穿,检查其他元件正常,拆除已发现的故障元件后,用5A熔断器更换F1后,再用导线短接连接器CN2的9、11l 脚,测主电源输出的12V、24V 电压正常,测H7224Vcc也正常,怀疑故障就在高压逆变器上。用2SK2645更换高压逆变管,用STR-H7224更换IC3,高压逆变器恢复正常,故障排除。
[提示]若手头没有同规格的熔断器更换,也可以将5V的玻璃封装熔断器的玻璃捏碎,取出它内部的保险丝;再将该保险丝焊在F1的焊点上即可实现替换。
例2、创维32L05HR型液晶彩电三无,指示灯不亮
分析与检修:按例1检修思路检查F1正常,说明电源电路、高压逆变器基本没有过流的现象,测待机电源C59两端无电压,说明待机电源电路或其供电异常。测C11两端有309V电压,说明300V供电正常,说明待机电源发生故障。测C19两端有启动电压,检查外围的C48、C47、PC4B正常, 怀疑IC5内部异常,用STR-A6259H更换后,待机电源恢复正常,故障排除。
例3、创维 32L10HR型液晶彩电三无,指示灯不亮
分析与检修:按例1检修思路检查,发现C59两端有电压输出,但电压过低,说明待机电源电路或其负载异常。拔掉连接器CN2的插头,断开负载后,测C59两端电压依旧,说明待机电源异常。测模块IC5的供电正常,检查外围主要元件时,发现软启动电容C48漏电,更换C48后,待机电源恢复正常,故障排除。
[提示]实际中,开关变压器T2异常也会产生该故障。
例4、创维32L10HR型液晶彩电三无,指示灯亮
分析与检修:通过故障现象分析,初步判断该机的待机控制电路、主电源或其供电电路异常。首先,用导线将连接器CN2的9、11脚短接后,测C18两端电压正常,说明待机控制电路、受控15V电压形成电路正常,故障发生在主电源电路。测模块IC301的3、1 脚供电正常,在路测C305、D20、D21 未见漏电或短路,怀疑IC301内部的控制电路异常,用正品的CQ0565R更换后,主电源输出电压恢复正常,故障排除。
例5、创维32L10HR型液晶彩电黑屏,有伴音
分析与检修:通过故障现象分析,初步判断液晶屏的背光灯没有发光、视频信号处理电路异常或液晶屏驱动电路异常。首先,用手电筒照屏幕时,屏幕上出现黯淡的图像,说明故障是由背光灯不亮引起的。因屏幕始终不亮,初步判断高压逆变器没有启动。测高压逆变管有400V供电,测IC4、IC3的供电也正常,测IC4输人的背光灯开关信号、调光信号也正常,说明逆变器不能启动是自多个引脚的阻值异常,说明IC4内部损坏,用STR-H3435更换IC4后,逆变器恢复正常,故障排除。
例6、创维32L10HR型液晶彩电黑屏,有伴音
分析与检修:按例5的检修思路,在路检测IC3、IC4的各个引脚对地阻值时,发现IC3多个引脚的阻值异常,说明IC3内部损坏,用STR-H7224更换IC3后,逆变器恢复正常,故障排除。
例7、创维32L10HR型液晶彩电黑屏,有伴音(二)分析与检修:按例5的检修思路,在路检测IC3、IC4 的各个引脚对地阻值正常,检查IC3、IC4的重点外围元件时,发现IC4的9脚外接的低频振荡器的定时电容C36几乎无容量,更换C36后,逆变器恢复正常,故障排除
例8、创维32L10HR型液晶彩电黑屏,有伴音(三)分析与检修:按例5的检修思路,在路检测IC3、IC4的各个引脚对地阻值正常,检查IC3、IC4 的重点外围元件时,发现IC3的13脚外接的限流电阻R37开路,更换R37后,逆变器恢复正常,故障排除。
例9、创维32L10HR型液晶彩电有高频叫声分析与检修: 通过故障现象分析,怀疑故障是由市电的共模滤波器、开关电源的开关变压器或高压逆变器的高压变压器磁芯松动或电源、高压逆变器工作频率低导致的。检查L6、 L7及T1~T3、T9 (T701A、 T701B)的磁芯、线圈正常,说明故障由开关电源或高压逆变器的工作频率较低导致。当断开连接器CN3时,高频叫声消失,说明故障是由高压逆变器工作频率低导致的。检查C36、R35、 R24 正常,接着检查发现补偿电容C37容量异常,更换C37后,高频叫声消失,故障排除。



网友评论