长虹激光投影机主要由主板( 也称机芯组件)、电源板(电源A板、B板或二合一)、DLP板、DMD驱动板DMD芯片光源(LD)光机(荧光轮、色轮、镜头等)组成,如图1所示。主板对输入的信号进行A/D变换、切换、视频解码、格式变换等处理,最后形成LVDS或VBO信号送给DLP板,经DLP板上的主芯片(FPGA)处理后送给主、从控制芯片,形成DMD驱动信号送给DMD板,将视频电信号转变为视频光信号,通过投影镜头将图像投射到屏幕上。
提示:主流激光投影的激光光源有两大类:一是由蓝色激光激发荧光粉的单色激光光源,二是RGB三基色纯激光的三色激光光源,不同的激光光源对应不同的驱动系统。
电源板:产生待机电压(12V),给主板和DLP板供电;同时产生PFC电压(390V),供给ID电压形成电路。电源-般自带 MCU,与DLP驱动板进行通信控制LD驱动。
主板:主要完成输入信号的处理及解码,最后输出LVDS信号或VBO信号到DLP板。
DLP板:是激光投影显示核心板,控制色轮、风扇、LD驱动及镜头调焦,进行信号处理及投影显示。
光机组件:光学显示部件,含镜头、色轮、两组蓝色激光二极管LD(LD产生蓝色激光,激发荧光轮再经过滤光轮,把红、绿、黄、蓝射到DMD芯片上,显示图像)等光学器件。
激光投影机的电路较复杂,且保护、检测电路较多,部分组件无法在工作状态下测试电压,因此,部分故障检修难度较大,为帮助广大维修人员准确判断故障,特对长虹激光投影机的常见故障进行分类整理供参考。
1、上电后不开机
二次开机后,电源板、主板DLP板先后进入工作状态,风扇转动,DMD、LD等部件自检,色轮/荧光轮转。风扇快转几秒后慢转,随后点亮LD灯。
不开机一般由电源A板、B板或主板等引起,电源板和主板的检修方法与液晶电视相同。
提示:电源A板输出的待机电压不受主板检测,即接通220V交流电就输出12V待机电压,供给主板;二次开机后,主板输出高电平(3.3V)开机信号PS-on(3.3V),电源板输出其他。
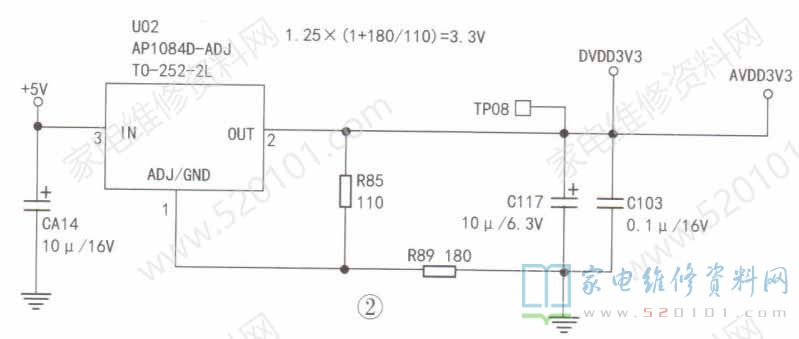
例1:一台X3F型机,上电后指示灯不亮,不开机。分析检修:拆机测量,电源A板输出的12V电压正常。检查主板,发现U02( AP1084D-ADJ)表面已烧裂。拆下U02后,测得U02②脚焊盘对地短路,这说明后级电路异常。检查U02②脚外接电路,如图2所示,发现电容c103击穿。更换U02与C103后试机,故障排除。

例2:一台D5U型机,故障现象同“例1”。分析检修:通电后测得主板上的12V供电仅为3.7V。断开主板与电源板的连线,测得电源板的电压仍为3.7V,由此判断电源板有故障。更换电源板后故障排除。
例3:一台90C5U型机,上电后指示灯亮,不开机。分析检修:拆机目测主板、电源板及DLP板,发现DLP板(型号:JUN6.672.1718)上的U29(风机和色轮的驱动电源管理芯片,型号为PMD1000)已烧坏,如图3所示,换新U29后故障排除。

例4:一台90C5U型机,上电后指示灯亮,不开机。分析检修:测量电压,初步排除电源板、主出故障的可能性,问题集中在DLP板.DMD芯片/卡座转接板上。拆下DMD芯片,发现DMD左边引脚颜色异常,如图4所示,怀疑此处接触不良,换新后故障排除。提示:DLP板与主板相互通讯,只有DLP板检测DMD、色轮、荧光轮等器件正常后,D才能发光。

例5:一台80C5U型机,在开机时听到风扇启动一下后就无动静,光机也未启动。多次开/关机,机器又能正常开机,且不会自动关机。分析检修:根据故障现象分析,判断电源A板或主板有问题,在开机瞬间,测量电源A板输出的12V电压正常。由于故障难以通过测量法找到故障部位,于是采用代换法,代换主板后故障排除。
例6:一台90C5U(JX01)型机,上电后指示灯亮,不开机。分析检修:首先测得电源板送给主板的12v电压正常,接下来测量主板上的DC/DC电路及IC供电,发现主芯片MSD6A848的3.3V供电只有2.5V,怀疑主板已坏,换新后故障排除。
网友评论