一、BJ-10ex打印机的电路系统
BJ-10ex打印机的电路系统总框图如图1所示,逻辑部分如图2所示,它可实现的功能包括打印控制、接口控制、喷头控制、电源控制、开关检测、指示控制等。
电源部分:见图3所示。其功能是将交流电源转换为直流电源,其输出包括Vcc1 =5VDC,Vcc2 =Vcc3 =5VDC,VH=24.8 ~27.6VDC,Vpp=14.8/16.8 VDC等几种,分别作为控制器,逻辑电路Bj墨盒电机蜂鸣器等的供电。
二、BJ-230打印机的电路系统(不同于BJ-10ex的是打印控制与MPU分离)
电路系统总框图如图4所示。逻辑部分电路如图5所示。其功能是:打印机控制、喷头控制、接口控制、指示灯控制和开关检测。
电源部分:向逻辑板提供三种直流电:Vcc =5VDC,Vh =27.6土0.2VDC, Vm=27.6VDC,分别用于逻辑控制,气泡喷头和加热器供电、电机供电等。
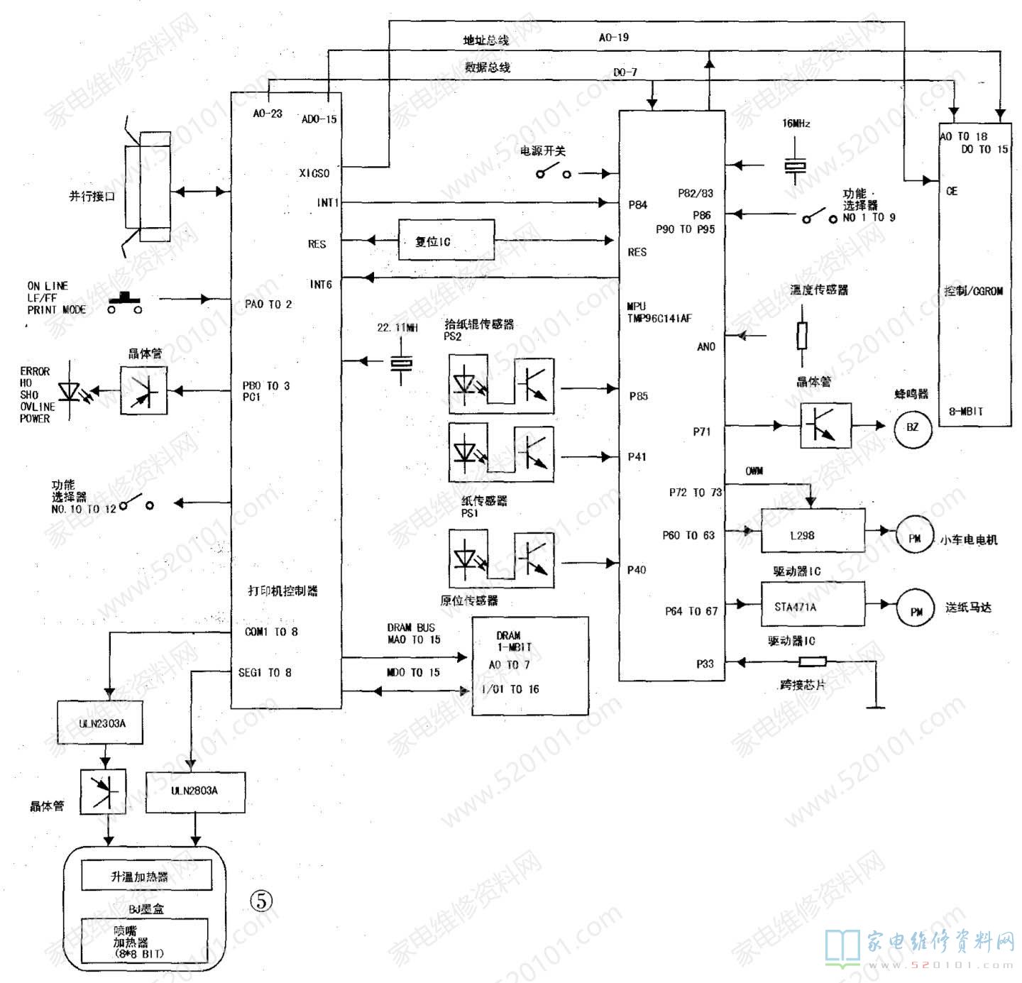
三、BJC-800打印机的电路系统
BJC-800属彩色打印机,电路系统的结构相应地要复杂一些,电路的总框图见图6所示。其插件板包括逻辑板、小车电路板、电源板及面板等。
1.逻辑板逻辑板分为以下两个部分,如图7所示。(1)控制部分:含控制MPU(主CPU)打印机控制器1(北桥)、控制ROM(只读存储器)传真ROM(字库)、接口驱动器和DRAM等。(2)引擎部分:含引擎MPU(机械CPU,即“从"CPU)、打印机控制器(南桥I号)TR阵列(驱动厚膜IC)、小车马达驱动IC(厚膜电路)等。
2.小车电路板小车电路如图8所示。由打印机控制器3、晶体管阵列、模拟开关等组成。
小车电路中:打印机控制器3的功能包括喷头加热控制,小车电缆检测、引擎接口控制,以及打印头选择等。晶体管阵列将打印机控制器3传来的串行打印命令、数据转换成并行数据后输出。热敏电阻用于检测气泡喷头的温度,该温度由模拟开关读出,结果被传至逻辑板。3.电源电路板
电源电路如图9所示。总共向各电路提供三路电源:VH(高压,供打印头加热电源)VM(供给小车驱动电机、送纸电机和清洗电机等电源)、vCC(供整个逻辑电路的电源)。为了减小负载电流,降低功耗,该电源电路采用了两路开关电源分别供电。
1.字车电机控制与驱动电路
字车电机控制与驱动电路的示例如图10所示。电路用一个“恒流斩波型电机驱动厚膜块"'SLA7024MEL(IC13)来驱动字车电机。由CPU(IC1 )输出四相驱动控制信号INA IN-A INB IN-B给SLA7024MEL;再由门阵列电路E05A85EB(IC3)输出RFA和RFB控制信号,以选择字车电机的相驱动电流值。
走纸电机控制与驱动电路示例如图11所示。
它采用混合集成电路SMA6501,以“高压驱动,低压锁定“方式驱动走纸电机。由CPU发出电机四相控制信号,施加到SMA6501的B1、B2、B3、B4端,由它的C1、C2、C3、CA端发出相位驱动信号给走纸电机的四相绕组PFA、PF.A、PFB、PF.B上。当+35V电压由SMA6501的CP端加到走纸电机的绕组公共端PFCOM上时,电机运转。当+5V 通过二极管VD1加到PFCOM.上时,电机锁定。电机的高/低压切换由CPU的T03端发出控制信号,控制晶体管VT1,再控制SMA6501的CP端。当CP端输出+35V时,D1反向截止,+35V加到电机上;当CP端无+35V时,+5V就加到电机上。走纸电机除完成走纸功能外,还用于墨水系统中驱动抽墨机构。
3.喷头控制与驱动电路
五、喷墨打印机的状态检测电路
喷墨打印机通常设置有4个传感器,通过相应的电路检测打印机状态。喷墨打印机检测电路如图13所示。
喷墨打印机在加电初始化过程中,不管字车处于什么位置,都将字车向左移动到初始位置(或打印过程中遇到回车控制码,也返回到初始位置)。为了使字车都能回到初始位置,在字车的背面安装有一个由光敏遮断器组成的传感器。它由发光二极管和光敏三极管组成。当字车不在初始位置时,光敏三极管因可接收发光二极管的光而导通,这时送人低电平信号给门阵列电路E05A85EB的sW7端。当字车回到初始位置时,导轨左端的小挡板恰好伸人发光二极管和光敏三极管之间,遮断光源,这时光敏三极管截止,送人一个高电平信号给门阵列电路EO5A85EB的SW7端。输人的高电平信号被程序检测到后,控制字车停止向左移动,停在初始位置上作为喷墨打印机开始打印位置。
2.纸尽检测电路
在任何喷墨打印机中,都设置有纸尽检测电路。它是用来检查打印机中是否装有打印纸。若打印纸没有装上或打印过程中纸已用完,都将控制打印机停止打印。许多喷墨打印机采用簧片开关作为传感器,当打印机中有纸时,簧片开关依靠纸的压力而接触,向门阵列电路EO5A85EB的sw8端输人一个低电平信号,无纸时簧片开关弹开,一个高电平信号输人给sw8,表示纸尽。当程序检测到PE信号后,自动停止打印且报警,以提示用户装纸。
3.墨尽检测电路
在喷墨打印机字车的墨盒支架上装有两个电子触点,当装上墨盒时,墨盒内的金属针就接触到这两触点,这样的装置就是传感器。当执行墨尽状态检测的操作时,由CPIJ的模拟信号输入端ANO (73脚)测试所输入的信号大小,判别墨水量的多少。
4 .温度检测电路
在喷头,上装有热敏电阻,由CPU的模拟信号输人端AN1 (74脚)检测印字头的温度。印字头驱动信号的脉宽就取决于这个温度值。
六、喷墨打印机电源电路的组成与原理
喷墨打印机和针式打印机--样,它的电源系统有两种,低档喷墨打印机采用普通的集,成稳压电源:中高档打印机则采用开关稳压电路。
集成稳压电源是将220V交流市电转换为低压交流电,再将低压交流电整流、滤波、稳压成各种直流电压的电源,为整机提供能源。这种电源的结构虽然简单,但是与开关电源相比,其损耗大,效率低。变压器和稳压器的温度都相当高。
开关电源则相对复杂一些,但其损耗低,效率高。目前,较为先进的开关电源的开关振荡频率达200kHz左右,效率可达到98%。其基本工作原理是,先将220V交流电变成脉动直流电,通过开关变压器和开关管人为地变成一定 幅度和频率的交流电,通过开关变压器耦合输出各种低压交流电,再分别经整流、滤波电路输出各路直流电源。简之,就是将交流市电经过交流->直流->交流->直流的变化,即“DC-DC变换”过程,将不稳定的外界交流电源变成受控的、相对稳定的交流电源,再经整流、滤波及稳压电路稳压后输出。
无论是什么电源,都提供两组电源,一组是+5V,主要供逻辑电路操作面板走纸电机和字车电机的锁定用;另一组是高压电源,供喷头走纸电机和字车电机的驱动等。
图14是佳能Bj330喷墨打印机的开关电源电路图,其工作原理如下。220V交流电源经过C1~C4和L1的“双向净化滤波”后,排除了电网对打印机和打印机对电网之间的高频干扰后,进人桥式整流电路RC1,经过整流->R2(限流)->C6(滤波),形成300V直流电源并分为两路供给主开关电路:一路经R3->R4->Q1的b-e结->R6->热地,形成回路,为开关管Q1提供启动电流;另一路在Q1启动后,经过开关变压器T1的初级⑥-④绕组->Q1的c-e结->R6->热地,形成回路,为T1的初级提供励磁电流,通过磁耦合方式向次级绕组供给电能。
T1次级①-②绕组是正反馈激励绕组,它通过①正->R7->R8->D2//C9->Q1的b-e结->R6->②负的回路,对Q1形成正反馈激励,使Q1产生自激式开关振荡,从而将通过T1初级的励磁电流变成了脉冲电流:该脉冲电流使T1初级的磁通发生对应于开关频率的变化,从而切割次级绕组使其产生感应电动势。





网友评论