POS机是一款高度集成的电子设备。它通过读卡器读取银行卡上的持卡人磁条信息,由收银员输入交易金额持卡人输入密码,然后把这些信息通过银联中心,上送发卡银行系统,完成联机交易,给出成功与否的信息,并打印相应的票据。
复杂的功能和使用环境决定了POS机的电源供电模式:它自带一节8.4V锂电池,方便移动操作;而由于锂电池的续航时间有限,它又需要外接电源及充电电路。为了实现更高的转换效率和更低的能耗,POS机通常都采用高度集成的PMU电源管理( power management unit)芯片、电感式DC-DC电压转换器LDO(线性电压调整器)等电源电路,还要加入各种保护电路,以避免用户误操作而损坏设备。
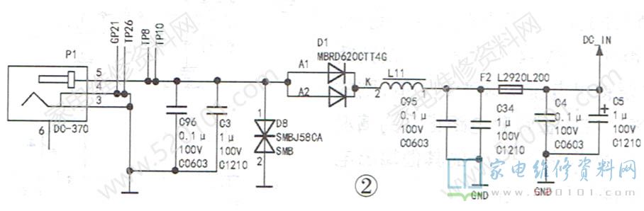
典型的POS机电源电路原理如图1所示:
下面,以深圳龙杰科技的POS机为例,分析其电源主要电路模块的工作原理。
一、保护电路原理分析
1、过流与反接保护电路
如图2所示,电源适配器的DC12V通过插座P1输入。C96、C3 为滤波电容,D1(MBRD620)为肖特基开关二极管,D8是一只TVS管(瞬变电压 抑制二极管),可吸收因外部电源不稳的浪涌脉冲,L11是一只共模电感 ,可抑制产品自身的共模电磁干扰;F2是一个自恢复保险丝;C95、C34、C4、C5等电容作用是滤波。若后级负载出现过载或短路,电流会急剧增大,自恢复保险丝F2熔断,进入过流保护状态。如果电源极性接反(正极接入P1的③、④脚,负极接入⑤脚),上电瞬间D1反向截止,电路没有输出,处于反接保护状态。
2、过压与欠压保护电路
(1)电路构成POS机过压欠压保护电路如图3所示。它是由U5(LM5060Q/MM,具有低静态电流的高侧保护控制器)及其外围元器件组成。
U5(LM5060)是一款具有低静态电流的高侧保护控制芯片,它的内部有两个电压比较器。③脚( OVP )为内部过压保护比较器输入端,它将UOVP 与2.0V电压进行比较。当UOVP大于2.0V时,比较器输出高电平,通过内部逻辑电路关断电源,从而启动过压保护。④脚(UVLO )为内部欠压保护比较器输入端,它将UVLO与1.6V进行比较,当低于1.6V时,比较器输出高电平,从而启动欠压保护;⑦脚是一个外部定时电容输入端,可以设定延时时间,避免保护电路误启动。
Q5:NMOS 管,作电源的开关;R83~R85:输入电压采样电阻;R12、R82:检测MOS管VDS电压故障;D4:TVS管,吸收外部电源的浪涌脉冲;C91:定时电容,设置VDS故障检测延迟时间。
在图3的电路中,DC_IN电压经采样电阻R83~R85分压后送给U5的④脚和②脚,根据电阻阻值计算,当DC IN输入电压小于9.45V时,欠压保护启动;当DC IN输入电压大于17V时,过压保护启动。
二、DC-DC电路原理分析
因为POS机是采用一节8.4V的锂电池供电,而电路中的CPU、Flash、DDR、WIFI、3G模块、USB、LCD等功能模块均采用5V或更低电压供电,所以POS机的整体电源架构是以降压为主。除此之外,POS机的LCD的背光和打印机头分别使用18V和20V的电源,因此还需两路DC-DC升压电路。
直流变压(DC-DC电路)主要是利用电感线圈的储能特性来实现的。当给电感线圈通电时,电能会转换成磁能并储存在线圈内:断电后,磁能释放出来并转换成电能,产生感应电压,如果与原电压同向叠加,则实现升压;如果反向叠加,则实现降压。
1、DC-DC升压电路

龙杰POS机背光电路由U11 (直流升压芯片CAT4139TD )及其外围元件组成如图4所示。U11的①脚(sw)内部通过一只N沟道MOS管接地,MOS管的通断受内部的脉冲振荡和脉宽调制电路(PWM)控制。L10 为储能电感,D1为续流二极管。Q1与R154、R893、R894、C191组成逻辑控制电路接通电源,U11的VIN=4.1V,芯片开始工作,电源对储能电感L10充电,电感电流在线圈未饱和之前线性增加,电感上出现左正右负的电压VL;当NMOS管被关断后,储能释放,电感上出现左负右正的电压VL。这个电压与输入电压VDD叠加,通过D1输出,使BKLED+端的电压等于VL+VIN,达到升压目的。
线圈上的电压VL的大小决定于流过它的电流的变化快慢。因此,如果改变U11内部的MOS管(sw脚)的开/关速度,就能改变VL值,从而改变输出电压。
R60对输出电压进行采样,然后反馈给U11的③脚(FB),通过调节IC内的脉冲占空比改变L10的存储/释放能量时间,从而改变VL值,使输出电压稳定。
该机的LCD背光源由6只3V/20mA的LED串联组成。电路工作后BKLED+和BKLED-之间的电压为VDD4V1与VL之和(大于18V)。该电压流过二极管D1供给LED,再经限流电阻R60到地,形成电流回路。
2、DC-DC降压电路

该机的12V到4.1V降压电路如图5所示。核心元件是U3( LM22670TJE,具有同步或可调开关频率的降压型稳压器)与L2(储能电感)。C23为输出电容,D3为续流二极管,R32、R33组成输出电压采样反馈电路。
LM22670的①脚(sw)内部通过一个P沟道MOS管接通电源,它的通断受芯片内部的脉冲发生电路和反馈信号(由⑥脚FB端接入)共同构成的PWM电路控制。
接通电源后芯片开始工作,内部的MOS管导通,12V电压通过电感L2向负载供电,同时电感储能输出电容充电,电容上的电压为上正下负,大小为VIN。当U3内部的MOS管关断后,流过L2的电流不能突变,感应出左负右正的感应电压VL;而电容上的电压不能突变,仍为上正下负。由于VL>VIN,续流二极管导通线圈L2向电容、负载供电,输出端的电压VTP1 = VL-VIN = VDD4V1。
输出电压经R33、R32组成的分压器采样后,反馈至U3的⑥脚,与参考电压(1.285V,芯片内部设置)进行比较放大,控制内部MOS管的通断时间,即改变电感上的储能时间,从而保持VL电压的稳定。
三、维修实例
故障现象:一台龙杰(ACS)ACR890型POS机,开不了机。分析检修:首先拆下锂电池,按开机键,不能开机。接上外部12V电源适配器,还是不能开机。拆下锂电池测量,发现电压为0V。换为新的锂电池后能正常开机了,因此判断故障点在12V电源输入的保护电路或降压电路中。外接DC12V电压后,测得D1的阴极电压为11.7V(正常),L11两端及F2的②脚(DC. IN)电压均正常,见图2,判定反接与过流保护电路工作正常。检查欠压/过压保护电路,见图3。
测试点TP2电压正常,但Q5输出端电压为oV(正常值为12V),不正常,因此故障范围缩小到Q5、U5及其周围元件上。
用万用表测量U5的UVLO和OVP电压,均不正常,怀疑是U5或者分压电阻R8~R85损坏,经查R85的阻值远大于标称值7.15k2,换上相同阻值的电阻后上电,故障排除。
网友评论