康佳KPS180-01电源板编号为34005534,应用于康佳LC32DS30 (1、2BOM)、LC32DS60C、LC32DT08AC (1、 2BOM)、 LC32ES62、LC32ES66、LC32D168C等液晶彩电中。与其输出电压相近的电源板还有编号为34006266、34005019、35012877的电源板,可与34005534相互代换。
康佳34005534 ( KPS180-01)电源板实物图解如图1所示;电路组成框图如图2所示。
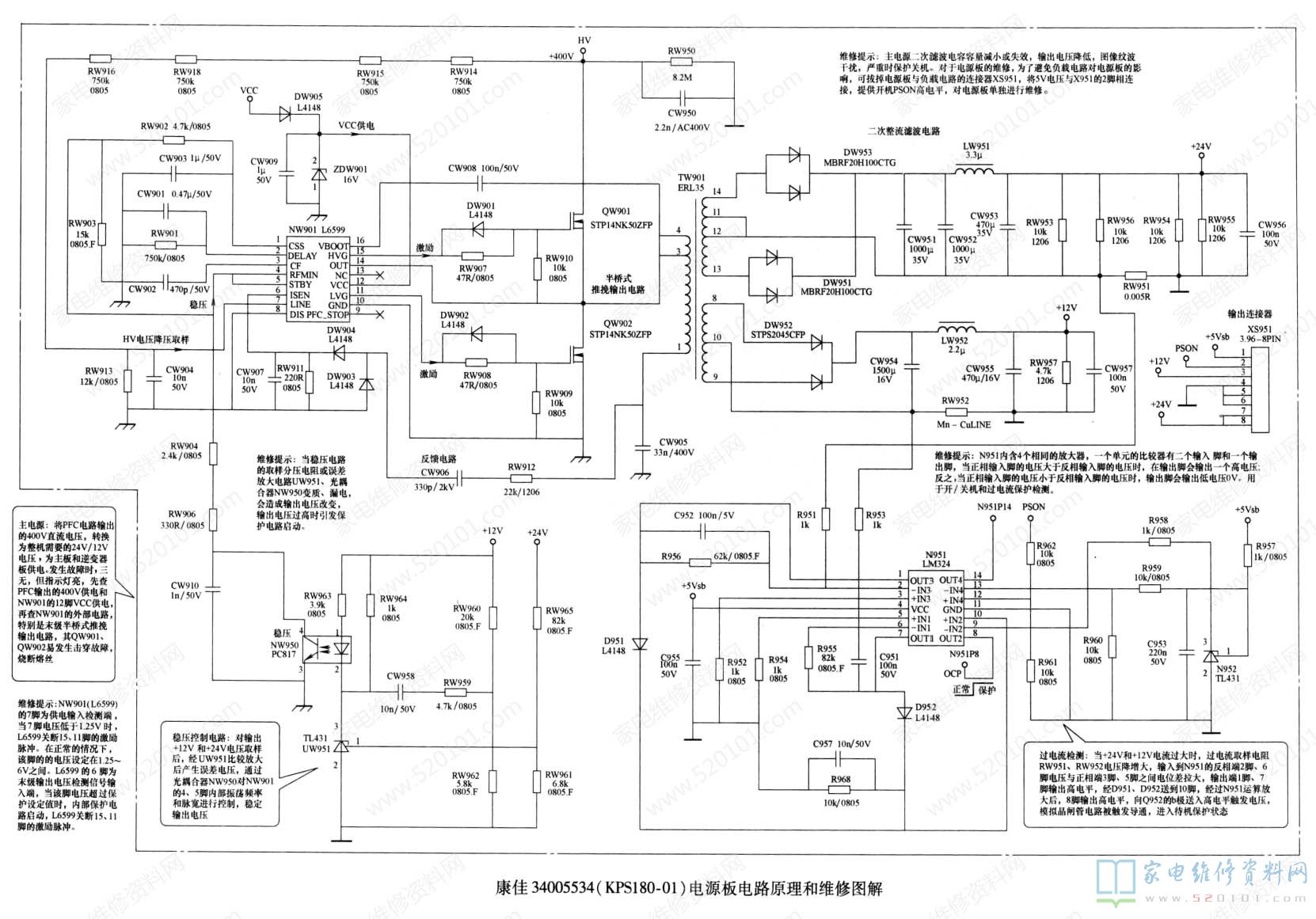
该电源板由三部分组成: 一是以NCP1653A (NF901) 为核心组成的PFC电路,将市电整流滤波后的电压提升到+400V,为主、副电源供电;二是以L6599 (NW901) 为核心组成的主开关电源,为主板负载电路提供+24V、+12V 电压,为主电路板和背光灯逆变器板供电;三是以Q0265E (NB901) 为核心组成的副电源电路,不仅为主板控制系统提供+ 5Vsb电压,还为驱动电路NCP1653A和L6599提供VCC工作电压。
待机采用控制PFC电路NCP1653A和主开关电源L6599驱动电路vCC供电的方式。通电后副电源首先工作,为主板控制系统提供+5Vsb电压,控制系统工作后为电源板送人PSON开机控制电压,副电源提供的VCC电压经待机控制电路为NCP1653A和16599提供工作电压,PFC 电路和主电源电路启动工作,市电整流滤波后为电源板提供约300V经PFC电路校正后,提升到约400V,为主副电源供电。主电源工作后,为主电路板和背光灯逆变器板提供+12V和+24V电源,整机进人开机收看状态。该开关电源还设有以Q952、Q953组成的模拟晶闸管保护电路,通过控制待机电路的光耦合器N950和晶体管QB901,对L6599的12脚和NCP1653A的8脚VCC电压进行控制。保护电路启动时,开关电源停止工作。
该电源板的集成电路引脚功能和参考电压见表1 ~表3。
康佳34005534 (KPS180-01) 电源板发生故障时,主要引起三无故障,可通过观察指示灯是否点亮,大致判断故障范围。
1.三无,指示灯不亮
指示灯不亮,主要故障在副电源电路中。首先测量PFC电路输出滤波电容CF901两端是否有待机300V电压,无电压,故障在市电输人抗干扰电路和市电整流滤波电路。先检查熔丝F901是否熔断,如果已经熔断,说明开关电源存在严重短路故障,先排查电源板电容、开关管是否短路击穿。如果熔丝未断,测量副电源NB901电路。
2.三无,指示灯亮
指示灯亮,电源板无12V和24V输出,先检查16599的12脚有无vCC供电,有vCC供电,则测L6599及其外部电路;无VCC供电,检查开关机控制电路N951、0951、 N950、 QB901 。
3. 自动关机
开机几秒钟后开关电源停止工作,输出电压降到0V,测量模拟晶闸管0952的基极电压,如果由正常时的0V变为0.7V以上,则是以模拟晶闸管为核心的保护电路启动。可拔掉连接器xS951,将其2脚开关机PSON控制端接1脚+5Vsb,模拟开机高电平,再接假负载对开关电源电路进行检修,判断故障是在负载还是在开关电源。确定保护之后,可采取解除保护的方法进行维修。全部解除保护:将Q952的基极对地短路;逐路解除保护:可断开D954后开机测试,如果开机不再保护,则是过电流保护电路引起的保护,否则是过电压保护电路引起的保护。
康佳34005534 ( KPS180-01)电源板电路原理和维修图解如图3所示。


网友评论