室内机采用PG电机
室内显示发光二极管(LED)显示
室外机采用单速抽头电机
室外机压缩机采用西安庆安变频压缩机
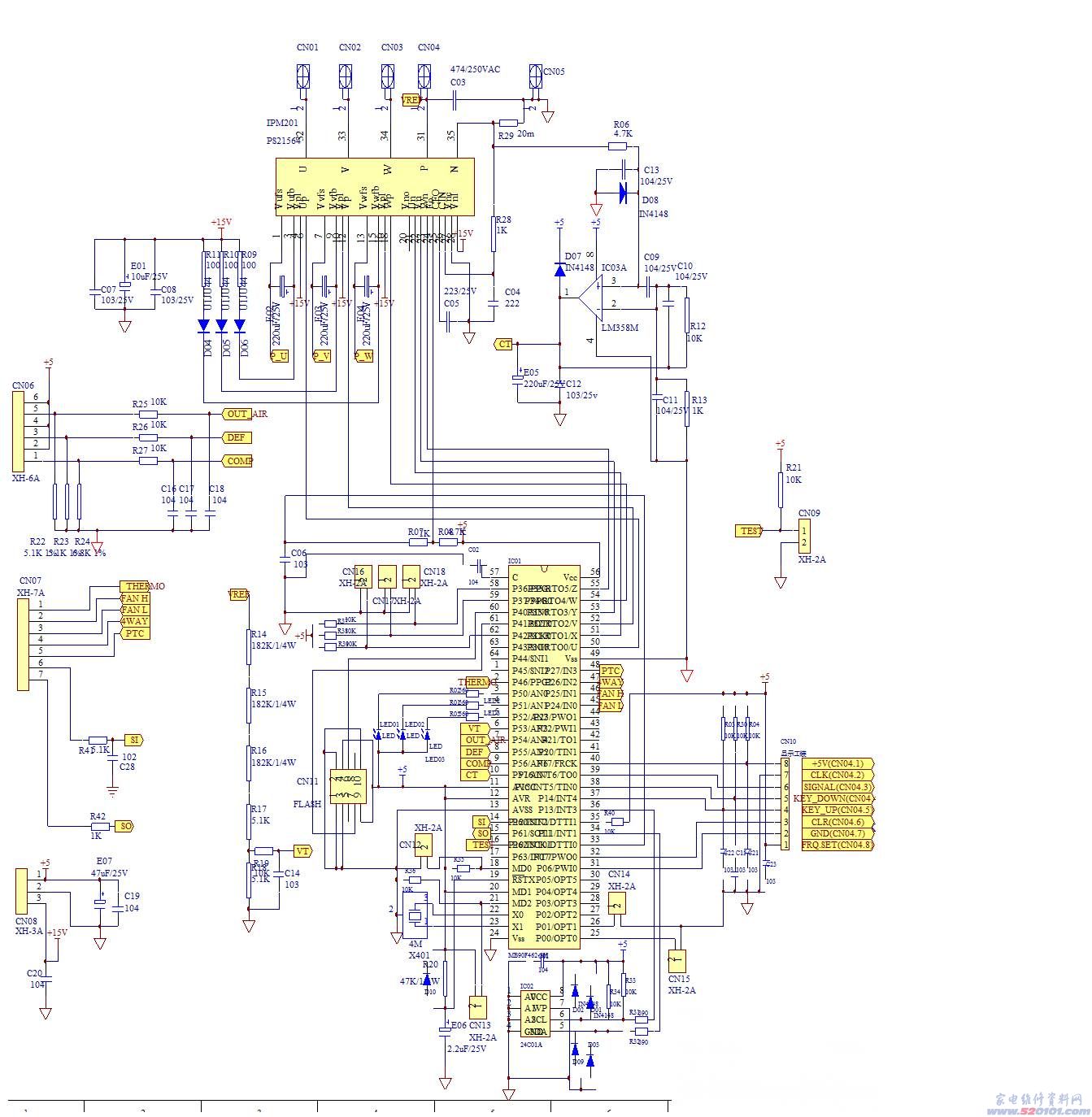
功率模块采用三菱15A(PS21564)
室内外控制芯片分别采用ST8位单片机和富士通16位单片机
控制模式同KFR-3216GW/BP
室外机采用热地设计,同KFR-2606W/BPA
遥控器没有人机对话功能,没有室内温度检测功能
内机故障自检按高效键四次
外机直接看故障指示灯即可
以前所用的检测工状仍可用在本机中
室内机部分

室内机电源电路和过零检测电路
三极管Q01没有导通时,B点的电位近似5V(逻辑1);当Q01导通时,B点的电位近似与0(逻辑0)。当交流电每次过零点时,三极管Q01导通,在B点会产生一个脉冲,送至CPU口,从而完成过零检测。

PG电机的控制原理
PG电机的控制采用东芝公司的TLP3526。

复位电路
复位电路采用MOTOROLA公司的MC34064,该集成电路的特点是可以保证CPU的工作电压不会低于4.6V,如果电源电压低于4.6V,CPU将复位。

传感器采样电路
热敏电阻是随着温度不同而呈现不同阻值。

内机故障自检表

室外机部分

海信变频空调器压缩机控制图


外机故障自检
网友评论