客户来电咨询一台格力柜机,诉说故障为有时能开机,但制冷一段时间后说不定什么时候就自动停机,连显示窗都变成黑屏;有时不能开机,显示窗黑屏,按“开/关"键无任何反应;有时开机室内风扇转动,但室外机不启动工作,显示窗显示的温度数字不变。
        听到客户说的这些现象后,决定到现场看看情况。来到客户店里,看清格力空调的型号是KFR-50LW/K。合上控制空调电源的空气开关,空调的蜂鸣器“嘀”的响了声,按一下空调板上的“开/关”键,空调无“嘀"声,显示窗黑屏。连按数下“开/关”键,空调仍无反应。将空气开关分闸,然后再将空气开关合闸,空调的蜂鸣器又“嘀"了声。再按空调柜上的“开/关”键,空调仍无反应,显示窗仍是黑屏,又接连按几下“开/关”键,只听空调柜上的蜂鸣器“嘀”的响了声,空调柜上的显示窗亮了,指示灯显示在“自动"模式,室内风机正常转起来。但过了约二十分钟,室外机不启动工作,按柜机上的“模式”键,将空调定在“制冷"模式,温度下调至26°C(当前室内外温度为32°C),又过了约十分钟,室外机仍不工作,只得按“开/关"键,室内风机停转后将空气开关分闸,给空调断电进行初步检查。
        根据故障现象,检查压缩机的50uF启动电容充放电正常,压缩机的运行绕组1.5Ω、启动绕组2.8Ω的阻值正常,压力检测电路的高压开关及插头插座、连线正常,控制压缩机,外风机的接触器、继电器正常,室内、外的管温、室温传感器的阻值正常,试压三通截止阀加氟处的顶针处,有氟喷出。
        初步检查没发现问是,决定带电检测一些数据再作判断。把空气开关再次合闸,听见蜂鸣器发出“嘀”声,检查交流电压215V,强电板上的12V、5V电压正常,各传感器输出端通往cPU结点的电压在2.2V~2.5V之间,也正常。按空调柜上的“开/关"键,蜂鸣器不晌,显示窗、指示灯都不亮,又连按数次“开/关”键,空调仍无反应,看样子空调已“死"机。单片机、显示窗、按键板装在一块板上,位于柜的上端,不像强电板装在柜的底端好检查,把上端面板取掉后还要取单片机板背后的泡沫保护层。现场空间小,顾客又在做生意,员工们在空调周围时而拿取货物,我怕空调拆开后许多带电线都暴露在外,电伤行人。征得客户同意后,把强电板和单片机显示板取回修理部检修。
        回到修理部,在强电板上为压缩机接触器线圈供电的小继电器的常开触头处焊上5W小灯泡,将为外风机供电的继电器的常开触头上也焊好5W小灯泡,以便通过观察灯的亮、灭来判断假的“压缩机、外风机”是否得电工作。焊好灯泡后,再在强电板的220V进端L、N点处理好带插头的电源线,即可对强电板和显示板通电检修了。

        将强电板的电源插头插入插座,蜂鸣器“嘀”响了声,按显示板上“开/关”键,显示窗和指示灯不亮,蜂呜器也不响,用万用表检测强电板上的12V、5V电压正常,检测显示板.上室内、外管温、室温传感器的出端电压在2.2V~2.5V之间,说明传感器电路无故障,而晶振和复位电路出故障的可能性极小(因为插强电板的电源插头时蜂鸣器有“嘀”声),那是什么原因导致空调死机、黑屏呢?

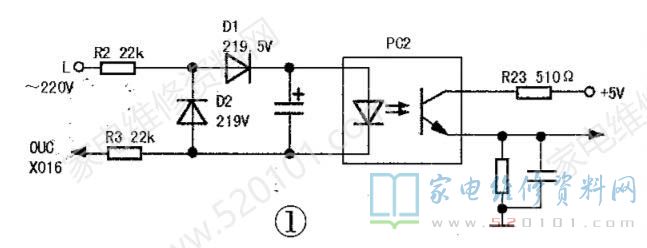
         先将注意力放在易出故障的压力检测电路上,拔掉强电板的电源插头,对怀疑的压力检测电路上的元件脱焊检测见图1,用MF47型万用表,拨在RX10挡,黑表笔接光耦PC2内发光二极管正极,红表笔接发光二极管负极,阻值约800Ω,再用一块MF47型万用表,挡位拨在RX1k,黑表笔接光耦内集电极,红表笔接光耦内发射极,有100kΩ波动的阻值,并且时有时无,估计光耦性能已变,脱焊检测其他元件,当检测到R3时,发现R3被电烙铁加热后,阻值逐渐变为标称值22kΩ,但电烙铁离开,R3降到常温后,电阻值变为无穷大。继续检查其他元件,没有发现故障元件。换掉R3和光耦PC2,以为故障排除,谁知通电后故障依旧,接通电源瞬间蜂鸣器“嘀"一声响,再按“开/关’键无任何反应,显示窗黑屏。
         是不是还有隐藏的故障元件没查?又把电脑显示板和强电板上怀疑的元件查了一遍,对怀疑的大功率元件的引脚无论有无“隐”圈都进行补焊,补焊完后再次插好强电板电源,只听蜂鸣器“嘀”的一声,按“开/关”键,还是无反应,显示窗黑屏。拔掉电源插头,决定第二天再检修。但想到从上午修到半夜还没修好,又觉得不甘心,再者这台空调检修耽误了一天时间,还有另外几台空调等着修,电视机也没修,顾客已来几次电话催修,感到心理压力很大。鬼使神差,我把强电板的插头又插入了电源插座,听到蜂鸣器“嘀”的一声,我顺手按了下电脑板的“开/关”键,“嘀”的一声,显示窗亮了,显示代码“E1",这真是给了我一点惊喜!又试着按了1“开/关’建,显示窗黑屏、关机了,再按“开/关”键,显示窗还是黑屏,又死机了,奇怪! 仔细回想开机过程,原来是插 上电源插头,听到蜂鸣器响后,要马上按“开/关"键,显示窗亮后显示“E1" ,否则就会死机黑屏。回想清楚后,马上试验,几次结果与我回想的一样。

       “E1”是高压保护代码。奇怪的是压力保护电路的故障元件已替换,又未连接制冷系统的管路试机,怎么会高压保护呢....想着想着,豁然开朗,原来是自己疏忽大意,犯了检修错误,我把强电板和电脑显示板从空调柜机上拆下来带回修理部“摘板检修”,就断开了强电板、电脑显示板与室内外机的连线,而在强电源上与室外机连接时高压保护反馈线也被断开,高压保护反馈线在强电板上引出点的编号为X016,它从强电板引出后经过高压开关P接在室外机内控制压缩机启、停的接触器的线圈上,并和线圈匝端共同接在N线上,见图2。

        赶紧将强电板上X016的引线与N(零)线接通,插好电源插头,蜂鸣器“嘀'响后,显示窗黑屏,再按显示板上“开/关”键,显示窗亮了,显示当前温度32°C,过了约3分钟,代表压缩机、室外风机的指示灯亮了,说明控制压缩机、室外风机的继电器已吸合,再按其他功能键,都能正常操作显示。为保险起见,又插拔电源插头几次试机,按"开/关”键无论时间快.慢,都能正常显示工作,并看到把高压保护压力检测线端X016与N线接通后,电阻R2、R3上的电压有了大幅度下降,见图2与图1所标的电压比较。
        强电板的修复,解决了心头之急,第二天到客户店里试机,空调开、停制冷正常,但仍有时室内机风扇运转后,室外机不工作,或空调运行一段时间后自动停机现象。检查空调制冷运行时低压侧压力接近0.5MPa (正常),运行电流与机板上所标电流相符,交流电压为215V不低,凭维修经验检修,造成空调室内机风扇运转,而室外机有时工作,有时不工作的故障现象,与压缩机的启动电容变质有关,果断换掉压缩机的50uF启动电容,再开空调试机,空调室内风机运转,室外机不工作的故障彻底消失。但空调制冷运行中室外机的压缩机、风机自动停转的现象时有发生,且温度越高时故障也越频繁,而这时室内并没达到设定的温度。见室外机的冷凝器很干净,外风扇转速不低,好像难以发现故障所在,有经验的师傅会换掉外风机的电容,室外风机、压缩机运行中自动停机的故障现象就会彻底排除。把空调的外风机电容换新后,再启动此空调试机,室外机的压缩机、风机再无自动停机现象。
       注:当取掉室外风机电容与新电容比较时(用万用表的电阻挡测量),有些师傅发现同容量的电容,表针的摆动幅度大致相同,就又把旧电容装回到室外风机上,结果造成疑难故障,转而去检修其他电路,导致故障久久不能排除。如果是电容容量变小,万用表的电阻挡可以判断出,看表针的摆动幅度就知道,如果是电容变质,万用表的电阻挡测不出,本人帮好多维修师傅检修过室外机运行中跳闸的故障,大多都因外风机的电容变质或容量变小引起。而外风机的启动电容的容量变小或变质,跟压缩机的启动电容的容量变小或变质相比,机率要小得多,所以一些师傅很少遇到外风机电容的容量变小、变质的故障,遇到了就觉得是疑难故障,难排除。
       小结:空调的摘板检修,断开了与室内、外机的连; 线,拿回修理部检修时,往往只注意在电路板上连接的。传感器,而忽视其他功能线的连接,即使电路板检修好了,按“开1关”键也不能正常开机,造成“死机”现象,使检修进入“死”循环,花费大量时间、精力,此例空调检修,在断开与室外机高压压力反馈线的连接后,回到修理部没有把强电板上X016处的高压压力引出线与N(零)线短接,使得电路板修好后仍不能开机,吃了大亏,教训就深刻难忘了了。
       再者检修空调时;难找到图纸,所以进行空调摘板检修时,拆电路板上与室内、外的连线、插头时,尽量绘制出各个接插件的位置,并弄清连线的作用,这样,在把电路板拿回修理部检修碰到疑难故障时,才好对照草图分析检修,以免再次回到客户家画图,既尴尬,又费时费神。这样做的同时也可以避免修复后装回控制板时,接错导线或插错接插件。检修经验少的师傅,往往遗漏这一过程。