一、认识变频空调的铭牌
作为一名有经验的空调维修人员,在维修作业前应能读懂空调的铭牌,通过对铭牌的了解,可以得到故障机的一些信息,对进一步快速 维修提供良好的支撑,使我们在上门维修前能有更好的工具.器件准备,提高检修速度。
1.规格型号
型号:KFR-35GW/BP2N1Y-JE3(3)K:代表“空调”拼音的第一个字母;F:代表“分体”空调拼音的第一个字母;R:代表热泵(冷暖)功能;35:代表制冷量3500W ;G:代表挂式内机;W:代表空调的外机;BP2代表第二代变频空调(BP代表第一代,是交流变频空调;BP2代表第二代,是直流变频空调;BP3代表第三代是全直流变频空调);N1:代表使用新冷媒(目前为R410a);Y :代表此空调有遥控功能;JE3(3):代表空调的产品设计、改进、制造序列号。
2.铭牌信息
铭牌中制冷剂:R410a;充注量:1030go这两个是重要的标注信息,维修时要看清使用的制冷剂,同时要注意充注量。R410a制冷剂由R32和R125各50%组成属于非共沸制冷剂,两者不相融密度不一 样,如果采用气态充注会导致密度轻的先进入系统,致使R32和R125不配比,制冷效果差的现象。变频空调充注制冷剂一般要采取虹吸或倒灌液态定量充注,确保以液态的方式进入系统(见图1-a),满足R410a制冷剂中R32和R125各50%的配比的要求。而早期的交流变频空调大部分采用R22制冷剂则可以进行气态充注(见图1-b)。
二、认识变频空调的主要器件
1.压缩机
此款空调使用的压缩机是广东美芝制冷设备有限公司生产,型号是:DA108M1C-10EZ;制冷量是3250W;属于单气缸的直流变频压缩机,使用R410a环保冷媒。
2.外机热交换器
此台空调外机热交换器采用g6mm紫铜管,双排铜管网设置,采用高金镀铝翅片,提高其热交换效率,换热面积大,不缩水热交换效果好,见图2。

3.节流装置
此台空调的节流装置采用的是毛细管(见图3所示),由于此台空调的制热采用“热泵+内机电热"模式,此款空调没有再设辅助制热毛细管和单向阀。如果是全直流变频(3代变频技术)-般采用电子膨胀阀节流(见图4所示)。

4.四通换向阀
四通换向阀是制冷、制热转换的重要器件,本台空调使用的四通换向阀是安徽天大集团生产的器件,型号是DSF-4(见图5所示),由于目前的变频空调-般使用R410a制冷剂,四通阀内部需要承受比R22高1.6倍的压力,往往容易导致空调四通阀内部阀芯泄漏,导致高压压力变低,低压压力变高,致使空调制冷、制热效果变差。笔者遇到过两台此款直流变频空调四通换向阀串气导致制冷效果差的现象,更换时可以使用浙江盾安四通换向阀DSF-4型号替换。

5.电抗器
在无源的PFC电路中一般设置电抗器(见图6所示),通过25mH电感与6pF/450V电容器的并联,使其串接在外机主电源直流供电电路中,因为大功率的整流桥的使用会导致电网的干扰和污染,降低功率因数,加大了线损和无功功率,通过无源PFC电容电感并联进行补偿。

6.内机电控板
内机电控板是控制内、外机的核心部件。内机电控板由电源输入电路、整流滤波稳压输出电路、过零检测电路、存储器电路24C04、复位电路、CPU、晶振电路、显示电路、通信电路、ULN2003驱动电路、蜂鸣器、温度采集电路、应急强制按钮、风机控制电路等电路与器件组合而成,如图7所示。

7.外机控制板
外机控制板是控制与驱动直流变频压缩机、外风机、四通阀等器件的控制器,主要由外机电源电路、整流滤波电路、外机CPU处理电路、变频压缩机模块驱动电路开关电源电路、电流检测电路、温度采集电路、通信电路等组成,如图8所示。

由于外机控制板控制对象多,控制比较复杂,为了进一步缩小外机控制板的体积,本机采用“双面(双层)电路设计”,使器件间更紧凑,布线更短、减少干扰,信号传输处理更合理,如图8(外机板正面)。
三、管路系统原理
本空调控制模式先进,通过改变四通换向阀的工作状态能实现制冷、制暖功能的切换。系统管路采用紫铜管弯制,为了提高热交换器的换热效率,采用高金镀的翅片工艺,系统使用R410a新型的环保冷媒。整个管路系统结构紧凑,布置合理。
1.制冷系统原理
制冷系统原理图如图9所示,压缩机从室内热交换器(蒸发器)吸入低温低压的制冷剂气体,经压缩机做功压缩为高温高压制冷剂气体从压缩机排气口排出,进入四通换向阀1口,制冷状态时四通换向阀的线圈不通电,此时四通换向阀的主阀阀芯不动作,1-4管口连通,2-3管口连通,使高温高压制冷剂气体通过1-4管口进入室外热交换器(冷凝器),通过轴流风扇对外散热,使制冷剂冷凝为高压中温的制冷剂液体,流经过滤器过滤杂质后经节流装置(毛细管)进入到蒸发器吸热气化蒸发,使房间的热量减少,达到制冷的目的,实现制冷循环。
2.制热(暖)系统原理

制热(暖)系统原理图如图10所示,压缩机从室外热交换器(蒸发器)吸入低温低压的制冷剂气体,经压缩机做功压缩为高温高压制冷剂气体从压缩机排气口排出,进入四通换向阀1管口。在制热(暖)状态时,四通换向阀的线圈通电,通过先导阀驱动四通换向阀的主阀阀芯动作,1-2管口接通,3-4管口接通,使高温高压制冷剂气体通过1-2管口进入室内热交换器(冷凝器),通过贯流风扇电机强迫热交换,输送热量到房间实现制暖状态(同时还可以利用在内机中的辅助制热发热管的工作,提高制热.的效果),经毛细管节流降压后进入室外热交换器(蒸发器),通过轴流风扇电机的工作,强迫热交换器的制冷剂吸收环境的热量使其气化蒸发,之后流经四通换向阀的3-4管口,被压缩机的低压吸气口吸入,完成制热(暖)的循环。
四、电控系统原理
变频空调的电控系统一般由内机电控板、外机电控板、PFC电路等组成。
1.内机板电控系统原理
内机电控板由电源输入、CPU、复位、存储器、过零检测、内风机调速、ULN2003驱动、通信、传感器、应急开关启停等电路组成。
(1)电源输入电路

电源输入电路如图11所示,实物图如图12所示。
AC220V电源一路通过5A/250V保险管后并接压敏电阻ZR1 (起到瞬间高电压时击穿,致使ZR1短路,熔断保险管,保护之后的电路不至于损坏),同时还并接了C9电容(起到抗干扰、抑制谐波作用),串接PTC1(正温度系数的热敏电阻,一般串接于电源变压器的初级,常温下为85Ω,一旦变压器或负载短路导致流过变压器的电流变大,PTC迅速升温,阻值变大,流过变压器的电流变小,如果严重短路流过的电流几乎为零,起到对变压器以及电控板供电电路的自动保护作用)后接变压器的初级绕组。变压器次级AC16V和AC12V电压,分别经全波整流、E1、E9电容滤波后输出DC21V和DC16V的直流电压,进入7812和7805三端稳压块,输出稳定的DC12V(为继电器、风摆电机、ULN2003反相器等器件供电)和DC5V电压(为CPU、存储器、过零检测电路、强制启停电路、传感器输入电路等供电)。
另一路在电源的L (火线端,fUSE1前)并接一只10A/250V的电源保险管FUSE2后接继电器开关的一端,继电器开关的另一端接室内机辅助制热(暖)的发热管(由于室内机的辅助发热管常温下阻值为1.12k,工作时电流较大,因此在电源电路中专门设置了10A 的保险管作为供电的保护)。
(2)CPU

CPU外部端口图如图13所示。CPU也称为单片机,是变频空调器的控制处理器,是电控系统的核心器件。CPU( D78F9189CT )的①~④脚是内机4相8拍风摆电机的脉冲输出控制端,每输出一个脉冲,步进电机就转动二个步距角,通过CPU的内部控制程序可以实现对步进电机的复位、转向、步距进行控制,使送风位置能方便调节,满足用户对不同送风方式的要求。本机采用的步进电机型号为MP24GA5,工作电压是DC12V,步距角5.625°。
CPU的⑤脚接变频空调应急启停开关。按压开关可以对空调进行强制的启动或停止的应急操作。
CPU的⑥脚外接内机的环境温度传感器,用于检测空调场合的环境温度。通过调节控制器(遥控器)的设定温度所对应的电压值与该脚的CPU内部标准电压值比较,来进一步控制压缩机的转速与开停机,进一步控制与恒定空调房间的温度。⑦脚是内机管温温度传感器。为了提高传输的效率,管温温度传感器--般使用铜材作为传感器的外壳。该传感器制冷时主要起到防止盘管过冷,制暖时起到防冷风控制。控制原理与⑥脚的控制相同。本机的两个传感器都是采用负温度系数的热敏电阻,温度值越高,阻值越小,在环境温度25C时实测阻值均为10k2(目前空调常用的传感器规格有:5k、10k、15k三种)。
CPU 的21、25脚是工作电源脚,是保障CPU能正常工作的条件之一。其中21、25脚是DC+5V脚,⑧、⑨脚接地。一般CPU常用的工作电压是DC5V,部分CPU使用DC3.3V甚至DC1.8V。
CPU 的11脚是外机供电继电器脚。外机的得电与否主要靠此继电器(线圈工作电压DC12V,工作电流AC20A,使用在AC250V的场合)的动作,而继电器的工作主要依据外部的输入和控制信号(如遥控器开机指令、传感器输入信号、通信数据传输等)。当有开启外机指令时,内机CPU的①脚为高电平,经ULN2003反相器后输出为低电平继电器线圈得电工作,触点吸合由内机送电到外机。
CPU的13脚是内机辅助制暖(热)电热管控制继电器脚(线圈工作电压DC12V,工作电流AC10A,工作电压AC250V)。为了提高制热的效率和出风温度,在内机的热交换器背部安装了电热管(阻值1.12k)。当开启制热功能时,CPU的13脚输出高电平,经反相器后输出低电平,继电器触点吸合,使辅助制暖的发热管得电工作。
CPU的14脚是过零检测端口。通过对电源变压器次级采样,整流后获得一个方波的过零信号,当电源过零时控制双向可控硅导通角,从而控制风机。CPU的④脚正常情况下为不断变化的高、低电平,形成-个标准的过零脉冲波形。
CPU的12、26、28~32脚连接内机控制面板线路,包含数码管显示位的发光二极管的控制电平(灰线、青线、棕线、黑线);时钟信号:CLK(紫线);数据通信:DATA(蓝线);电源:+5V(黄线)、地(橙线);遥控接收头信号:REC(红线)。CPU的15脚是内风机的风速反馈信号输入端,16脚是风机风速控制端。
CPU的17、18脚是通信电路的端口。17脚TXD是信号发送端;18脚RXD是信号接收端。用于室内外机的数据通信。
CPU的19、20脚是存储器数据通信脚。19脚SCL是控制信息端;20脚SDA是数据通信端。用于存储各种功能数据。
CPU的22脚是复位端。采用低电平复位,刚接上电源时,22脚为低电平进行清零,复位完毕恢复高电平。
CPU的23、24脚接外部晶体振荡器。该晶体振荡器的振荡频率为:2.45MHz,是CPU工作的必要条件之一。
CPU的27脚是蜂鸣器控制端。按压遥控器或应急按钮,CPU 27脚会发出瞬间(短暂)的高电平,经ULN2003反向后变成低电平,加到蜂鸣器一端,另一端接+12V,蜂鸣器就会发出“嘀”的声音,提醒用户,说明指令有效并执行该功能。
(3)复位电路

复位电路原理图如图14所示,实物图如图15所示。
为了使空调的CPU能正常工作,不至于内部的程序混乱,一般在空调上电时均需对CPU进行清零、复位处理,确保CPU能有效地工作。本空调电控板使用73L42半导体器件作为复位电路主要元件,当+5V电源加到E4电容正极和73L42输入端时,由于电容两端的电压不能瞬间突变,此时CPU的22脚为低电平,对芯片进行清零,大约十几毫秒后电容E4端充电完毕(复位的时间取决于E4电容的容量大小),通过73L42的作用使22脚为高电平,实现对CPU的复位工作。
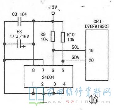
(4)存储器电路

存储器电路原理图如图16所示,实物如图17所示。
本机使用的存储器是24C04,工作电压5V,通过19脚SCL控制信息端;20脚SDA传输数据,在存储器内部最大能保存2048bit,也就是说最多可以存储255个字节的数据。主要存储实现空调控制的各种数据,而且掉电也能保存数据的功能。如果遇到开启空调功能混乱,不能对相关功能进行切换、控制等很可能是存储器数据丢失、损坏等,一般情况下重新写入或复制厂家数据就能恢复工作。
(5)过零检测电路

过零检测电路原理图如图18所示,实物如图19所示。
变压器次级电压给D5、D6全波整流后形成脉动的直流电压,经电阻R1、R19分压、限流,通过C4电容滤除高频谐波。当Q1三极管的基极电压大于0.7V时,三极管ce极导通,CPU 14脚为低电平;当Q1三极管的基极电压低于0.7V时,c、e极截止,CPU 14脚为高电平,在CPU的 14脚形成脉冲波形。CPU通过判断、检测电压的零点,给CPU提供一个标准,获得与电源同频率的方波过零信号,这个标准的起点电压就是零电压,风机控制电路的可控硅导通角的大小就是依据这个标准。此外,该信号还可以作为CPU芯片的计数和时钟之用。
(6)风机调速电路

风机调速电路原理图如图20所示,实物如图21所示。
风机调速电路必须与过零检测电路协调,才能保证正常的风速调整与控制。在过零处,CPU的16脚依据目标转速的要求调整输出脉冲,使三极管Q3的导通时间以及c、e极的电流发生变化,从而通过导通相位角和导通时间控制AQH2223双向可控硅模块,进一步调整和控制风机转速。同时通过风机内的霍尔传感器反馈的转速脉冲信号与目标转速比较,如果转速过高或过低,CPU 16脚会输出控制脉冲使导通时间比上次提前或滞后,进一步精确调整风机的转速。
通过实际测量,本机的内风机工作时低风档的转速对应的交流电压是:110V,中风档:150V,高风档:165V;CPU 15脚输入DC3.4~3.8V跳变的反馈电压。
电容C7和电阻R5组成吸附电路,避免可控硅在开关瞬间反峰的高电压击穿可控硅。
(7)ULN2003驱动电路

UIN2003是反相器,它的驱动电路原理图如图22所示,实物如图23所示。在本机中该器件使用的是东芝厂家的TD62003,与ULN2003功能-样。在空调电路中,CPU输出的电流小、电压低,带载能力弱,一-般不能直接驱动负载,因此在电路中采用负载驱动芯片ULN2003作为反相器,具有一定的带载能力,能驱动继电器、蜂鸣器、步进电机等执行器件。

目前空调电控板常用的驱动芯片是16脚的直插安装或贴片安装的方式,⑧脚接地,⑨脚接+12V电源,①~⑦脚分别与16~18脚一一对应,当①~⑦脚为高电平时则16~10脚输出低电平(此方式是目前空调使用ULN2003最多的驱动方式),起到输入与输出相反的反向作用。
(8)通信电路
通信电路是实现内外机联系、控制的关键电路。通过通信线路可以对空调的内外机的信息、数据进行分析、判断并实现控制、保护等功能,其原理如图24所示,实物如图25所示。

目前,通信电路控制模式大同小异,主要依靠DC24V(如果电压过低损耗太大,通信可靠性变差)的电压作为远距离传送的保障,再把数据流(通信脉冲)依托于通信线进行相互传输。
通信电路的工作电压是-24V,L火线经反向连接的二极管D8后通过R21、R22限流和DZ1稳压管,形成24V的直流电压。Uns 是24V;Usn是-24V (指接线端子N零线与S通信线)检修时注意区分。
变频空调器工作时,内机给外机通信原理:CPU的17脚(TXD)输出高电平和脉冲功能信号,Q2三极管工作,PC851光耦器输入端①脚为高电平、②脚低电平(接地),此时PC851工作,把脉冲功能信号通过光电功能传输到输出端④、③脚,再通过R23电阻、N零线把数据送到外机的接收端口。

外机给内机通信原理:外机通信电路把信号由外机通过通信线送到内机板的通信端子s,经D7、二极管、R16限流电阻送到PC781的输入端①、②脚,光耦内的发光管工作,进行信号的光电传输,输出端④、③脚接收到信号,使信号从③脚输出经R13电阻进入到CPU的16脚,进行信号的接收(RXD)。
(9)传感器接口电路

内机的传感器主要是环境(室温)温度传感器(原理如图26所示)和管温温度传感器(原理如图27所示),实物如图28所示。

1)环境温度传感器接口电路原理:环境温度传感器T1是一个负温度系数的热敏电阻。它的特点是温度升高电阻值变小,温度下降,阻值变大。当环境温度比较高或刚开空调设备时,T1传感器电阻小,支路电流大,分压电阻R24两端的电压差高,经R25限流后直接加到CPU的⑥脚,CPU通过⑥脚的电压值与内部的程序控制的电压比较,决定设备的开/停、压缩机的运转速度风机的速度等。
2)管温传感器接口电路原理:管温传感器T2同样是一个负温度系数的热敏电阻。安装于内机盘管中,用于检测盘管的温度,对设备进行控制与保护(制冷功能时对室内蒸发器的过冷进行保护;制热功能时主要起到防冷风控制功能)。其控制原理与环境温度传感器接口电路原理相同。
(10)应急开关启停电路
应急开关启停电路原理如图29所示,按下KEY开关,CPU的⑤脚电压经R43被瞬间接地,此时⑤脚电压由高电平变成低电平,触发空调按照“自动模式”进行运行;当要停止空调运行时,按压开关KEY,同样使CPU的⑤脚瞬间由高电平变成低电平,让空调执行关机操作。
五、外机板电控系统原理
外机电控板执行内机的控制指令,完成变频压缩机、风机、四通阀驱动,同时还具有传感器信号输入、压缩机过流保护等功能。外机电控板由电源输入电路、开关电源电路、传感器输入接口电路、通信电路、压缩机驱动电路、外接PFC电路、风机驱动电路、四通换向阀驱动电路等组成。
1.电源输入电路

电源输入电路原理图如图30所示,实物如图31所示。L火线经20A的保险管后接两个压敏电阻ZR1、ZR2,然后连接高压放电器DSA1,用于避免瞬间电路的高电压对之后电路元件造成损坏,再通过由电容C1、C2和电感L1组成的Π型滤波器,减少或消除谐波对供电系统的影响,得到纯净的电源。

L线串接外机供电继电器的触点,同时在触点两端并接了PTC器件,当内机送电AC220V到外机时,外机供电继电器RY1触点不工作,此时电流流过PTC(PTC常温下阻值为48Ω),PTC一旦有电流流过,温度升高,电阻值变大,此时PTC相当于开路状态,但之后的相关电路已得电工作,使CPU送出高电平到ULN2003的④脚,从15脚输出低电平,继电器线圈有DC 12V的电压,继电器工作触点吸合,为之后的大电流电路供电,因此PTC在电路中起到外机供电瞬间避免外机负载的大电流直接加入导致继电器触点烧蚀甚至烧毁的现象。
AC电源经BR1全波整流后,加到由电抗器L与电容器C(6uF/450V)组成的PFC电路(主要由电感和电容组成,大功率的整流桥的使用会导致电网的干扰和污染,降低功率因数,加大了线损和无功功率,通过无源PFC电路进行补偿)。输出的直流电源经E20、E21( 680uF/400V )滤波去除纹波系数,得到平滑的直流电。压缩机在低频运转或主机达到设定温度停机(待机)时输出DC310V电压(此电压会随着压缩机频率的变化在DC280V~DC310V之间变化,一般频率越高,压缩机转速越快,电流越大,此电压就会越低),供给变频空调的模块用于驱动压缩机。
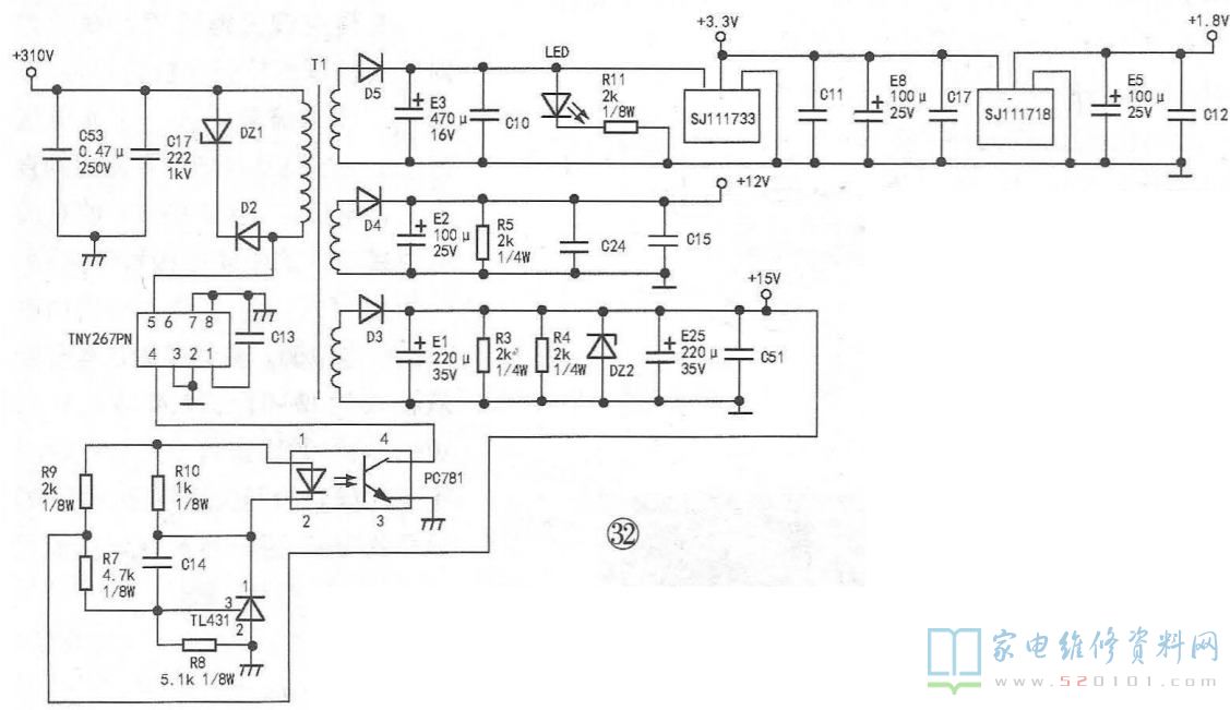
2.开关电源电路

开关电源电路原理图如图32所示,实物如图33所示。开关电源电路工作原理:本开关电源采用TNY267PN,输出功率13W。

TNY267PN的⑤脚是接内部MOSFET (场效应管)的漏极连接点;②、③脚接内部源极连接点外部接地;①脚与地之间外接C13(0.1uF),内部产生5.8V的电压;④脚接模块MOSFET的控制脚,主要实现对开关振荡频率的控制,进一步稳定输出电源。
TL431是一个有良好的热稳定性能的三端可调电流基准源,当参考端(控制端)3输入电压有微小变化时,从阴极1到阳极2的电流将随之在1mA~100mA内变化。利用这种可控电流的特性,可以有效控制与稳定输出的电压。
工作原理:通过主机电源电路整流滤波送来的+310V的电压进入开关变压器的初级,加至TNY267PN的⑤脚(D漏极),②、③、⑦、⑧脚接地(s源极),开关电源起振,在开关变压器的次级输出外机电控板需要的直流电压等级。第一路经二极管D5整流、E3滤波sJ]111733稳压模块输出+3.3V ;经SJ111718稳压模块输出+1.8V的电压供CPU使用。其中还并接了LED的电源指示灯(红色);第二路通过D4整流二极管和并接E2滤波电容后输出+12V的电压,主要用于继电器的供电第三路通过D3整流二极管和并接了E1电容器后再并接DZ2稳压二极管输出稳定的+15V电压供变频模块内部电路使用。次级输出电压的过高或过低都会导致电控板紊乱或不工作。当输出的电压过高时从第三条支路(+15V支路)反馈到R7电阻,加到TL431参考端3的电压变高,使TL431的1、2端流过的电流加大,光耦PC781输入端1、2流过的电流大,发光强度变大,通过光电传输与转换的作用使输出端4、3导通能力变强,电流变大,致使TNY267PN的④脚电位变低,通过芯片内部电路使开关电源振荡的频率变低,流过⑤、②、③、⑦.⑧)脚的电流减小,使输出电压回落到正常值。当次级输出电压偏低时,其稳压控制过程与上述相反。
3.外机ULN2003驱动电路

外机ULN2003驱动电路原理图如图34所示,实物如图35所示。外机ULN2003驱动电路工作原理:电源从内机送电到外机端子的L、N端,当ULN2003的15脚输出低电平使外机继电器RY1线圈得电,触头闭合,供电到外机的整流桥。当ULN2003的16脚输出低电平时,外风机高风挡继电器RY4线圈得电,触头闭合,风机高风运转。当ULN2003的17脚输出低电平时,外风机低风挡继电器RY3线圈得电,触头闭合,风机低风运转。当ULN2003的18脚输出低电平时,四通换向阀继电器RY2线圈得电,触头闭合,实现制热循环。

4.外机通信电路

外机通信电路原理图如图36所示,实物如图37所示。外机通信电路工作原理:内机发送过来的信号通过接线端子,零线N进入到主机的接收电路,使光耦PC781初极发光,进行光电传输。次极通过+3.3V的电源接光耦内光电三极管集电极,从发射极输出信号经R21后加到室外机CPU的接收端( RXD),完成内机对外机的数据信号传输。

外机发送信号内机接收信号时,室外机CPU的TXD脚输出信号,经电阻R7后,当信号脉冲为高电平时,三极管Q1 (2SC1815)导通,此时信号进入PC851的初级,发光二极管工作,通过光电传输,信号经R2、D1(1N4007)及信号接线端子(S)传输到室内机的接收电路,进行数据通信。
5.变频驱动模块电路

变频驱动模块端口图如图38所示,实物如图39所示。

变频空调压缩机驱动模块是对压缩机调速控制的执行器件,该器件工作电流变化大,工作电压高。此变频驱动模块需要两组的直流工作电压:一组是+310V的直流电供模块内的驱动三极管使用;另一组是+15V电压,作为模块内电路的供电电源。变频控制信号分别从模块的12~14脚输入U+、V+、W+;从17~19脚输入U-、V-、W- ,实现对模块内开关管导通时间导通角的控制,进一步实现对压缩机转速的有效控制。
六、变频空调开关机工作流程
变频空调器开关机, 设备运行程序与关键数据如下:上电:接通AC220V电源后,测量内机(或外机)接线端子L、N间的交流电压为“0V";N与S(s代表通信信号的意思,是英语单词Signal的第一个字母)的直流电压为稳定的24V。
开机:当按下遥控器或按应急按钮启动变频空调(如制冷状态)后,内机面板显示屏点亮(显示温度、显示运行指示等字样见图40),风摆电机打开,内风机开始运转,内机板中的“外机供电继电器”吸合,送电到外机,压缩机、风机运转,外机的电源指示灯“黄灯"亮,CPU工作信号(故障)灯“红灯"闪烁,制冷正常。此时使用万用表测量L.N端子间电压为AC220V,N,S通信线路间电压为直流8V~15V(不断地摆动),这也说明通信电路正常,内外机在相互传输数据。

关机:当使用遥控器或按应急按钮关闭变频空调器时,压缩机停机,外风机延时30s后停转,内机面板显示的温度.运行指示灯熄灭,但干燥灯此时点亮(当然也可以手工按遥控“干燥按钮,取消干燥功能,内风机马上停转,风门关闭,干燥指示灯熄灭,内外机通信电路DC 8V~15V的跳变电压在3分钟关闭,内外机电源继电器断开,此时整机停止),内风机继续运转对内机的热交换器进行吹风干燥处理,时间约6分钟,之后四通换向阀线圈得电使四通阀的阀芯切换到制热模式,内风机停转,风摆电机带动叶片关闭导风板,玉缩机工作外风机运转 ,高温 高压制冷剂气体直接进入内机热交换器,进行进一步的翅片 干燥处理,时间约1分钟后压缩机停机、外风机延迟30秒停转,再过两分钟四通阀断电、内机面板“干燥”指示灯熄灭,外机的电源指示灯“黄灯"、CPU工作信号灯"红灯"都熄灭,整机关闭完毕。此时再次检测L、N端子电压为“0V" ,测量N、S通信端子的直流电压是稳定的24V。
七、常见故障检修
故障现象1:上电后,内机的控制面板马上显示故障代码“E6”,使用道控或按应急按钮无效,整机不工作。故障检修:上门检查,通电时,听到蜂鸣器有"嘀"的声音,说明内机供电正常,但整机不工作。用万用表检测内机接线端子的数据通信线有稳定DC 24V电压,说明通信电路供电正常。打开内机的外壳,取出内机的电控板,检测+5V、+12V供电正常,贯流风扇电机正常,用万用表测得CPU⑦脚电压仅有0.3V,不正常,正常时该脚电压为DC2.5V(25°C)时,细查后发现室内管温传感器开路,导致CPU的⑦脚接收不到管温的电压,致使报故障码"E6" ,换上新的10k(25°C)管温传感器后故障排除。
同理,如果室温传感器断路损坏也会导致CPU⑥脚处于低电平(0.3V左右),面板同样显示故障"E6"。
故障现象2:开启空调,内机送风正常,外机不工作,6分钟后内机面板显示故障“E1"。故障检修:内机风摆电机能打开风门,风机送风正常,内机面板电路能正常显示,使用遥控器均能对内机进行控制,说明内机供电正常。每隔一会就能听见内机的供外机继电器触点会有吸合和断开的声音。刚接通电源未按遥控器时,用万用表检测通信电路N与S的电压为DC 24V;当用遥控器开机后,检测此电压为摆动的DC15V~23V,与正常时内外机通信的电压DC 8V~15V有较大的出入,这说明问题在通信电路,细查后发现外机通信电路中R2电阻阻值为无穷大,导致通信电路不能构成回路,更换R2后故障排除。
故障现象3:开启空调,外机运转,内机凤摆电机工作,风门打开,但内风机不转,约3分钟后整机停机,内机面板显示“E2”故障。故障检修:上门检查,按遥控器进入制冷模式,内机风摆电机工作,风门打开,主机工作时用手摸二、三通截止阀感觉凉,但此时内机风机不工作,不送风,以为内风机损坏,拆开内机后检测风机绕组正常,通电状态下用手转动贯流风扇,检测风机中的霍尔传感器有断续的电压输出,说明风机正常。以为风机驱动电路损坏,更换风机驱动IC(AQH2223 )后故障依旧,再检查风机电路的所有器件均为正常,此时维修陷入困局。细想后发现此内风机是电子调速风机,主要通过AQH2223模块进行驱动,而驱动调速需要提供一个标准,这样才能有效控制导通角从而控制风机转速是否过零电路 出问题?检测后发现过零检测电路CPU的14脚为低电平0V(见图41所示),不正常,此电压应该为ACIV左右,当检查Q1时,发现c.e极已击穿,导致CPU 14脚接地,不能为CPU提供参考电压。更换Q1后故障排除。
故障现象4:开启空调,内外机运转正常,1分钟内机风机停转、风门关闭,外机停机,并显示故障“E3”。故障检修:上门检查,开机运行制冷模式,内机风门打开、风机开始运转,外机工作,正常制冷,大约1分钟左右,内风机停转,风门关闭并显示故障代码"E3",此时按压遥控器任何按键均无效。断电重启空调后,用万用表检测通信电路正常,内机板电源供电正常,当检测到内风机的反馈线的CN9的端子2时发现无反馈电压,以为接线端子引脚虚焊,补焊后故障依旧。断开电源重新上电但不启动空调,用手拨动内风机的贯流风扇,用万用表直流电压挡检测,发现随着风扇的转动无脉冲电压输出,CPU未接收到反馈的风速数据,致使CPU不能对风扇驱动模块AQH2223控制(见图42),导致风扇失速,报故障码"E3"。更换内风机后故障排除。

故障现象5:开启空调,内机风机运转、外机工作,约7分钟后显示故障“E5"。故障检修:上门检查,使用遥控器开启空调,内机风摆电机工作,风门打开,内风机正常送风。外机高频工作约1分钟后停机,之后主机连续三次进行自动启动,第四次时内机面板显示故障码"E5"外机停机,内机按遥控器失灵(无反应)。

估计问题在外机,打开外机的顶盖,发现外机的“红色"故障指示灯一直闪烁,问题应该在外机。查供电,均正常,检查中发现外机的压缩机排气管传感器(见图43所示)阻值仅为1.3k,正常值约为50k/25°C,换新后故障排除。该机的故障代码及原因见表1,供参考。
网友评论