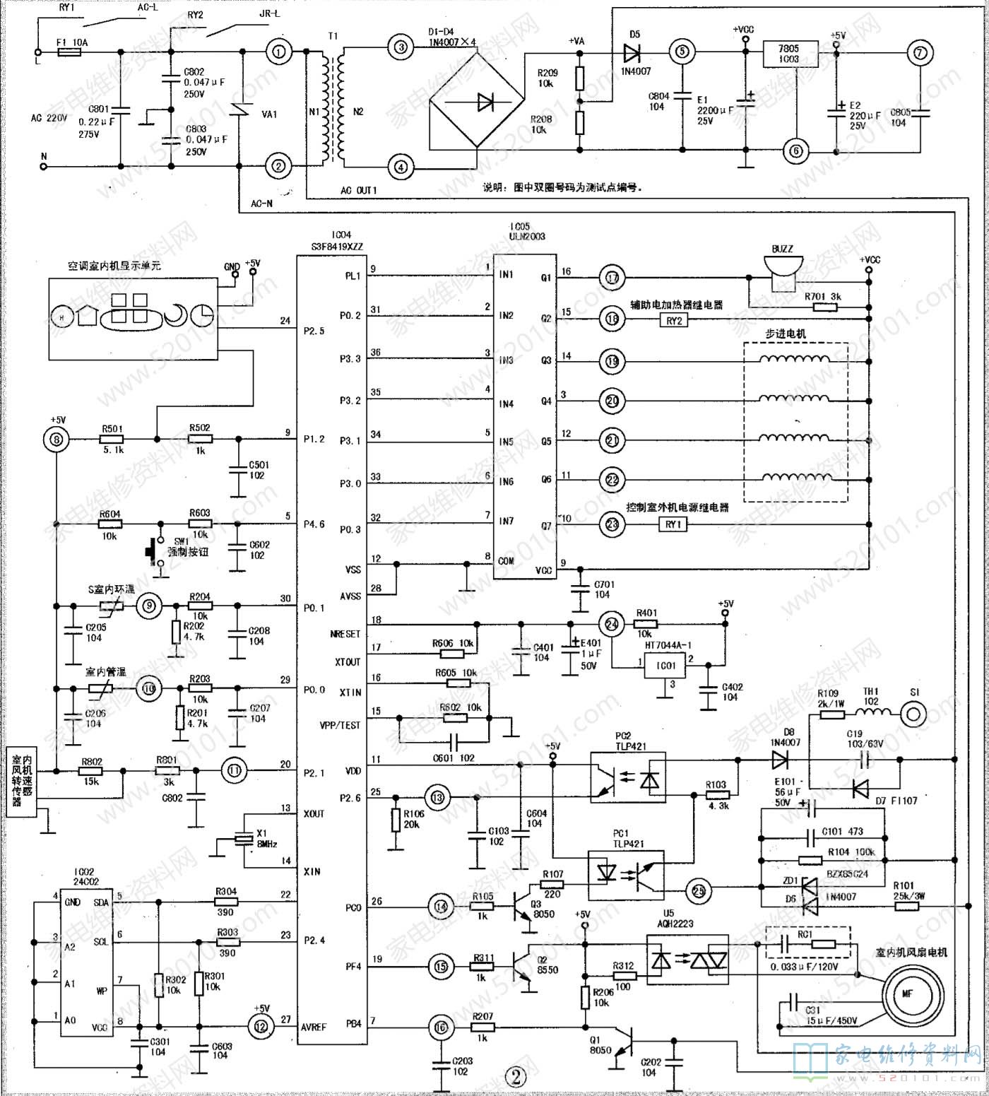
海信FR-26GW/27FZBpJ-3变频空调控制电路由室内机和室外机两部分组成,采用豪华美观的真空荧光显示器(VFD)作为显示屏。在室内机中,单片机采用S3F8419XZZ(IC04),如图1所示。
室内机控制电路主要分为电源电路、上电复位电路、晶体振荡电路、过零检测电路、室内机风扇控制电路、温度传感器电路EEPROM电路、显示驱动电路、亮度检测电路、应急控制电路、通信电路等,如图2所示。
1.电源电路电源电路为室内机电气控制系统提供所需的工作电源。在本电路中,主要为微处理器、真空荧光显示器(VFD)驱动芯片、继电器、蜂鸣器、晶闸管等元件提供电源。工作电源在电路中扮演着重要的角色,一目出现问题,空调控制电路就无法正常工作。因此,掌握这一部分电路,对于迅速判断空调故障有很大的帮助。
交流电经F1、C801、T1滤波后(测量点①、②为交流220V±10%测试点,测量点③、④为交流13V~15V测试点),经D1~D4桥式整流,再经D5半波整流,C904、E1滤波后获得+Vcc(测量点⑤、⑥)。而+Vcc是7805供电源使用的。7805输出后经C905、E2滤波得到+5V(测量点为⑦、⑥)。
2.上电复位电路与晶体振荡电路
+5V电源通过HT7044A-1(ICO1)的②脚输人,①脚便可以输出一个上升沿,送到单片机IC04的18脚(RESET)。电解电容E401是调节复位延时时间的。晶振的①脚和③脚接人IC04的13脚和14脚,②脚接地,这样便可提供一个8MHz的时钟频率信号。
3.过零检测电路电源电路中的+VA电压经电阻R209R208分压后供给Q1基极。当Q1的基极电压小于0.7V时,Q1不导通;而当Q1的基极电压大于0.7V时,Q1导通。这样在IC04的⑦脚便可得到一过零触发信号。
4.室内机风扇控制电路
室内风机采用可控硅调速的PG电动机。为了控制可靠,并减少干扰,该电路采用了带有光耦隔离的可控硅芯片AQH2223(U5)。这个电动机带有一个霍尔传感器,用来感应电动机的传速,单片机根据采到的霍尔传感器反馈的脉冲信号频率,算出电动机的转速,同设计转速进行比较,对电动机的转速进行调整,以达到稳定转速的目的。
5.温度传感器与EEPROM电路
在室内机温度传感器电路中,有两个温度传感器,用来检测环境温度和盘管温度,给单片机提供模拟信号,单片机据此信号进行温度调节。
在该电路中,室内环境及室内管温传感器分别与R201 (4.7k)、R202( 4.7k)分压取得模拟信号,供给IC04的29脚、30脚(A/D口),控制空调的工作状态。
在室内机EEPROM中,记录着空调运行的一些参数,如室内风机的风速、显示屏的亮度变频值、温度保护值等。本机的EEPROM采用24C02 (IC02), 其SDA、SCL端分别与单片机的②脚②脚连接,进行数据处理。
6.显示驱动电路
真空荧光显示器( VFD)供电电压为+5V。单片机24脚输出信号显示空调工作状态。单片机⑨脚为红外信号输入端,接收遥控器发送的信号。
7.应急控制电路
当没有遥控器时,若需要启动空调,按下按钮sw,IC04⑤脚检测到电压变化后,快速启动空调。此时,空调根据环境温度运行在自动状态下。
8.通信电路
通信电路是室内机与室外机通信的通道,电路的工作方式是半双工串行通信。AC220V电压先经过电阻R101降压,再经D6和稳压管、ZD1稳压得到DC24V ,提供室内通信用电源。电容c101、E101对该电压进行滤波。R104为直流电压负载,确保电压稳定。正常工作时,室内机向室外机发送信号时,信号线与零线间的电压在DCOV与DC14.5V之间跳变;当室外机向室内机发送信号时,信号线与零线之间的电压在DC23V与DC145V之间跳变。
9.步进电机、继电器、蜂呜器驱动电路
当步进电机继电器或蜂鸣器需工作时,IC04的对应输出端便输出一个高电平信号,经过IC05(ULN2003,达林顿管反相后输出低电平信号,对应的步进电机、继电器或蜂鸣器工作。
二、室外机电气控制系统电路分析
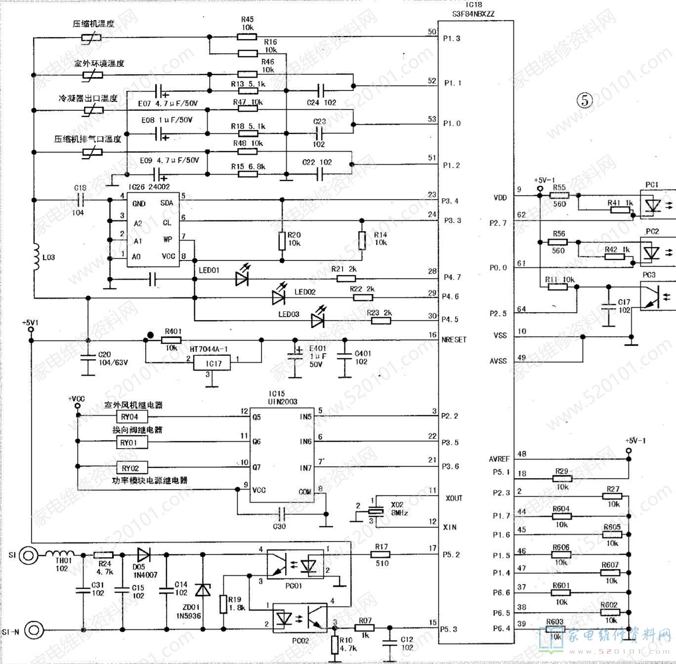
室外机控制电路主要包括有开关电源、上电复位、晶振、电压检测、电流检测、继电器驱动、EEPROM、通信、温度信号采集及故障检测指示等电路,其电路板实物如图3所示。室外机控制系统所用单片机型号为S3F84NBXZZ(IC18),功率系统中所用单片机型号为BL/DC-64(IC22),整流块型号为FPAB30BH60芯片,功率模块型号为PS211964-ST(IC28)。
1.开关电源电路

本电源电路为反激式开关电路,如图4所示。开关电源芯片为VIPer22A(IC11),该芯片是一个单封装产品,在同一颗芯片上整合了一个专用电流式PWM控制器和一个高压功率场效应管, 输出功率约10W ;稳压方式采用脉冲调制方式,通过改变脉冲宽度来调整占空比。 由于该电源开关频率一定,因此其滤波电路相对简单,但是受功率开关管最小导通时间限制,输出电压不能在较宽范围内调节。另外,该电源的输出端要接有负载,以防止空载时输出电压升高。
市电经过整流、滤波后得到约+300V的直流电压,经开关变压器T1的初级绕组加到开关管的漏极(DRAIN)上。当IC11内部开关管导通时,T1初级储能;当开关管截止时,T1初级中的能量通过电磁耦合释放给次级绕组,次级绕组的整流二极管导通,经整流、滤波、稳压后送给其负载。
初级副绕组中产生的脉冲电压经二极管D02整流,电阻R02、电容E01滤波后,送到IC11的④脚,为IC11供电。
次级输出电压经R08R09分压后,加到精密稳压器TL431的R极,与TL431内部的2.5V基准电压进行比较并放大,从而改变其K极的电压再经光耦去控制IC11的③脚电压,改变送往功率开关管的脉冲的占空比,从而达到稳压目的。
2.上电复位电路与晶振电路

该机室外机控制系统所用单片机电路如图5所示。IC18的16脚与HT7044A(IC17)等元件组成上电复位电路,+5V-1电源从IC17的②脚输人,经IC17的内部电路处理后,从①脚输出一个上升沿脉冲,送到单片机S3F84NBXZZ(IC18) 的16脚,芯片复位,电容E401起调节复位延时时间的作用。
IC18的11、12脚分别与晶振X02的①、③脚相连(②脚接地)。X02与IC18的11、12脚内部电路组成压控振荡器,为控制系统提供个8MHz的时钟频率信号。
3.继电器驱动电路
该机继电器驱动电路由IC18的③脚、21脚、22脚与ULN2003 (IC15,达林顿管)等元件组成,单片机输出端输出高电平信号,经过IC15反相后输出低电平,对应的继电器线圈得电工作,触点接通,将AC220V电源供给负载。
RY01用于四通阀通/断控制电路,若室内机发出制热命令,则室外机主芯片22脚输出高电平,IC15的11脚输出低电平,继电器RY01动作,四通换向阀动作,制冷剂改变流向,蒸发器、冷凝器互换角色,空调工作在制热状态下。
RY04用于室外风机通/断控制,RY02用于压缩机驱动控制。压缩机驱动电路是由IC22的49~54脚及IPM模块IC28组成,其主要作用是通过芯片发给IPM模块控制命令,采用脉宽调制(PWM)方式改变各电路控制脉冲的占空比,从而使压缩机实现变频运转。
4.存储器电路
室外机存储器( EPROM)电路由IC18的23、24脚与24C02(IC26)等元件组成,与室内机中的EEPROM电路作用一样,记录着空调运行的一些参数。IC26的SDA、SCL线分别与IC18的23、24脚相连,进行数据交换。
5.通信电路
该机室内机与室外机的通信电路由IC18的15、17脚与光耦PC1、PC2等元件组成,工作方式为半双工串行通信。实修发现,好多:故障均出现在此电路中。因此,搞清楚这部分的电路对维修空调是非常有帮助的。
从室外机通信电路来看,光电耦合器PCO1的输出端(③、④脚)与PC02的输人端(①、②脚)顺向串联。室内机上的AC220V电压经R24降压D05整流、ZD01稳压后得到24V电压,供给PCO1、PC02。
在该机的室内、室外机通信电路中,4只光电耦合器交叉连接在24V电压上(室内机通信电路参见图2)。当室内发送室外接收信号时,室外机中的IC18的17脚始终置于高电平,则PC01一直处于导通状态。若室内单片机26脚发送高电平“1”,室内发送光耦PC1导通,通信环路闭合,接收光耦PC2、PCO2导通,室外单片机15脚接收高电平“1”;若室内单片机26脚发送低电平“0”,室内发送光耦PCI截止,通信环路断开,接收光耦PC2、PC02截止,C18的15脚接收低电平“0”,从而实现了通。信信号由内向外的传输。同理,可分析出通信信号由室外向室内的传输过程。
6.温度传感器电路
室外机温度传感器电路由IC18的50~53脚与外围传感器等元件组成。共有4个温度传感器,分I别用来检测室外环境温度压缩机排气口温度、压缩机温度和室外冷凝器出口温度,并给单片机提供模拟信号,让单片机根据提供的温度数据进行温度调节。上述4个温度传感器分别与R13 R15、R16、R18分压取得模拟信号,供给IC18的52脚、51脚、50脚、53脚。
7.故障检测指示电路
在该机室外机电路中,由IC18,的28~30脚及发光二极管LEDO1-LED03等元件组成故障检测指示"电路,若空调控制系统出现异常,则三只LED指示灯以亮、闪烁和熄灭的状态组合,提示故障原因。
8.电压检测电路

为了防止空调因供电电压过高而损坏,故在室外机电路中设置了过压检测电路,如图6所示,AC220V电压经整流、滤波电路后,i输出到IPM模块的P、N端。IPM模. 块的P端(DC oUt+)通过电阻R50~R52限流降压后送到IC22的③脚,作为电压检测信号,供给单片机内部的A/D电路进行比较处理。
9.电流检测电路
为了防止空调因工作电流过大而损坏,故在室外机电路中设置了过电流检测电路,由IC22的④脚运放IC24( LM358 )等元件组成,它通过模块内电阻取样,将电流信号转化为电压信号送给运算放大器IC24,先对电压信号进行放大(放大倍数由R85、R87的阻值决定),再送到1C22的④脚,由内部的A/D电路进行比较处理。
三、故障代码与故障原因
在压缩机运行状态下,若压缩机的运转频率升降正; LEDO1~ LED03均为闪烁状态;若此时压缩机的运转频率不能进行正常的升降,其故障代码与原因见表1。
在压缩机停转状态下,若控制系。统正常,则LED01~LEDO3均为熄灭状态若控制系统不正常,其故障代码与原因见表2。

另外,该机的室内机也设有故障检测电路。在开机情况下,连续按遥控器上传感器切换键或高效键(具体由EPROM数据选择)i次,室内机面板上的电源、定时、运行、高效这4只LED通过闪烁、亮、灭显示故障原因,具体状态见表3(有些故障在特定机型中才有)。

网友评论