接修一台海尔海尔LE40AL88液晶电视,用户称图像正常伴音时有时无,重启后有时有声音有时无,大部分时间正常几分钟到半小时左右,但有时一整天都正常。出现该故障也有一段时间了, 该机使用TAS5707伴音,手上无该资料所以在网上搜索发现有许多使用该伴音的机型的求资料现将维修过程分享给大家。
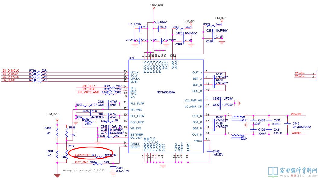
首先变换各信号源故障不变,大致判断故障在功放电路,测量(VCC)2、3、34、35、40、41、44、45脚电压为12V正常,测量(VDD)13、27脚电压为3.2正常,测量静音19脚电压在1.0-1.18之间跳动,感觉不正常将19脚断开测得电压为3.2V稳定不变,试机大概半小时故障未出现,多次开关机也正常,判定19脚后面有电容漏电。
至此维修结束,但遗憾未完全修复,该机失去了静音功能。后来我看到一资料和该机故障类似现将这位师傅的维修过程复制过来以供同行参考:
一台TCL王牌MS48机芯液晶彩电热机无声,不定时无声,因此种机芯以前有技改,软件会造成有时无声,或断音。首先升级软件,老化,故障依旧,在出现故障时切换所有信源时试机,均是无声,判断故障应该出在功放部分,于是在故障出现的时候测量U600(TAS5707)的各脚电压,发现19脚(静音脚)只有1.8V左右(正常3.3V),于是查静音电路,发现IC的19脚经过R638接控制三极管Q601,测量Q601的B集发现是低电平,这样的话静音电路应该是没有工作的,那问题只有出在R638与U600的19脚之间的过孔了,测量发现此过孔漏电,切断,接线连接,老化式机故障排除。

网友评论