现在的PCB板由于技术的成熟,可以做成单面板、双面板、多层板等。对于我们来说,多层板的识别很难。因此,这里的驳图,主要指识别单面板和双面板。
为此应首先了解元件的布局、元件的功能和单元电路功能的划分等。从大局出发进行分析、把握,做一些准备工作。
1、认清单元电路功能。就识别PCB印制板而言,认清单元电路能完成什么功能,对驳图来说是非常关键的。在电原理的学习中,符合一定功能的单元,可以用方框来表示。因此在驳图中是按反向分析识别方框。比如要识别该印制板是彩电主板?是电磁灶控制板?是节能日光灯控制板?还是电瓶车充电器控制板?等等。再比如局部地说要识别是单管放大电路,还是桥式整流电路,是集成功放电路,还是自激振荡电路等等。
2、认清PCB板上芯片或元件的型号。识出芯片的型号后,可以对照该芯片的典型应用电路图进行参考驳图。比如功放块TDA2616;彩电解码块LA76810;场扫描集成块LA7841;开关稳压电源控制块;单片机芯片89C2051等等。如果读出来的芯片型号平时没有见过,也可以上网去查,在网上把它的DATASHEET技术文档中的典型应用原理图,仔细阅读一遍,然后对比PCB板,绘制出该芯片的周边电路元件标号。可以很快理清该芯片的印制板电路。
3、平时多掌握一些元器件的封装形式。常见的封装有TO-92、TO-220等,三极管的三个脚分别是E、B、C。小功率塑封装一般是TO-92,识别口诀是:“上平下圆脚朝己,从左到右E、B、C”(也有个别例外)。TO-220塑封三极管识别口诀是:“竖看字面脚朝下,从左到右B、C、E。”场效应管三个脚分别是D、C、S。T0-220塑封场效应管识别口诀是:“竖看字面脚朝下,从左到右C、D、S。可控硅三只脚单向为A、G、K,双向为T1(A1)、G、T2(A2),引脚与封装对应情况如图1所示。

识别PCB印制板时,应抓住先走静态线路,然后再分析动态线路的原则。备上万用表,检查线路的连接情况。一般来说;电阻、二极管、电感等应属静态线路中的元件,电容为动态线路中的元件。驳图时应先避开电容等动态线路元件,而先把核心元件的静态偏置电路元件进行理清,这样识别PCB电路的思路较为清楚,原理图绘制也合乎逻辑。
平时应勤学苦练,由易入难,善于总结,驳图其实很容易。图2为一印制板图。
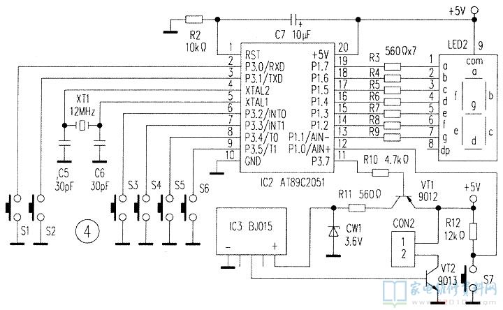
首先分析一下本块印制板。它是单片板,电源部分位于板右上方,从集成电路7805可以看出,D1-D4四个二板管构成桥式整流电路,7805三端稳压输出供给后级电路工作。核心电路是主控芯片AT89C2051单片机,S1—S6构成键盘输入电路,LED2为一数码管构成显示电路,IC3构成报警电路。
弄清大局后,再逐一进行绘制,绘制的电路如图3、图4所示。
网友评论