一、电源电路与系统检测电路
电源电路与系统检测电路简图如图1所示。
1.系统+5V供电及ACC检测电路系统+5V供电及ACC检测电路由R670、R673、U602、Q620、Q605、Q2等组成。+12V 电压经R670、R673限流后,由U602稳压输出+5V电压,分为两路:第一路为系统控制(包含CPU)电路供电;第二路为Q620、Q605、Q2供电。当车内电压经D4、R3降压限流,击穿Z601,由R617、R618分压后,控制Q605导通,Q605的集电极输出低电平,送入U801的47脚,使CPU由休眠模式转换为工作模式。在正常工作状态下,U801的52脚输出高电平,经R40、R41分压后,控制Q2使Q620导通,输出+5V电压,为倒车检测与TFT显示控制电路板供电。
2.+8.5V、+9V供电电路
+8.5V、+9V供电电路由R630、R634、Q613、Q617、R644、R622、U1、Q3等组成。在正常工作状态下,U801的48脚输出高电平,经R644、R622分压后,控制Q617使Q613导通,输出+12V电压,分为两路:第一路作为外接功率放大器控制输出;第二路经U1稳压后输出+9V电压,也分为两路:第- ~路为 音源选择开关电路、电子音量控制电路供电;第二路经Q3降压后,输出+8.5V电压,为收音信号处理电路供电。
3.+5V供电电路
+5V供电电路由D5~D7、C41、U6等组成。来自Q613输出的+12V电压经D5~D7降压,C41滤波,由U6稳压后,输出+5V电压,为收音信号处理及视频信号选择等电路供电。
4.+12V供电电路
+12V供电电路由R653、R652、Q607、Q608、R655等组成。在正常工作状态下,U801的⑦脚输出高电平,经R653、R652分压后,控制Q607使Q608导通,输出+12V电压,为TFT显示控制电路板的DC-AC升压逆变电路供电。
5.按键灯供电电路
按键灯供电电路由R629、R633、Q618、Q609、D609、 R645、R628、Z603、Q610等组成。在正常工作状态下,U801的49脚输出高电平,经R629、R633分压后,控制Q618使Q609导通,输出+12V电压,经Q609隔离后,送人由Q610、R645、R628、Z603组成的自偏置稳压电路,输出+9V电压,为按键灯电路供电。
6.+5V、+3.3V、+1.8V供电电路
+5V、+3.3V、+1.8V供电电路由R626、R25、R208、R209、Q202、Q204 IC201、U4等组成。当处于电视工作状态下时, U801的④脚输出高电平,经R26 R25分压后,控制Q202使Q204导通,输出+5V电压,+5V电压经IC201.U4稳压后,分别输出+1.8V、+3.3V电压,为电视信号处理电路供电。
7.倒车检测电路
倒车检测电路由D503、R559、R560、R537、R528、Q506、Q511、Q557、Q538 R566、R558等组成。当汽车挂倒挡时,+12V电压击穿Z502,使Q507控制Q506导通,输出+5V电压,经R560、R537、R528分压后,使Q511导通,U801的43脚跳变为低电平,使U801控制视频选择电路输出倒车视频信号在液晶显示屏上进行显示。当汽车没有挂倒挡时,+5V电压R561->R528->R537->D503->R562->地,Q511截止,确保倒车检测电路不会被误触发。
8.手刹检测电路
手刹检测电路由D504、R551、R542、Q505、R536等组成。当汽车的手刹拉起来时,D504的负极接地,Q505导通,Q505输出+5V电压,送人U801的17脚,主机正常显示图像。当放下汽车手刹时,Q505截止,U801的17脚为低电平, U801关闭视频显示电路。在实际安装中,手刹检测线通常都直接与地连接。
9.DVD伺服、解码电路板的+5V、+3.3V、+1.8V供电电路
+5V供电电路由Q306、Q309、U305.D306 L327 C445等组成。在DVD状态时,U801的25脚输出高电平,控制Q306使Q309导通,则U305的⑤脚为低电平。Q309导通后输出+12V电压,为DVD音频D/A电路U300供电。U305的⑤脚为低电平后,U305内部的PWM电路启动,与U305外围的D306 L327、C445组成DC-DC降压型直流滤波电路,输出+5V电压,为伺服驱动电路供电。+5V 电压还经Q315、Q314稳压后,输出+3.3V、+1.8V电压,为解码电路供电。
二、收音信号与电视信号处理电路
收音信号与电视信号处理电路简图如图2所示。
从天线接收到的AM/FM无线电信号,送人AM/FM数字调谐器U101 (该调谐器的电路是密封在一金属屏蔽盒内,有23个引脚,其调谐器电路包括:天线调谐回路、混频、本振电路、中频放大、检波、自动增益控制PLL数字频相环电路,RDS检测电路I2C总线接口电路等)的①脚,经U101内的高频放大混频、中放、PLL相环等电路处理后,从19、20脚分别输出模拟左、右音频信号,送往音源选择与电子音量控制电路。
RDS解调芯片U102把调谐器U101 17脚输出的模拟RDS信号转换为数字RDS信号,并把时钟信号和数据信号传送给U801,U801把数字RDS信号解码得到的交通信息等显示在液晶显示屏上。
U801通过IIC总线控制收音调谐器完成自动搜台,电台浏览,单/立体声选择、远/近程切换等功能,并对PLL数字锁相环电路进行控制和对调谐器信号的控制。
2.电视信号处理电路
从天线接收到的无线电视信号,经天线切换电路选择后,送人U5的②脚(U5是一块超小型 单芯片模拟电视信号接收器,它有48个引脚,其内部电路包括:RF调谐滤波器、可调低噪声放大器、多级滤波器、混频器、时钟振荡器、本振和锁相环电路、带通滤波器、可调放大器、A/D转换器、同步解调处理器、数字信号处理器、串行接口电路及D/A电路等),经U5内的混频器处理后输出电视中频信号,由带通滤波器分离出图像中频和伴音中频,经可调放大器处理后,进行A/D转换,将图像伴音中频信号转换为数字中频信号,再由数字信号处理器和同步解调处理器将数字中频信号解调为数字图像和数字音频信号,由各自的D/A转换器处理后,从U5的17脚输出模拟电视视频信号,从20脚输出模拟电视伴音信号,分别送人视频与音频选择电路。U801通过IIC总线控制U5完成自动/手动搜索、频道切换、频率微调等功能,并将频道信息存储于U801内置的ERPOM存储器上,断电后仍能记忆。
三、DVD伺服、解码电路
U303是整合了RF信号处理、数字信号处理/数字信号伺服处理、解码、视频编码和嵌人式微控器的整合型多解码的超级单芯片。它与驱动IC、SDRAM存储器Flash -ROM存储器、音频DAC电路等-起,构成了本机的单芯片DVD伺服、解码电路。DVD伺服、解码电路简图如图3所示。
当U303的12脚输出低电平时,经R327加到Q301的基极,使集电极为高电平,并通过R303加到Q310的栅极,使其饱和导通:由于Q310的漏极是接地的。因此它的源极也是接地的,这就使数光头组件上的VR-DVD(DVD激光二吸管功率调整电位器)一端接地,并且敵光头组件内的光敏二极管PD也连接到它的另一端, 此时,从激光头组件内的30芯插座的11脚取出的监测信号则反映了DVD激光二侵管关工作情况。这个信号通过U303的20、21脚输入,经其内部的APC电路处理后去控制Q302的输出电压,从而起到控制激光二极管光强度的目的。另外在112脚输出低电平的同时也加到30芯接插件的24脚,使激光头组件输出的是光敏管A~D的合成信号,即PDVDRF信号,从30芯接插件的23脚输出,送入U303的⑥脚。
由此可见,在DVD状态时,U303的112脚输出高电平,Q310截止,高电平通过R385加到Q303的栅极,使其饱和导通,30芯接插件的13脚接地,激光头组件上的CD-VR被选择,U303的20、21脚上的监测信号体现了CD激光二极管的工作情况。通过内部APC电路处理后,控制Q300的输出电压达到控制CD激光二极管的目的。另外,此高电平信号控制激光头组件输出的是光敏管A~D的合成信号,即CDRF信号,也从30芯接插件的23脚输出。
2.聚焦伺服控制电路
在播放过程中,由激光头组件反映物镜识读聚焦状态的电信号(A、B、C、D),从8~11脚送人U303内的聚焦误差检测电路,将其失焦量(FEO)检测出来,再经补偿后送入U303内置的伺服DSP,先进行运算,并处理成聚焦伺服控制信号( TEO )从42脚输出,送入U307①脚内的驱动电路,处理成与离焦状态相反大小相等的聚焦电流,分别从13、14脚输出,驱动聚焦线圈,以调整物镜聚焦深度,确保准确读取光盘信息。
3.循迹与进给伺服控制电路
激光头组件同时还反映物镜、跟踪信息纹轨状况的电信号,从②~5脚送入U303内的DVD相位检测器,或从18、14脚送入U303内的CD循迹误差检测器,将其偏离量(TFO)检测出来,再经补偿处理成模拟量的循迹误差信号,送人U303内的伺服DSP,先进行数字化处理,再进行运算并处理成循迹伺服控制信号和进给伺服控制信号(TRO/FMO),分别从41、38脚输出,送入U307的26、23脚内的驱动电路,再经电平变换与驱动放大后,其循迹伺服驱动电压分别从15、16脚输出,进给电机驱动电压分别从17、18脚输出,通过物镜与进给机构去校正激光识读光点始终能投射在光盘的纹轨上。
4.主轴伺服控制电路
激光头组件的光敏检测器在播放DVD或CD格式碟片时,通过U303内的数字PLL电路对RF信号进行锁相处理,产生光盘线速度的同步位时钟。经主轴线速度检测,其误差信号送主轴控制单元进行误差运算处理,形成PWM主轴伺服控制信号(EC),从36脚输出,送入U302的21脚内三相电机驱动电路。其主轴电机三相驱动电压分别从②、④、⑦脚输出,以调整主轴电机的转速,实现恒线速控制,使光盘始终维持恒线速旋转。
在主轴电机定子绕组上设有三个霍尔元件,用来检测主轴电机转子的旋转相位,其输出信号分别送人U302的⑨~14脚,经三个霍尔放大器处理成主轴电机相位控制信号和主轴电机的速度信号(FG)。前者经增益控制电路去改变驱动主轴电机三相绕组中的电流,后者从24脚输出,送入U303的49脚,以实现闭环控制。
5.RF信号处理电路
激光头组件读取旋转光盘上的信息(A、B、C、D),通过平行电缆送人U303⑧~11脚内,进行RF求和放大,使其幅度足以满足数字信号处理电路的要求,再经均衡补偿与平衡处理后,送人数字信号处理电路中的模拟信号前端处理电路,先进行RF运算,再进行数字限幅与锁相等前期处理。前者形成EFM/EFM+位流,后者产生同步位时钟信号。EFM/EFM+位流经数据通道单元中的数据分离处理,并利用同步位时钟将分离出播放CD格式光盘的EF位流,送通道解码单元中的EFM(8/14)解调器,而将分离出播放DVD格式的光盘的EFM+位流,送通道解码单元中的EFM+(8/16)解调器,配合外挂共享的SDRAM(U306 ),解调恢复其原来顺序,重建节目码流样本,送入内置的MPEG解码电路。
6.解码电路
当复位信号送入U303 108脚后,U303内的嵌人式CPU首先被复位,自身初始化,在确认223、224脚外接的27MHz时钟正常后,U303便通过8位数据线、20位地址线和控制线从U304( Flash- ROM)中读取初始化程序,再通过数据通讯电路对各受控电路实施初始化操作,同时还将解码程序与控制程序下载存人U306中的下载程序的缓冲区,作为执行程序,U303内的解码电路进人正常工作状态。
嵌入或在U303芯片内的CPU,在获得播放碟片类别信息之后,依据其压缩格式,控制音/视频解码器自动进人相应的MPEG-11MPEG-2或MPEG-4音/视频解压运算模式。在解码过程中,对其视频和音频PES头缓冲器中的系统数据进行缓冲读/写、片选/中断与存储区域分配等操作。
在播放期间,由U303内置的系统解复用对内置通道解码单元输人的码流进行解复用处理,提取视频/音频PES数据和专用数据。然后通过U303内DRM接口的16位数据线和12位地址线存人U306分配的缓冲区,以备解码用。
视频解码器与视频处理单元同时从U306分配的缓冲区读取其数据,前者自动读取PES缓冲区中的视频数据进行解码,并将处理后的数据存入U306中的数据缓冲区,以备视频处理单元用;后者在嵌人式微控制的控制下,视其情况自动读取并分散存储在U306中的一帧亮度数据和色度数据,完成图像帧的重建,重建后的图像数据送给视频输出电路。
视频输出电路把语言字幕等数据嵌入图像数据帧中,然后将连续输出的图像行Y、Cb、Cr数据送人内置的视频编码器,分别处理成亮度数据Y、色度数据C和复合视频数据ViDEO,这些数据经6个108MHz/12bit的DAC转换器转换成模拟视频信号,分别从U303的187脚输出模拟复合视频信号,191脚输出模拟亮度信号(Y), 189脚输出模拟色度信号(C)。
音频DSP中的解码器自动从U306读取缓冲区中的音频PES数据。并对播放VCD或DVD格式光盘的音频位流分别进行MPEG-1或MPEG-2解码音频帧,分离出音频数据,从U303的212脚输出串行音频数据,211脚输出系统时钟,210脚输出音频串行数据位时钟,209脚输出音频声道时钟位信号,送人U300的①~③脚和14脚内。音频串行数据在U300内部经数字滤波、△∑调制、DAC变换后还原为模拟音频信号,从U300的13、16脚输出左、右声道的模拟音频信号,送入音源选择电路。
四、音、视频信号选择电路
音、视频信号选择电路简图如图4所示。
1.视频信号选择电路
倒车视频信号经C961耦合后送人U2的16脚。
DVD的视频信号经C951耦合后送人U2的12脚。
电视视频信号经C952耦合后送人U2的⑦脚。
DVD换片机制视频信号经C946耦合后送人U2的⑥脚。外置视频信号经C947耦合后送人U2的③脚。
以上的视频信号在U2内部进行切换,由U801通过对U2的15、11、6、9、8脚进行控制来选择,选择后的视频信号从①、14脚输出。
当U2的15、11、6、9、8脚均为低电平时,其1、14脚输出倒车视频信号;当U2的15脚、⑨脚为高电平、71、⑥、⑧脚为高电平时,其①、14脚输出DVD视频信号;当U2的15、⑨脚为低电平11、⑥、⑧脚为高电平时,其11、④脚输出电视视频信号;当U2的15、11、6、9、8脚均为低电平时,其①、14脚输出外置视频信号。
u2 14脚输出的视频信号分成两路: 一路经C18耦合,Q501放大后,作为RCA视频输出;另一路仅在电视模式时有用,电视视频信号经C250耦合,送人U303的⑥脚,经U303内部电路处理后,从④脚输出电视复合同步信号送往U801,作为判断信号是PAL制或NTSC制式的识别信号。U2①脚输出的视频信号,经C25耦合后送人Q1,经Q1放大后送往TFT显示电路板。
2. 音源选择与电子音量控制电路
DVD换片机的左、右声道音频信号经电容耦合后送入U201的15脚和②脚,如图5所示。

外置左、右声道的音频信号经电容耦合后送入U201的12、①脚。
电视的音频信号经电容耦合后送人U20的14、⑤脚。DVD的左、右声道的音频信号经电容耦合后送入U201的12、①脚。
以上左、右声道的音频信号在U201内部进行选择,选择后的左、右声道音频信号从U201的13、③脚输出,送人电子音量控制电路U202中。音、视频信号的选择均由U801同步进行控制。
当U2的⑨、10脚均为低电平时,其13、③脚输出DVD的左右声道音频信号;当U2的⑨脚为低电平、10脚为高电平时,其13、③脚输出电视音频信号;当U2的⑨脚为高电平、10脚为低电平时,其13、③脚输出DVD换片机的音频信号;当U2的⑨、10脚均为高电平时,其13、③脚输出外置音频信号。
音源选择电路输出的左、右声道音频信号经电容耦合后,送人U202的⑨、13脚;收音调谐器输出的左、右声道音频信号经电容耦合后,送人U202的①、10脚;GPS的左、右声道音频信号经电容耦合后,送入U202的11、15脚。由U801通过IIC总线控制U202内部的音源选择,选择后的音源再由I2C总线对其高低音、音量响度及前后左右声道平衡进行控制,最后分成四路从22~25脚输出,送人功率放大器U601,由U601对其进行功率放大后,推动喇叭对声音进行还原。
五、视频信号处理与时序控制电路
视频信号处理与时序控制电路简图如图6所示。U15是一块集成了视频信号转RGB信号处理电路RGB伽马校正、倒相、放大同步信号处理、行场分离、时序控制PWM调制等电路的大规模集成芯片。

由TFTCPU通过I2C总线控制U15完成诸如图像色彩、亮度调整、视频切换PWM调制电路启动字符叠加等操作。在本机中,U15内的时序控制电路并未使用,而是由U1完成时序控制。
复合视频信号经C21送入U15的55脚,经内部的视频输人切换电路选择后,分成两路:第一路送人亮度处理与色度信号处理电路。视频信号在亮度信号处理电路中滤除色度信号,取出亮度信号,再进行AGC放大、钳位、勾边、延时等处理后,使亮度信号与色差信号同时到达解码矩阵电路;视频信号在色度信号处理电路中滤除亮度信号,取出色度信号,再进行NTSC/PAL色差信号处理,还原出R-Y、B-y、G-Y色差信号送入解码矩阵电路,混合出R、G、B三基色信号,送人内置/外置切换电路进行选择,然后再送入各自的灰度放大器对灰度进行提升(因为液晶对图像的灰度还原能力不强,需要加以放大,灰度放大器又加伽马校正电路),经灰度放大器提升后的R、G、B三基色信号再送入倒相、放大电路,然后从25、27、29脚输出,送往液晶显示板。第二路的视频信号送入同步信号输人选择电路,选择后送往行、场分离电路,分离出行、场同步信号,从⑦(HD)⑧(VD )脚输出,分成两路:第- ~路送入U1,使U1产生各种使液晶显示板正常显示图像时所需要的时序控制信号,并从U1的11脚输出半行频方波控制信号;送人U15的13脚内的倒相电路,使输入倒相电路的R、GB信号每隔-行倒相-一次。同时,半行频方波控制信号(FRPV)在U15内部处理成cOM信号和COM交流电平自动调节信号,从21(COM-out)、22( COM DC )脚输出。COM信号经U14放大后,送人液晶显示板,完成液晶显示的AC驱动。COM的放大信号(即COM信号的交流电平)由U15自动完成调节。第二路送入U3,U3是一块OSD莱单显示电路,它输出的图形信号必须和行场同步信号同步,这样才能正确地在屏幕预定的位置上进行显示。
U1内的栅极驱动控制模块根据模式选择所产生的时间参数和水平起始位置及显示区域,对进行的再配合行、场同步信号时序,从36~38、40~42脚输出X驱动器使能控制信号和位移时钟信号,控制X驱动器使每-一行的场效应管(即像素区域)依次打开。U1内的源极驱动控制模块根据模式选择所产生的时钟参数和垂直起始位置及显示区域,对每场的起始位置及每场显示的行数进行限制,再配合行、场同步信号时序,从56、49~53脚输出Y驱动器使能控制信号和位移时钟信号,控制Y驱动器对R、G、B信号进行采样,确定需要达到的电压,并在栅极驱动控制模块输出的使能控制信号配合下,使处在像素区域电容上的电压达到还原图像的标准。经Y驱动器采样的RGB三基色信号电压,在x驱动器输出选通脉冲时,经场效应管的源极加到竖直排列的场效应管的漏极上,对电容进行充电,这个电压决定了液晶的透光率。当选通脉冲结束后,此电压由电容保持,再按电视信号的行场速率进行扫描,这样就形成了彩色图像。当一幅图像显示完毕,要进行下一帧图像时,像素电容上的电压通过场效应管放电。U1 62、63脚输出图像左右、下翻转控制电压,由U4通过模式选通控制。
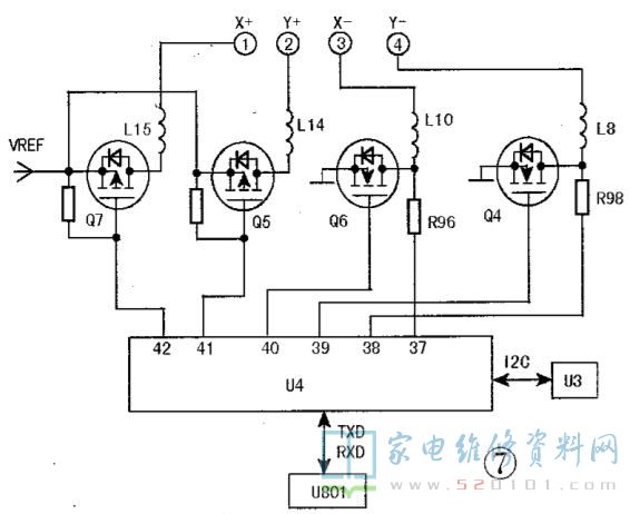
六、触摸电路触摸电路
简图如图7所示。

触摸电路一般由触摸板ADC电路、CPU组成。本机的ADC电路集成在CPU内,而触摸板采用的是4线电阻式触摸板。
触摸板是紧贴在液晶显示屏的表面上的,与液晶显示屏相配合使用。当测量出触摸点在液晶显示屏上的坐标位置时,系统控制器就可根据液晶显示屏.上对应坐标点的显示内容或图符获得触摸者的意图,从而做出相应的控制。电阻式触摸板是一块4层的透明复合薄膜,最下面是玻璃或有机玻璃构成的基层,最上面是一层外表面经过硬化处理从而光滑防刮的塑料层,中间是两张涂有透明氧化金属(即透明的导电电阻层)的导电层,分别在基层之上和塑料层内表面,在两张导电层之间有许多细小的透明隔离点把它们隔开。当用手指触摸时,两张导电层在触摸点处接触。这两张多层导电层是触摸板的两个工作面,在其中一个工作面的左、右边缘各涂有一条银胶,这个工作面就叫做X层面;在另一个工作面的底部和顶部也各涂有一条银胶,这个工作面就叫做γ层面。X层面和Y层面的银胶称为该工作面的一对电极,即X层面的X+电极X-电极,Y层面的Y+电极、Y-电极。若在-个工作面的电极对上施加电压,则在该工作面上就会形成均匀连续的平行电压分布。当在X层面的电极对上施加一确定的电压,即X层面的左侧电极偏置为0(接地),右侧电极偏置为VREF,而Y层面的层函时员百闯忠鄙匙成连接到ADC时,在X层面的乎行电压场中,触点处的电压值可以在Y+(或Y-)电极上反映出来,通过测量¥+(或Y- )电极的对地电压大小,便可得知触摸点的X坐标。同理,当在Y层面的电极对上施加电压,即将Y层面的顶部电极偏置为VREF,底部电极偏置为0,X层面上的电极对.上不加电压,即X层的左侧或右侧电极连接到ADC时,通过测量X+(或X-)电极上的电压,便可得知触摸点Y的坐标。以上就是ADC电路的工作原理。对于四线电阻式触摸板,最理想的连接方式是将偏置为VREF的电路接ADC的正参考输入端,并将设置为0的电极接入负参考端。
在未进行触摸时,U的41、42脚以毫秒级的速度连续不断地输出宽度相同,相位相反的扫描电压,配合U4的40、39脚的控制电压对触摸屏进行检测。当42脚输出低电平时,41脚输出高电平,40脚输出高电平,39脚输出低电平,因此Q7和Q6导通,Q5和Q4截止。VREF电压->Q7->L15->X+->X层面->XQ6->地,38脚线为X点坐标的检测脚;当41脚输出为低电平时,42脚输出高电平,40脚输出低电平,39脚输出高电平,此时Q7和Q6截止,Q5和Q4导通,VREF->Q5->L14->Y+->Y层面->Y->L8->Q4->地,37脚为Y点坐标的检测脚。以上两种工作方式轮流切换,直到检测到触摸操作为止。
当进行触摸操作时,触摸板的X层面和Y层面在手指触压点上接触。假设此时正好处于42脚为低电平时,VREF电压->Q7->X+->X、Y层面接触点->Y层面->得到分层电压->Y-->+L8->R98->U4 38脚,在U4内部计算出Y点坐标,U4从而得出触摸点的位置,并把对应坐标点所代表的图符指令信号经I2C总线传递给OSD菜单显示电路U3,U3根据指令产生所需的图形信号,在行、场同步信号的配合下。输出R、G、B三基色信号,送入U15,经U15处理后,在液晶显示屏指定的位置上进行显示。
另外,若在液晶显示板上所显示的某一具体功能图形符号,上进行触摸操作时,U4将通过X、Y坐标的电压值,得出该触摸区所代表的图文符号功能,一方面将该图文符号的位置信息经PC总线传递给U3,使U3对相应的图文符号进行“变色”处理,从而在液晶显示屏上显示出的功能图符随着手指的触摸而具有动感;另一方面该功能图符所代表的操作指令经TXD、RXD数据总线送入U801,经U801译码后,对相应的电路作出准确的控制,如信号源的选择,音质调整、收音与电视的节目搜台等。
七、液晶显示板的DC-DC供电电路
液晶显示板的DC-DC供电电路如图8所示。

1.+7.5V供电电路
U15的41脚输出PWM脉冲,在PWM脉冲的上升期间,U12->A逐渐导通,+5V电压->L11->U12->A的D极->U12-A的S极->地,流经L11上的电流逐渐增大,直至U12-A饱和导通,流经Z11的电流最大。
在PWM脉冲的下降期间,流经L11的电流减小,直至为0。在此期间,L11产生感应电动势,经U12-B整流后与+5V电压叠加在一-起,输出+7.5V电压。+7.5V电压还经R52、R51分压后送入U15的43脚,以检测输出端电压,从而调整41脚输出的PWM脉冲宽度比,稳压+7.5V电压输出。
2.- 10V供电电路
U15的38脚输出PWM脉冲,在PWM脉冲的下降期间,U13-A逐渐导通,+5V电压->U13-A的D极->U13-A的S极->L9->地,流经L9上的电流逐渐上升,直至U13-A饱和导通,流经L9上的电流最大。在PWM脉冲上升期间,U3-A逐渐截止,流经L9上的电流逐渐下降,直到为0,L9上产生感应电动势,经U13-B整流后输出-10V电压。
3.+15V供电电路
+15V供电电路与+7.5V供电电路一样,区别在于U15 33脚输出的PWM脉宽不一-样,在此不再赘述。
八、液晶显示板的DC-AC升压逆变电路
DC-AC升压逆变电路由全桥零电压阴极荧光灯驱动IC (U2)及其13、⑧脚外接的谐振电路(即升压逆变电路)组成,如图9所示。
U2内部由稳压电路、全桥开关、门极驱动电路、零电流检测电路、逻辑电路、电流回馈电路及保护电路组成。其中,零电流检测电路、逻辑电路及电流回馈电路决定全桥开关的切换时间和工作周期,并通过零电流检测电路检测到的电流零点来切换频率。因开关的切换频率与谐振电路的频率相同,因此可利用谐振电路在启动瞬间产生足够高的电压点亮灯管,再由电流回馈电路决定其工作周期。
U2内的全桥开关由4只带阻尼二极管的N沟道场效应管构成,它与外接电路组成全桥零电压开关谐振逆变电路,具体工作过程如下:
设T1的初级电流经Q1->C5->T1的初级线圈->Q4,在此工作期间,流经T1初级线圈的电流上升,直到Q1关断为止。一旦Q1关断,T1初级线圈。上的感应电压使Q2的阻尼二极管正偏,U2 13脚的电压低于地电位。当门极驱动电路使Q2导通时,由于它的阻尼二极管D2正向导通,Q2的源谐振之间的电压接近0V,由于Q4继续导通,这时,T1的初级线圈上的电流经Q2->U2 13脚->C5->T1初级线圈->Q4,一旦T1初级线圈的电流下降至最小电流阈值,则由零电流检测电路->逻辑电路->控制门极驱动电路使Q4关断,残存在T1初级线圈的能量使⑧脚的电位升高,直至Q3的阻尼二极管D3正偏。
当Q3导通时,同样也会出现Q3的漏、源极之间的电压接近于0V的工作状态,T1初级线圈中的电流反向流动,开始又一个循环。随着Q3和Q2的导通,T1的初级线圈中的电流.上升,直至门极驱动电路使Q3关断。当Q3关断后,通过T1初级线圈的电流使D4正偏,这样又使U2⑧脚的电位低于地电位,一且⑧脚的电位变低,通过门极驱动电路又使Q4导通。当T1的初级电流下降至最小电流阈值时,零电流检测电路又使门极驱动电路关断Q2,残存在初级绕组中的能量又使U2 13脚的电位上升,直至D1正偏,最后Q1又导通,开始一个新的工作周期,全桥开关谐振电路输出高频交变信号,经T1耦合后,在T1的次级.上产生高频电压,为背光灯供电。
U2 18脚为电压反馈信号输人端。利用接在背光灯高压端与地之间的电容C3、C4分压,当此脚电压高于内部过电压阈值时,通过电流回馈电路限制开关管导通时间。此脚还同时检测T1次级的电压工作状态,起到欠压保护的作用。
U2的19脚为电源反馈信号输人脚。利用一只接在T1次级低压端和地之间的电流检测电阻R1,可以在灯负载短路的条件下设定T1的最大输出电流。当此脚电压超过内部的过流阈值时,通过电流回馈电路限制开关管导通时间。
U2的②脚为灯电流反馈引入脚。利用一只接在背光灯低压端与地之间的电阻R3检测背光灯的电流的大小,通过电流回馈电路控制开关管的导通时间。

网友评论