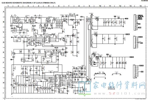
索尼DPS-250AP-34电源板电路原理图

上传时间:2022-05-10

  • 文件大小:148KB文件类型:附件下载文件分类:索尼彩电图纸下载
  • 文件编号:2248218835下载次数:390下载权限:免费

下载介绍

IC801 - L6562DTR
IC802 - DAS01A
IC601 - DLA001DTR


下载地址

索尼DPS-250AP-34电源板电路原理图 无法下载?

网友评论

所有评论

目前还没有网友评论