您好,欢迎您访问家电维修资料网
登陆
免费注册
实用工具
手机版
用手机访问
首页
维修资料
彩电维修资料
彩电总线调整
维修基础
电子线路
电子制作
空调制冷
家用电器维修
音响功放
卫星有线
VCD、DVD
通讯设备
办公设备
数码摄录
计算机设备维修
软件下载
培训教材
电路图纸
长虹彩电图纸
康佳彩电图纸
TCL彩电图纸
海尔彩电图纸
创维彩电图纸
海信彩电图纸
其他彩电图纸
合资彩电图纸
LG彩电图纸
松下彩电图纸
三星彩电图纸
索尼彩电图纸
东芝彩电图纸
夏普彩电图纸
飞利浦彩电图纸
DVD功放图纸
家用电器图纸
数码相机图纸
显示器图纸
维修工具图纸
数据下载
长虹彩电数据
康佳彩电数据
TCL彩电数据
海尔彩电数据
创维彩电数据
海信彩电数据
其他彩电数据
合资彩电数据
厦华彩电数据
DVD机顶盒数据
说明书
彩电说明书
显示器说明书
家用电器说明书
遥控器说明书
影音系统说明书
视频
彩电维修
空调制冷
电脑软件
办公设备
显示器维修
电子线路
维修基础
电工技术
通讯维修
DVD维修
生活电器
仪器仪表
其他技能
电子制作
搜 索
首页
图纸下载
海信彩电图纸下载
文件
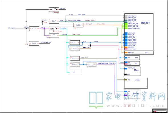
海信LED43K3100液晶电视主板电路原理图
上传时间:2022-03-07
文件大小:828KB
文件类型:附件下载
文件分类:海信彩电图纸下载
文件编号:2125195889
下载次数:566
下载权限:免费
本地下载
下载介绍
下载地址
海信LED43K3100液晶电视主板电路原理图
无法下载?
点击下载 -- 文件
这篇资料对我有帮助
其他推荐
海信LED42K11P液晶电视(2264电源板)电路原理图
海信RSAG7.820.8280主板电路原理图
海信RSAG7.820.8802液晶电视主板电路原理图
海信RSAG7.820.6738/ROH四合一板电路原理图
海信LED32K220 ZB 6006 B液晶电视电路原理图
海信RSAG7.820.4159逻辑板电路原理图
网友评论
发表评论
所有评论
目前还没有网友评论
提交
热门下载
1
海信TCP4318、TCP5318彩电图纸(7—13)份
2
海信TLM3237D液晶彩电原理图
3
海信TPW4233H型等离子彩色原理图
4
海信TCP4318、TCP5318彩电图纸(1—6)份
5
海信TDF2918彩电图纸
6
海信TDC3488彩电图纸
7
海信TC2508FB彩电图纸
8
海信TDF2988G彩电图纸
9
海信TDF29001-3D彩电图纸
网友评论