您好,欢迎您访问家电维修资料网
登陆
免费注册
实用工具
手机版
用手机访问
首页
维修资料
彩电维修资料
彩电总线调整
维修基础
电子线路
电子制作
空调制冷
家用电器维修
音响功放
卫星有线
VCD、DVD
通讯设备
办公设备
数码摄录
计算机设备维修
软件下载
培训教材
电路图纸
长虹彩电图纸
康佳彩电图纸
TCL彩电图纸
海尔彩电图纸
创维彩电图纸
海信彩电图纸
其他彩电图纸
合资彩电图纸
LG彩电图纸
松下彩电图纸
三星彩电图纸
索尼彩电图纸
东芝彩电图纸
夏普彩电图纸
飞利浦彩电图纸
DVD功放图纸
家用电器图纸
数码相机图纸
显示器图纸
维修工具图纸
数据下载
长虹彩电数据
康佳彩电数据
TCL彩电数据
海尔彩电数据
创维彩电数据
海信彩电数据
其他彩电数据
合资彩电数据
厦华彩电数据
DVD机顶盒数据
说明书
彩电说明书
显示器说明书
家用电器说明书
遥控器说明书
影音系统说明书
视频
彩电维修
空调制冷
电脑软件
办公设备
显示器维修
电子线路
维修基础
电工技术
通讯维修
DVD维修
生活电器
仪器仪表
其他技能
电子制作
搜 索
首页
图纸下载
DVD影碟机功放原理图下载
文件
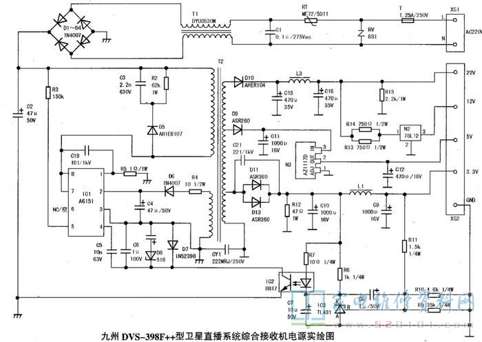
九州DVS-398++型卫星直播系统综合接收机电源电路图
上传时间:2024-03-17
文件大小:253KB
文件类型:附件下载
文件分类:DVD影碟机功放原理
文件编号:1210406707
下载次数:280
下载权限:免费
本地下载
下载介绍
下载地址
九州DVS-398++型卫星直播系统综合接收机电源电路图
无法下载?
点击下载 -- 文件
这篇资料对我有帮助
其他推荐
村村通长虹S6800LN-CA01型直播卫星数字接收机电源电路图
华亚Y33S中九卫星接收机电源电路原理图
九洲DVS-398F++卫星接收机开关电源电路原理图
九联HDC-2100X型高清晰有线数字机顶盒电源电路图
户户通广联S2051-CT-CA03加密标清定位型卫星直播机电源
采用AML7218方案的高清播放器电路原理图
网友评论
发表评论
所有评论
目前还没有网友评论
提交
热门下载
1
索尼HDR-HC6 ADJ/HDR-HC7 ADJ维修手册
2
建伍KENWOOD KRC-X957磁带录放机维修手册
3
雅马哈RX-V640SCH维修手册
4
先锋PIONEER VSX-3600电路图
5
东芝SD-SD110C维修手册
6
先锋PIONEER AVH-P5250维修手册(电路图)
7
先锋PIONEER S-L9-A-LRW/XE电路图
8
索尼PCM-7030维修手册
9
建伍KENWOOD KR-V8090音频/视频播放器电路图
网友评论